Запчасти Komatsu S6D125-1QQ-FA ГЛУШИТЕЛЬ(№8-) ДВИГАТЕЛЬ

Схема запчастей Komatsu S6D125-1QQ-FA - ГЛУШИТЕЛЬ(№8-) ДВИГАТЕЛЬ
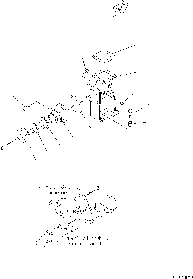
1
2
3
4
5
6
7
8
9
10
11
12
FIT
1:1
100%

Артикул

Название

Примечание

Количество

1

6151-11-5411

ELBOW

SN: 28434-UP

1шт.

2

07042-00108

PLUG

SN: 28434-UP

1шт.

3

01010-31040

BOLT

SN: 28434-UP

4шт.

4

6631-11-5630

SPACER

SN: 28434-UP

4шт.

5

6151-11-5490

JOINT

SN: 28434-UP

1шт.

6

6150-11-5750

GASKET (K1)

SN: 28434-UP

1шт.

7

01010-31230

BOLT

SN: 28434-UP

4шт.

8

01580-01210

NUT

SN: 28434-UP

4шт.

9

6151-11-5270

RING (K1)

SN: 28434-UP

1шт.

10

6151-11-5280

RING,SEAL

SN: 28434-UP

1шт.

11

07281-11279

CLAMP

SN: 28434-UP

1шт.

12

6150-11-5750

GASKET (K1)

SN: 28434-UP

1шт.

Выбрано товаров: 12