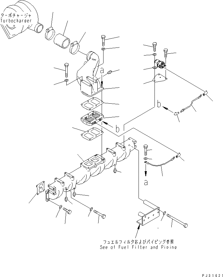
Запчасти Komatsu S6D125-1QQ ТРУБОПРОВОД ВПУСКА ВОЗДУХА И СОЕДИН-Е ГОЛОВКА ЦИЛИНДРОВ

Схема запчастей Komatsu S6D125-1QQ - ТРУБОПРОВОД ВПУСКА ВОЗДУХА И СОЕДИН-Е ГОЛОВКА ЦИЛИНДРОВ
1
2
3
3
4
5
6
7
8
8
8
9
10
11
12
12
13
13
14
15
15
15
16
17
17
18
19
20
21
22
23
24
25
25
26
FIT
1:1
100%

Артикул

Название

Примечание

Количество

|1

6151-11-4910

INTAKE MANIFOLD A.

SN: 28434-UP

1шт.

1

0

MANIFOLD,INTAKE

SN: 28434-UP

1шт.

2

07042-00415

PLUG

SN: 28434-UP

1шт.

3

07042-00108

PLUG

SN: 28434-UP

2шт.

4

6150-11-4810

GASKET (K1)

SN: 28434-UP

6шт.

5

01011-51010

BOLT

SN: 28434-UP

7шт.

6

01010-51030

BOLT

SN: 28434-UP

15шт.

7

01011-51075

BOLT

SN: 28434-UP

2шт.

8

01640-21016

WASHER

SN: 28434-UP

24шт.

9

6151-11-4311

CONNECTOR

SN: 28434-UP

1шт.

10

07042-00108

PLUG

SN: 28434-UP

1шт.

11

600-815-3810

HEATER

SN: 28434-UP

1шт.

12

6150-11-4820

GASKET (K1)

SN: 28434-UP

2шт.

13

01010-51055

BOLT

SN: 28434-UP

2шт.

14

01011-51065

BOLT

SN: 28434-UP

4шт.

15

01641-21016

WASHER

SN: 28434-UP

6шт.

16

6151-11-4410

HOSE

SN: 28434-UP

1шт.

17

07281-01029

CLAMP

SN: 28434-UP

2шт.

18

6151-81-4510

BRACKET

SN: 28434-UP

1шт.

19

01010-51025

BOLT

SN: 28434-UP

2шт.

20

600-815-2170

SWITCH,HEATER

SN: 28434-UP

1шт.

21

01010-50610

BOLT

SN: 28434-UP

2шт.

22

01640-20610

WASHER

SN: 28434-UP

2шт.

23

6678-81-4340

WIRE¤ 170MM

SN: 28434-UP

1шт.

24

6151-81-4410

WIRE¤ 265MM

SN: 28434-UP

1шт.

25

08038-00519

CAP

SN: 28434-UP

2шт.

26

6134-81-4910

CAP

SN: 28434-UP

1шт.

Выбрано товаров: 27