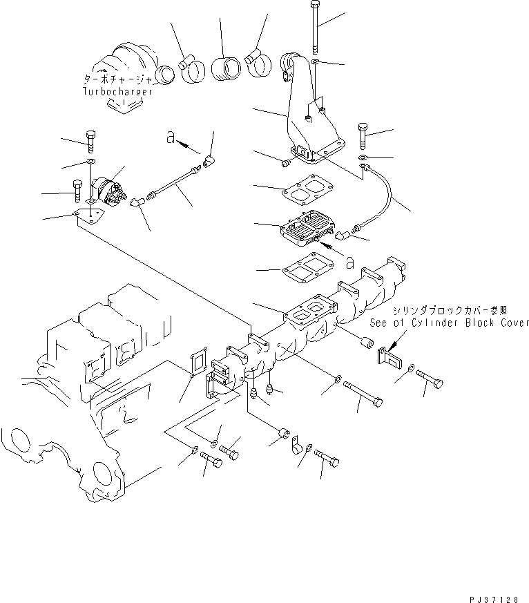
Запчасти Komatsu S6D125-1S-FA ТРУБОПРОВОД ВПУСКА ВОЗДУХА И СОЕДИН-Е (МОРОЗОУСТОЙЧИВ. СПЕЦИФИКАЦИЯ)(№89-) ДВИГАТЕЛЬ

Схема запчастей Komatsu S6D125-1S-FA - ТРУБОПРОВОД ВПУСКА ВОЗДУХА И СОЕДИН-Е (МОРОЗОУСТОЙЧИВ. СПЕЦИФИКАЦИЯ)(№89-) ДВИГАТЕЛЬ
1
2
3
4
5
6
6
7
8
9
9
9
9
9
10
11
12
13
14
14
15
16
17
17
18
19
19
20
21
22
23
24
25
26
27
27
27
FIT
1:1
100%

Артикул

Название

Примечание

Количество

|$0

6151-11-4910

INTAKE MANIFOLD A.

SN: 26689-UP

1шт.

1

0

MANIFOLD

SN: 26689-UP

1шт.

2

07042-00415

PLUG

SN: 26689-UP

1шт.

3

07042-00108

PLUG

SN: 26689-UP

2шт.

4

6150-11-4810

GASKET (K1)

SN: 26689-UP

6шт.

5

01010-51030

BOLT

SN: 26689-UP

13шт.

6

01010-51045

BOLT

SN: 26689-UP

2шт.

7

01010-51060

BOLT

SN: 26689-UP

1шт.

8

01011-51010

BOLT

SN: 26689-UP

8шт.

9

01640-21016

WASHER

SN: 26689-UP

24шт.

10

6631-11-6390

SPACER

SN: 26689-UP

2шт.

11

6151-11-4361

CONNECTOR

SN: 26689-UP

1шт.

12

07042-00108

PLUG

SN: 26689-UP

1шт.

13

600-815-3810

HEATER,RIBBON

SN: 26689-UP

1шт.

14

6150-11-4820

GASKET (K1)

SN: 26689-UP

2шт.

15

01010-51055

BOLT

SN: 26689-UP

4шт.

16

01011-51075

BOLT

SN: 26689-UP

2шт.

17

01640-21016

WASHER

SN: 26689-UP

6шт.

18

6151-11-4410

HOSE

SN: 26689-UP

1шт.

19

07281-00909

CLAMP

SN: 26689-UP

2шт.

20

6151-81-4510

BRACKET

SN: 26689-UP

1шт.

21

01010-51020

BOLT

SN: 26689-UP

1шт.

22

600-815-2170

SWITCH

SN: 26689-UP

1шт.

23

01010-50610

BOLT

SN: 26689-UP

2шт.

24

01640-20610

WASHER

SN: 26689-UP

2шт.

25

6151-81-4530

WIRE, 170MM

SN: 26689-UP

1шт.

26

6151-81-4490

WIRE, 160MM

SN: 26689-UP

1шт.

27

08038-10519

CAP

SN: 26689-UP

3шт.

Выбрано товаров: 28