Запчасти Komatsu S6D125-1S-FA ТОПЛ. НАСОС (РЕГУЛЯТОР) (/) (ВНУТР. ЧАСТИ)(№89-778) ДВИГАТЕЛЬ

Схема запчастей Komatsu S6D125-1S-FA - ТОПЛ. НАСОС (РЕГУЛЯТОР) (/) (ВНУТР. ЧАСТИ)(№89-778) ДВИГАТЕЛЬ
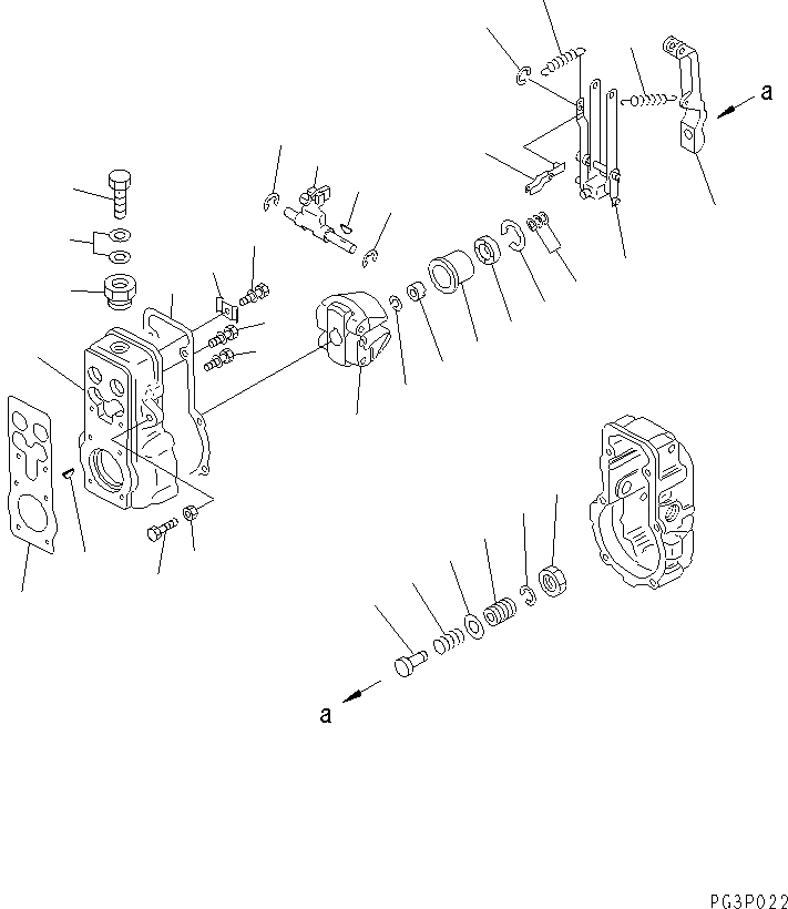
1
2
3
4
5
6
7
8
9
10
11
12
13
14
15
16
17
18
18
19
20
21
22
23
24
25
26
27
28
29
30
31
32
33
34
35
FIT
1:1
100%

Артикул

Название

Примечание

Количество

|$0

6151-71-1211

INJECTION PUMP ASS'Y

SN: 23689-27784

1шт.

|$1

ND090800-9331

GOVERNOR ASS'Y

SN: 23689-27784

1шт.

1

ND090810-0390

HOUSING,GOVERNOR

SN: 23689-27784

1шт.

2

ND090878-0040

PLATE

SN: 23689-27784

1шт.

3

ND091024-0031

SCREW,ADJUSTING

SN: 23689-27784

1шт.

4

ND090901-0200

LEVER ASS'Y,TENSION

SN: 23689-27784

1шт.

5

ND090930-0490

LEVER ASS'Y,CONTROL

SN: 23689-27784

1шт.

6

ND090894-0010

E-RING

SN: 23689-27784

1шт.

7

ND948053-0051

NUT

SN: 23689-27784

2шт.

8

ND090970-0350

SHACKLE ASS'Y

SN: 23689-27784

1шт.

9

ND949130-0050

KEY

SN: 23689-27784

1шт.

10

ND090840-0520

FLYWEIGHT ASS'Y

SN: 23689-27784

1шт.

11

ND949015-0500

WASHER, 2.5MM,SPRING

SN: 23689-27784

1шт.

12

ND090844-0010

NUT

SN: 23689-27784

1шт.

13

ND090860-0200

SLEEVE SUB ASS'Y,GOVERNOR

SN: 23689-27784

1шт.

14

ND090868-0040

PLATE,THRUST

SN: 23689-27784

1шт.

15

ND90567-30000

RING

SN: 23689-27784

1шт.

16

ND949013-4090

WASHER, 0.1MM

SN: 23689-27784

-2шт.

16

ND949013-4060

WASHER, 0.2MM

SN: 23689-27784

-2шт.

16

ND949013-4070

WASHER, 0.3MM

SN: 23689-27784

-2шт.

16

ND949013-4080

WASHER, 0.4MM

SN: 23689-27784

-2шт.

16

ND949013-4100

WASHER, 1.0MM

SN: 23689-27784

-2шт.

17

ND090880-0120

LEVER,SWIVEL

SN: 23689-27784

1шт.

18

ND949071-0090

WASHER,SNAP

SN: 23689-27784

2шт.

19

ND090992-0410

SPRING,SPEED CONTROL

SN: 23689-27784

1шт.

20

ND090993-0280

SPRING,START

SN: 23689-27784

1шт.

|$26

ND090910-1530

ADAPTER ASS'Y

SN: 23689-27784

1шт.

21

ND090911-0010

SCREW,ADJUST

SN: 23689-27784

1шт.

22

ND090919-0010

ADAPTER

SN: 23689-27784

1шт.

23

ND090918-1810

SPRING,GOVERNOR

SN: 23689-27784

1шт.

24

ND090894-0010

E-RING

SN: 23689-27784

1шт.

25

ND949013-3880

WASHER, 0.1MM

SN: 23689-27784

-2шт.

25

ND949013-4040

WASHER, 0.2MM

SN: 23689-27784

-2шт.

25

ND949013-4030

WASHER, 0.5MM

SN: 23689-27784

-2шт.

25

ND949013-7880

WASHER, 1.0MM

SN: 23689-27784

-2шт.

26

ND090923-0011

NUT,LOCK

SN: 23689-27784

1шт.

27

ND090224-0140

PLUG

SN: 23689-27784

1шт.

28

ND949130-0030

KEY,WOODRUFF

SN: 23689-27784

1шт.

29

ND090119-0040

GASKET

SN: 23689-27784

1шт.

30

ND090823-0230

GASKET

SN: 23689-27784

1шт.

31

ND090245-0230

SCREW

SN: 23689-27784

1шт.

32

ND090222-0120

WASHER

SN: 23689-27784

2шт.

33

ND949047-0620

BOLT,WITH WASHER

SN: 23689-27784

2шт.

34

ND91418-06201

BOLT,WITH WASHER

SN: 23689-27784

2шт.

35

ND91518-06161

BOLT,WITH WASHER

SN: 23689-27784

4шт.

Выбрано товаров: 45