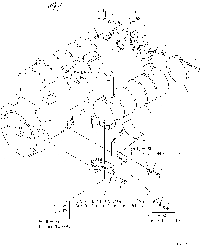
Запчасти Komatsu S6D125-1S ГЛУШИТЕЛЬ И КРЕПЛЕНИЕ(№89-) ГОЛОВКА ЦИЛИНДРОВ

Схема запчастей Komatsu S6D125-1S - ГЛУШИТЕЛЬ И КРЕПЛЕНИЕ(№89-) ГОЛОВКА ЦИЛИНДРОВ
1
2
3
4
4
4
4
4
4A
4A
4A
5
6
7
8
9
9
10
11
12
13
13
14
14
15
16
17
17
18
19
20
21
22
FIT
1:1
100%

Артикул

Название

Примечание

Количество

1

6151-11-5721

MUFFLER

SN: 26689-UP

1шт.

2

6150-11-5820

BRACKET

SN: 26689-UP

1шт.

3

6150-11-5830

BRACKET

SN: 26689-UP

1шт.

4

01010-51025

BOLT

SN: 13137-UP

8шт.

4A

01640-21016

WASHER

SN: 13137-UP

2шт.

5

6151-11-5422

ELBOW

SN: 26689-UP

1шт.

6

6150-11-5850

CLAMP

SN: 26689-UP

1шт.

7

01010-31245

BOLT

SN: 13137-UP

2шт.

8

01580-01210

NUT

SN: 13137-UP

2шт.

9

01643-31232

WASHER

SN: 13137-UP

4шт.

10

6151-11-5280

RING,SEAL

SN: 23689-UP

1шт.

11

6151-11-5471

BRACKET

SN: 26689-UP

1шт.

12

6127-11-4421

PLATE

SN: 26689-UP

1шт.

13

01010-61025

BOLT

SN: 13137-UP

2шт.

14

01643-31032

WASHER

SN: 13137-UP

2шт.

15

01010-61030

BOLT

SN: 26689-UP

1шт.

16

01580-01008

NUT

SN: 26689-UP

1шт.

17

01643-31032

WASHER

SN: 26689-UP

2шт.

18

6150-11-5840

BAND ASS'Y

SN: 26689-UP

1шт.

|18

6110-11-4520

PIN

SN: 26689-UP

1шт.

|18

6110-11-4530

PIN¤ WITH THREAD

SN: 26689-UP

1шт.

19

6643-11-4641

BOLT

SN: 26689-UP

1шт.

20

01010-51030

BOLT

SN: 29936-UP

2шт.

|20

01010-51025

BOLT

SN: 26689-29935

2шт.

21

01580-11008

NUT

SN: 29936-UP

2шт.

22

01643-31032

WASHER

SN: 29936-UP

2шт.

Выбрано товаров: 26