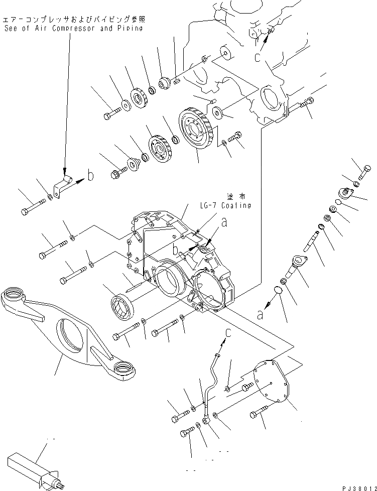
Запчасти Komatsu S6D125-1TT ПЕРЕДН. КРЫШКАAND ПЕРЕДН. СУППОРТ(№-) БЛОК ЦИЛИНДРОВ

Схема запчастей Komatsu S6D125-1TT - ПЕРЕДН. КРЫШКАAND ПЕРЕДН. СУППОРТ(№-) БЛОК ЦИЛИНДРОВ
1
2
3
3
3
4
5
5
5
5
5
6
7
8
9
10
11
12
13
14
15
16
17
18
19
20
21
22
23
24
25
26
27
28
29
30
31
31
32
33
34
35
36
37
38
39
40
40
41
42
43
44
45
46
FIT
1:1
100%

Артикул

Название

Примечание

Количество

1

6150-21-3181

COVER,FRONT

SN: 43983-UP

1шт.

|1

0

COVER,FRONT

SN: 33463-43982

1шт.

2

01010-51065

BOLT

SN: 32964-UP

8шт.

3

01010-51075

BOLT

SN: 32964-UP

6шт.

4

01010-51070

BOLT

SN: 32964-UP

4шт.

5

01640-21016

WASHER

SN: 32964-UP

18шт.

6

6150-81-9130

BOLT

SN: 32964-UP

4шт.

7

6150-21-3530

COVER

SN: 33463-UP

1шт.

8

01010-51020

BOLT

SN: 33463-UP

5шт.

9

6150-21-3220

BOLT

SN: 32964-UP

2шт.

10

6150-21-3390

POINTER

SN: 32964-UP

1шт.

11

6150-21-3230

SEAL¤ FRONT (K2)

SN: 32964-UP

1шт.

|12

6150-81-5100

DRIVE ASS'Y,TACHOMETER

SN: 32964-UP

1шт.

12

6150-81-5120

SHAFT

SN: 32964-UP

1шт.

13

6110-73-3220

GEAR

SN: 32964-UP

1шт.

14

6150-81-5110

BUSHING

SN: 32964-UP

1шт.

15

6150-71-1910

SEAL (K2)

SN: 32964-UP

1шт.

16

6162-73-1960

WASHER,FELT (K2)

SN: 32964-UP

1шт.

17

6162-73-1970

SPACER

SN: 32964-UP

1шт.

18

07000-03030

O-RING (K2)

SN: 32964-UP

1шт.

19

6150-81-5140

HOUSING

SN: 32964-UP

1шт.

20

07000-02020

O-RING (K2)

SN: 32964-UP

1шт.

21

01014-51030

BOLT

SN: 32964-UP

1шт.

22

01640-21016

WASHER

SN: 32964-UP

1шт.

23

6150-31-6110

GEAR

SN: 32964-UP

1шт.

24

6150-31-6120

BUSHING

SN: 32964-UP

1шт.

25

6150-21-2510

SHAFT

SN: 32964-UP

1шт.

26

04025-00512

PIN,SPRING

SN: 32964-UP

1шт.

27

6150-21-2520

PLATE

SN: 32964-UP

1шт.

28

01010-31460

BOLT

SN: 32964-UP

1шт.

29

6150-31-6311

GEAR

SN: 44200-UP

1шт.

|29

6150-31-6310

GEAR

SN: 32964-44199

1шт.

|30

6150-31-6201

GEAR ASS'Y

SN: 44200-UP

1шт.

|30

6150-31-6200

GEAR ASS'Y

SN: 32964-44199

1шт.

30

0

GEAR

SN: 44200-UP

1шт.

|30

0

GEAR

SN: 32964-44199

1шт.

31

6150-31-6220

BUSHING

SN: 32964-UP

2шт.

32

6127-21-1260

PIN

SN: 32964-UP

1шт.

33

01010-31030

BOLT

SN: 44200-UP

6шт.

|33

01010-30825

BOLT

SN: 32964-44199

6шт.

34

01643-51032

WASHER

SN: 44200-UP

6шт.

|34

01643-50823

WASHER

SN: 32964-44199

6шт.

35

6150-21-2421

PLATE

SN: 32964-UP

1шт.

36

6150-21-2411

SHAFT

SN: 32964-UP

1шт.

37

6150-21-2431

BOLT

SN: 32964-UP

1шт.

38

6151-81-3940

TUBE,OIL

SN: 33463-UP

1шт.

39

6130-71-5860

BOLT,JOINT

SN: 33463-UP

1шт.

40

07005-01012

GASKET (K2)

SN: 33463-UP

2шт.

41

04434-50610

CLIP

SN: 33463-UP

1шт.

42

01010-51025

BOLT

SN: 33463-UP

1шт.

43

01640-21016

WASHER

SN: 33463-UP

1шт.

44

01643-31032

WASHER

SN: 33463-UP

1шт.

45

23S-01-26110

SUPPORT,FRONT

SN: 32964-UP

1шт.

46

09920-00150

LIQUID GASKET,LG-7¤ 150G

SN: 32964-UP

-2шт.

Выбрано товаров: 54