Запчасти Komatsu S6D125-1VV-FC ВОДООТДЕЛИТЕЛЬ И КРЕПЛЕНИЕ(№7-) ДВИГАТЕЛЬ

Схема запчастей Komatsu S6D125-1VV-FC - ВОДООТДЕЛИТЕЛЬ И КРЕПЛЕНИЕ(№7-) ДВИГАТЕЛЬ
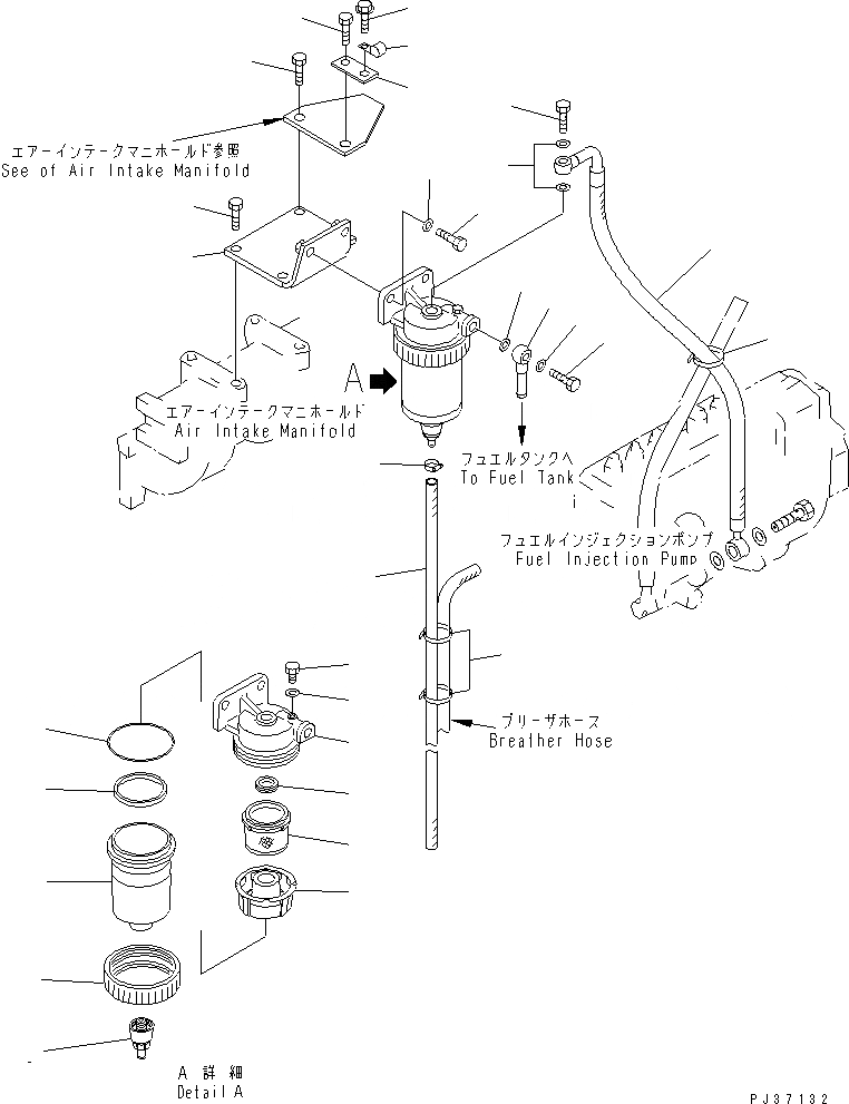
1
2
3
4
5
6
7
8
9
10
11
12
13
14
14
15
16
17
18
19
20
21
22
23
24
25
25
26
27
28
29
FIT
1:1
100%

Артикул

Название

Примечание

Количество

|$0

600-311-9731

WATER SEPARATOR A.

SN: 13137-UP

1шт.

1

600-311-9911

COVER,HEAD

SN: 13137-UP

1шт.

2

6110-73-6231

PLUG,AIR

SN: 13137-UP

1шт.

3

07005-00812

GASKET

SN: 13137-UP

1шт.

4

600-311-9920

CASE

SN: 13137-UP

1шт.

5

600-311-9760

PLUG,DRAIN

SN: 13137-UP

1шт.

6

600-311-9950

RING

SN: 13137-UP

1шт.

7

600-311-9890

O-RING

SN: 13137-UP

1шт.

8

600-311-9941

BAFFLE

SN: 13137-UP

1шт.

9

600-311-9961

GASKET

SN: 13137-UP

1шт.

10

600-311-9971

SCREEN

SN: 13137-UP

1шт.

11

600-311-9931

NUT

SN: 13137-UP

1шт.

12

6151-71-9240

BRACKET

SN: 13137-UP

1шт.

13

01010-51025

BOLT

SN: 13137-UP

2шт.

14

01010-51030

BOLT

SN: 13137-UP

3шт.

15

01640-21016

WASHER

SN: 13137-UP

2шт.

16

6136-81-4540

PLATE

SN: 13137-UP

1шт.

17

01010-51035

BOLT

SN: 13137-UP

1шт.

18

600-050-2210

CLIP

SN: 13137-UP

1шт.

19

01435-20812

BOLT

SN: 13137-UP

1шт.

20

6150-71-5460

HOSE

SN: 13137-UP

1шт.

21

07206-31014

BOLT,JOINT

SN: 13137-UP

1шт.

22

07005-01412

GASKET

SN: 13137-UP

2шт.

23

6141-71-1710

JOINT

SN: 13137-UP

1шт.

24

07206-31014

BOLT,JOINT

SN: 13137-UP

1шт.

25

07005-01412

GASKET

SN: 13137-UP

2шт.

26

07286-00870

HOSE

SN: 13137-UP

1шт.

27

07285-00125

CLIP

SN: 13137-UP

1шт.

28

08034-00414

BAND

SN: 13137-UP

2шт.

29

08034-00519

BAND

SN: 13137-UP

1шт.

Выбрано товаров: 30