Запчасти Komatsu S6D125-1VV-K ТОПЛ. НАСОС И ТРУБЫ ТОПЛИВН. СИСТЕМА

Схема запчастей Komatsu S6D125-1VV-K - ТОПЛ. НАСОС И ТРУБЫ ТОПЛИВН. СИСТЕМА
FIT
1:1
100%

Артикул

Название

Примечание

Количество

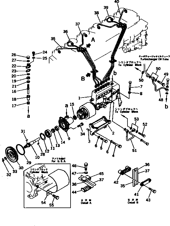
1

6151-73-1210

INJECTION PUMP A.,(SEE FIG.0451)

SN: 35323-UP

1шт.

|1

6151-73-1220

INJECTION PUMP A.,(FOR SWEDEN) (SEE FIG.0452)

SN: 35323-UP

1шт.

|1

6151-73-1230

INJECTION PUMP A.,(B) (SEE FIG.0454)

SN: 47234-UP

1шт.

2

6150-21-6120

BRACKET

SN: 35323-UP

1шт.

3

04020-01024

PIN,DOWEL (SEE FIG.0201)

SN: 35323-UP

2шт.

4

01010-51080

BOLT

SN: 35323-UP

2шт.

5

01010-51070

BOLT

SN: 35323-UP

2шт.

6

01643-31032

WASHER

SN: 35323-UP

4шт.

7

01010-30875

BOLT

SN: 35323-UP

4шт.

8

6110-71-5810

WASHER

SN: 35323-UP

4шт.

|9

6150-71-3100

CASE ASS'Y

SN: 35323-UP

1шт.

|9

6150-71-3200

CASE ASS'Y,(B)

SN: 47234-UP

1шт.

9

6150-71-3111

CASE

SN: 35323-UP

1шт.

10

6150-71-3120

SHAFT

SN: 35323-UP

1шт.

11

06030-06307

BEARING,BALL

SN: 35323-UP

1шт.

12

04065-08025

RING,SNAP

SN: 35323-UP

1шт.

13

6138-71-3230

GEAR

SN: 35323-UP

1шт.

14

06000-06005

BEARING,BALL

SN: 35323-UP

1шт.

15

6150-71-3150

SEAL,OIL (K2)

SN: 35323-UP

1шт.

|15

07012-40025

SEAL,OIL¤ (B)

SN: 47234-UP

1шт.

|16

6150-81-5200

DRIVE ASS'Y,TACHOMETER

SN: 35323-UP

1шт.

16

6150-71-1610

SHAFT

SN: 35323-UP

1шт.

17

6110-73-3220

GEAR

SN: 35323-UP

1шт.

18

6150-71-1620

BUSHING

SN: 35323-UP

1шт.

19

6150-71-1910

SEAL (K2)

SN: 35323-UP

1шт.

|19

6127-71-1190

SEAL,(B)

SN: 47234-UP

1шт.

20

6162-73-1960

WASHER,FELT (K2)

SN: 35323-UP

1шт.

21

6162-73-1970

SPACER

SN: 35323-UP

1шт.

22

6162-73-1920

HOUSING

SN: 35323-UP

1шт.

23

6162-73-1930

GASKET (K2)

SN: 35323-UP

1шт.

24

6110-73-3511

SCREW

SN: 35323-UP

2шт.

25

6110-73-3520

WASHER

SN: 35323-UP

2шт.

26

6136-81-5291

CAP

SN: 35323-UP

1шт.

27

6130-82-5270

GASKET

SN: 35323-UP

1шт.

28

04010-00516

KEY

SN: 35323-UP

1шт.

29

07000-62125

O-RING (K2)

SN: 44956-UP

1шт.

|29

07000-62125

O-RING

SN: 44014-44955

1шт.

|29

0

O-RING (K2)

SN: 35323-44013

1шт.

|29

07000-42125

O-RING,(B)

SN: 47234-UP

1шт.

30

6150-71-3210

GEAR

SN: 35323-UP

1шт.

31

04010-00519

KEY

SN: 35323-UP

1шт.

32

01583-12414

NUT

SN: 35323-UP

1шт.

33

01643-32460

WASHER

SN: 35323-UP

1шт.

34

01010-51025

BOLT

SN: 35323-UP

4шт.

35

6150-71-5111

TUBE,INJECTION¤ NO.1

SN: 35323-UP

1шт.

36

6150-71-5121

TUBE,INJECTION¤ NO.2

SN: 35323-UP

1шт.

37

6150-71-5131

TUBE,INJECTION¤ NO.3

SN: 35323-UP

1шт.

38

6150-71-5141

TUBE,INJECTION¤ NO.4

SN: 35323-UP

1шт.

39

6150-71-5151

TUBE,INJECTION¤ NO.5

SN: 35323-UP

1шт.

40

6150-71-5161

TUBE,INJECTION¤ NO.6

SN: 35323-UP

1шт.

41

6151-73-5510

CLAMP

SN: 35323-UP

2шт.

|41

6151-71-5550

CLAMP,(B)

SN: 47234-UP

2шт.

42

6151-73-5520

CLAMP

SN: 35323-UP

2шт.

|42

6151-71-5560

CLAMP,(B)

SN: 47234-UP

2шт.

43

01010-51055

BOLT

SN: 35323-UP

4шт.

44

6134-71-5721

CLIP¤ WITH THREAD

SN: 35323-UP

4шт.

|44

6151-71-5940

CLIP¤ WITH THREAD,(B)

SN: 47234-UP

4шт.

45

6134-71-5711

CLIP

SN: 35323-UP

4шт.

|45

6151-71-5930

CLIP,(B)

SN: 47234-UP

4шт.

46

01010-50630

BOLT

SN: 35323-UP

4шт.

47

01602-20619

WASHER,SPRING

SN: 35323-UP

4шт.

48

6151-71-5660

TUBE

SN: 35323-UP

1шт.

49

6127-71-5710

BOLT,JOINT (SEE FIG.0325 OR 0325A)

SN: 35323-UP

1шт.

50

07005-01412

GASKET,(SEE FIG.0325 OR 0325A) (K1)

SN: 35323-UP

3шт.

51

6150-71-5710

TUBE

SN: 35323-UP

1шт.

52

07206-31014

BOLT,JOINT

SN: 35323-UP

1шт.

53

07005-01412

GASKET (K2)

SN: 35323-UP

2шт.

54

6151-71-3810

COVER,SAFETY (FOR U.S.A.)

SN: 35323-UP

1шт.

55

01010-51020

BOLT,(FOR U.S.A.)

SN: 35323-UP

2шт.

Выбрано товаров: 69