Запчасти Komatsu S6D125-1VV ЭЛЕКТР. ЭЛЕКТРОПРОВОДКА ЭЛЕКТРИКА

Схема запчастей Komatsu S6D125-1VV - ЭЛЕКТР. ЭЛЕКТРОПРОВОДКА ЭЛЕКТРИКА
FIT
1:1
100%

Артикул

Название

Примечание

Количество

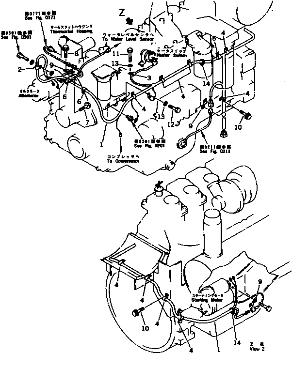
1

6151-83-4111

WIRE ASS'Y

SN: 35323-UP

1шт.

|1

6151-83-4120

WIRE ASS'Y,(FOR 35A¤ 50A ALTERNATOR)

SN: 35323-UP

1шт.

2

600-050-2220

CLAMP

SN: 35323-UP

1шт.

3

600-050-2220

CLAMP

SN: 35323-UP

1шт.

|3

600-050-2210

CLIP,(WITH WATER SEPARATOR SPEC.)

SN: 35323-UP

1шт.

4

600-050-2420

CLIP

SN: 35323-UP

9шт.

5

600-050-2620

CLIP

SN: 35323-UP

1шт.

6

600-050-2410

CLIP

SN: 35323-UP

2шт.

7

01435-20812

BOLT

SN: 35323-UP

2шт.

8

01435-20812

BOLT,(SEE FIG.0501)

SN: 35323-UP

1шт.

9

08053-01510

CLIP

SN: 35323-UP

3шт.

10

01435-21016

BOLT

SN: 35323-UP

5шт.

11

01010-51020

BOLT

SN: 35323-UP

1шт.

12

01010-51016

BOLT

SN: 35323-UP

1шт.

13

01640-21016

WASHER

SN: 35323-UP

2шт.

14

08034-00414

BAND

SN: 35323-UP

2шт.

Выбрано товаров: 16