Запчасти Komatsu S6D125-1VV-T КОРОМЫСЛО И КОЖУХ ГОЛОВКА ЦИЛИНДРОВ

Схема запчастей Komatsu S6D125-1VV-T - КОРОМЫСЛО И КОЖУХ ГОЛОВКА ЦИЛИНДРОВ
FIT
1:1
100%

Артикул

Название

Примечание

Количество

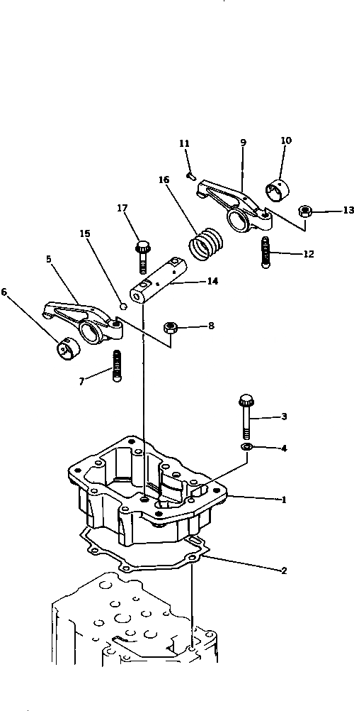
1

6150-11-7110

HOUSING,ROCKER ARM

SN: 35323-UP

6шт.

2

6150-11-7810

GASKET (K1)

SN: 35323-UP

6шт.

3

6150-81-9140

BOLT

SN: 35323-UP

42шт.

4

01643-31032

WASHER

SN: 35323-UP

42шт.

|5

6150-41-5400

ARM ASS'Y,INTAKE

SN: 35323-UP

6шт.

5

0

ARM,ROCKER

SN: 35323-UP

1шт.

6

6150-41-5420

BUSHING

SN: 35323-UP

1шт.

7

6150-41-5540

SCREW

SN: 35323-UP

6шт.

8

01582-01008

NUT

SN: 35323-UP

6шт.

|9

6150-41-5500

ARM ASS'Y,EXHAUST

SN: 35323-UP

6шт.

9

0

ARM,ROCKER

SN: 35323-UP

1шт.

10

6150-41-5420

BUSHING

SN: 35323-UP

1шт.

11

6162-43-5340

RIVET

SN: 35323-UP

1шт.

12

6150-41-5540

SCREW

SN: 35323-UP

6шт.

13

01582-01008

NUT

SN: 35323-UP

6шт.

|14

6150-41-5300

ROCKER ARM SHAFT A.

SN: 35323-UP

6шт.

14

0

SHAFT

SN: 35323-UP

1шт.

15

6150-81-8420

BALL

SN: 35323-UP

1шт.

16

6150-41-5320

SPRING

SN: 35323-UP

6шт.

17

6150-81-9370

BOLT

SN: 35323-UP

12шт.

Выбрано товаров: 20