Запчасти Komatsu S6D125-1XX-FA СИСТЕМА СМАЗКИ МАСЛОПРОВОДЯЩАЯ ЛИНИЯ(№88-) ДВИГАТЕЛЬ

Схема запчастей Komatsu S6D125-1XX-FA - СИСТЕМА СМАЗКИ МАСЛОПРОВОДЯЩАЯ ЛИНИЯ(№88-) ДВИГАТЕЛЬ
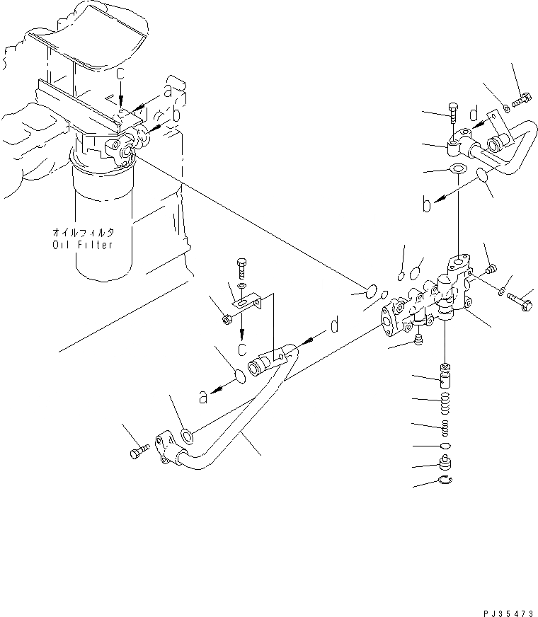
1
2
2
3
4
5
6
7
8
9
10
11
12
13
14
15
16
17
17
18
18
19
19
20
21
22
23
FIT
1:1
100%

Артикул

Название

Примечание

Количество

|$0

6151-51-5603

ADAPTER ASS'Y

SN: 38383-UP

1шт.

1

0

BODY

SN: 38383-UP

1шт.

2

07043-00312

PLUG

SN: 38383-UP

2шт.

3

6150-51-5622

VALVE

SN: 38383-UP

1шт.

4

6151-51-5680

SPRING,OUTER

SN: 38383-UP

1шт.

5

6151-51-5690

SPRING,INNER

SN: 38383-UP

1шт.

6

6150-51-5641

PLUG

SN: 38383-UP

1шт.

7

07000-62020

O-RING

SN: 38383-UP

1шт.

8

04065-02412

RING,SNAP

SN: 38383-UP

1шт.

9

07000-62015

O-RING (K2)

SN: 38383-UP

1шт.

10

07000-62020

O-RING (K2)

SN: 38383-UP

1шт.

11

07000-63028

O-RING (K2)

SN: 38383-UP

1шт.

12

07000-63035

O-RING (K2)

SN: 38383-UP

1шт.

13

6150-81-9370

BOLT

SN: 38383-UP

7шт.

14

01640-21016

WASHER

SN: 38383-UP

7шт.

15

6151-51-5770

TUBE

SN: 38383-UP

1шт.

16

6151-51-5762

TUBE

SN: 38383-UP

1шт.

17

6124-61-2181

GROMMET (K2)

SN: 38383-UP

2шт.

18

01010-51050

BOLT

SN: 38383-UP

4шт.

19

07000-63025

O-RING (K2)

SN: 38383-UP

2шт.

20

6136-71-5730

BRACKET

SN: 38383-UP

1шт.

21

01010-51025

BOLT

SN: 38383-UP

1шт.

22

01643-31032

WASHER

SN: 38383-UP

1шт.

23

01580-11008

NUT

SN: 38383-UP

1шт.

Выбрано товаров: 24