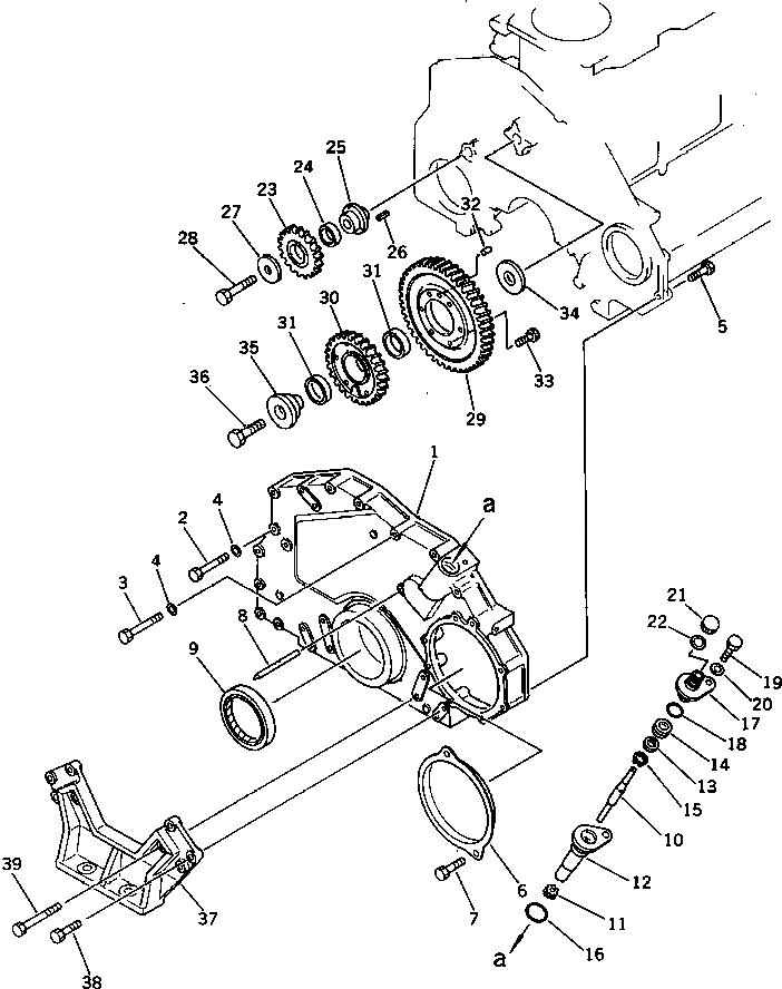
Запчасти Komatsu S6D125-1Y-B ПЕРЕДН. КРЫШКАAND ПЕРЕДН. СУППОРТ БЛОК ЦИЛИНДРОВ

Схема запчастей Komatsu S6D125-1Y-B - ПЕРЕДН. КРЫШКАAND ПЕРЕДН. СУППОРТ БЛОК ЦИЛИНДРОВ
FIT
1:1
100%

Артикул

Название

Примечание

Количество

1

6150-21-3111

COVER,FRONT

SN: 19764-UP

1шт.

2

01010-51070

BOLT

SN: 19764-UP

7шт.

3

01010-51075

BOLT

SN: 19764-UP

4шт.

4

01640-21016

WASHER

SN: 19764-UP

11шт.

5

6150-81-9130

BOLT

SN: 19764-UP

4шт.

6

6150-21-3510

COVER

SN: 19764-UP

1шт.

7

01010-51020

BOLT

SN: 19764-UP

2шт.

8

6150-21-3390

POINTER

SN: 19764-UP

1шт.

9

6150-21-3230

SEAL¤ FRONT (K2)

SN: 19764-UP

1шт.

|10

6150-81-5100

DRIVE ASS'Y

SN: 19764-UP

1шт.

10

6150-81-5120

SHAFT

SN: 19764-UP

1шт.

11

6110-73-3220

GEAR

SN: 19764-UP

1шт.

12

6150-81-5110

BUSHING

SN: 19764-UP

1шт.

13

6150-71-1910

SEAL (K2)

SN: 19764-UP

1шт.

14

6162-73-1960

WASHER,FELT (K2)

SN: 19764-UP

1шт.

15

6162-73-1970

SPACER

SN: 19764-UP

1шт.

16

07000-03030

O-RING (K2)

SN: 19764-UP

1шт.

17

6150-81-5150

HOUSING

SN: 19764-UP

1шт.

18

07000-02020

O-RING (K2)

SN: 19764-UP

1шт.

19

01014-51030

BOLT

SN: 19764-UP

1шт.

20

01640-21016

WASHER

SN: 19764-UP

1шт.

21

6136-81-5291

CAP

SN: 19764-UP

1шт.

22

6130-82-5270

GASKET (K2)

SN: 19764-UP

1шт.

23

6150-31-6110

GEAR

SN: 19764-UP

1шт.

24

6150-31-6120

BUSHING

SN: 19764-UP

1шт.

25

6150-21-2510

SHAFT

SN: 19764-UP

1шт.

26

04025-00512

PIN,(SEE FIG.0201)

SN: 19764-UP

1шт.

27

6150-21-2520

PLATE

SN: 19764-UP

1шт.

28

01010-31460

BOLT

SN: 19764-UP

1шт.

29

6150-31-6310

GEAR

SN: 19764-UP

1шт.

|30

6150-31-6200

GEAR ASS'Y

SN: 19764-UP

1шт.

30

0

GEAR

SN: 19764-UP

1шт.

31

6150-31-6220

BUSHING

SN: 19764-UP

2шт.

32

6127-21-1260

PIN

SN: 19764-UP

1шт.

33

01010-30825

BOLT

SN: 19764-UP

6шт.

34

6150-21-2420

PLATE

SN: 19764-UP

1шт.

35

6150-21-2410

SHAFT

SN: 19764-UP

1шт.

36

6150-21-2430

BOLT

SN: 19764-UP

1шт.

37

6150-21-3720

SUPPORT,FRONT

SN: 19764-UP

1шт.

38

01010-51035

BOLT

SN: 19764-UP

2шт.

39

01010-51085

BOLT

SN: 19764-UP

6шт.

40

09920-00150

LIQUID GASKET,LG-7¤150G

SN: 19764-UP

-2шт.

Выбрано товаров: 42