Запчасти Komatsu S6D125E-2L-6 ТОПЛИВН. ФИЛЬТР.(№-) ДВИГАТЕЛЬ

Схема запчастей Komatsu S6D125E-2L-6 - ТОПЛИВН. ФИЛЬТР.(№-) ДВИГАТЕЛЬ
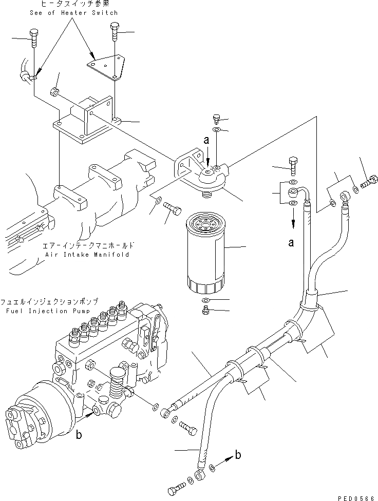
1
2
2
3
4
5
5
6
6
7
8
9
10
11
12
13
14
15
16
17
18
19
20
1
2
3
4
5
6
7
8
9
10
11
12
13
14
15
15
16
16
17
17
18
18
FIT
1:1
100%

Артикул

Название

Примечание

Количество

|1

6138-71-6301

FUEL FILTER ASS'Y

SN: 1001-UP

1шт.

|1

0

FUEL FILTER ASS'Y

SN: 1001-UP

1шт.

1

6138-71-6110

BRACKET

SN: 1001-UP

1шт.

2

6110-73-6231

PLUG

SN: 1001-UP

1шт.

3

07005-00812

GASKET

SN: 1001-UP

1шт.

4

600-311-8321

CARTRIDGE

SN: 1001-UP

1шт.

|4

0

CARTRIDGE

SN: 1001-UP

1шт.

5

6110-73-6231

PLUG

SN: 1001-UP

1шт.

6

07005-00812

GASKET

SN: 1001-UP

1шт.

7

6150-71-6210

BRACKET

SN: 1001-UP

1шт.

8

01010-81030

BOLT

SN: 1001-UP

2шт.

9

01010-81025

BOLT

SN: 1001-UP

1шт.

|9

01010-81025

BOLT

SN: 1001-UP

2шт.

10

01010-81030

BOLT

SN: 1001-UP

2шт.

11

01580-11008

NUT

SN: 1001-UP

2шт.

12

01640-21016

WASHER

SN: 1001-UP

2шт.

13

6150-71-5470

HOSE

SN: 1001-UP

1шт.

14

07271-01475

HOSE

SN: 1001-UP

1шт.

15

07206-31014

BOLT,JOINT

SN: 1001-UP

2шт.

16

07005-01412

GASKET (K2)

SN: 1001-UP

4шт.

17

08034-00519

BAND

SN: 1001-UP

4шт.

18

205-62-72140

COVER

SN: 65504-UP

2шт.

Выбрано товаров: 22