Запчасти Komatsu S6D125E-2L-6 ПЕРЕДН. КРЫШКАКРЕПЛЕНИЕ(№778-) ДВИГАТЕЛЬ

Схема запчастей Komatsu S6D125E-2L-6 - ПЕРЕДН. КРЫШКАКРЕПЛЕНИЕ(№778-) ДВИГАТЕЛЬ
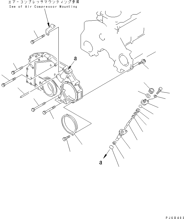
1
2
3
4
5
5
5
6
7
8
9
10
11
12
13
14
15
16
17
18
19
20
FIT
1:1
100%

Артикул

Название

Примечание

Количество

1

6150-21-3510

COVER

SN: 75758-UP

1шт.

2

01010-81020

BOLT

SN: 75758-UP

2шт.

3

6150-22-3390

POINTER

SN: 75758-UP

1шт.

4

01010-81070

BOLT

SN: 75758-UP

4шт.

5

01010-81075

BOLT

SN: 75758-UP

6шт.

6

01010-81065

BOLT

SN: 75758-UP

8шт.

7

6150-81-9130

BOLT

SN: 75758-UP

4шт.

|$8

6150-81-5100

DRIVE ASS'Y,TACHOMETER

SN: 75758-UP

1шт.

8

6150-81-5120

SHAFT

SN: 75758-UP

1шт.

9

6110-73-3220

GEAR

SN: 75758-UP

1шт.

10

6150-81-5110

BUSHING

SN: 75758-UP

1шт.

11

6150-71-1910

SEAL (K2)

SN: 75758-UP

1шт.

12

6162-73-1960

WASHER,FELT (K2)

SN: 75758-UP

1шт.

13

6162-73-1970

SPACER

SN: 75758-UP

1шт.

14

07000-03030

O-RING (K2)

SN: 75758-UP

1шт.

15

6150-81-5150

HOUSING

SN: 75758-UP

1шт.

16

07000-02020

O-RING (K2)

SN: 75758-UP

1шт.

17

01014-81030

BOLT

SN: 75758-UP

1шт.

18

01640-21016

WASHER

SN: 75758-UP

1шт.

19

6130-82-5260

CAP

SN: 75758-UP

1шт.

20

6130-82-5270

GASKET

SN: 75758-UP

1шт.

Выбрано товаров: 21