Запчасти Komatsu S6D125E-2L ТРУБОПРОВОД ВПУСКА ВОЗДУХА(№-) ДВИГАТЕЛЬ

Схема запчастей Komatsu S6D125E-2L - ТРУБОПРОВОД ВПУСКА ВОЗДУХА(№-) ДВИГАТЕЛЬ
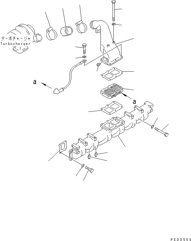
1
2
3
4
5
6
7
7
8
9
10
11
11
12
13
14
14
15
16
16
FIT
1:1
100%

Артикул

Название

Примечание

Количество

|1

6151-11-4910

INTAKE MANIFOLD A.

SN: 65504-66166

1шт.

1

0

MANIFOLD,AIR INTAKE

SN: 65504-66166

1шт.

2

07042-00108

PLUG

SN: 65504-66166

2шт.

3

07042-00415

PLUG

SN: 65504-66166

1шт.

4

6150-13-4810

GASKET (K1)

SN: 65504-66166

6шт.

5

01010-81030

BOLT

SN: 65504-66166

14шт.

6

01011-81010

BOLT

SN: 65504-66166

8шт.

7

01640-21016

WASHER

SN: 65504-66166

22шт.

8

6151-11-4362

CONNECTOR,AIR

SN: 65504-66166

1шт.

9

07042-00108

PLUG

SN: 65504-66166

1шт.

10

600-815-3811

HEATER,RIBBON

SN: 65504-66166

1шт.

11

6150-11-4821

GASKET (K1)

SN: 65504-66166

2шт.

12

01010-81055

BOLT

SN: 65504-66166

4шт.

|12

01011-81055

BOLT,(WITH CORROSION RESISTOR)

SN: 65504-66166

2шт.

|12

01010-81080

BOLT,(WITH CORROSION RESISTOR)

SN: 65504-66166

2шт.

13

01011-81075

BOLT

SN: 65504-66166

2шт.

|13

01011-81080

BOLT,(WITH CORROSION RESISTOR)

SN: 65504-66166

2шт.

14

01640-21016

WASHER

SN: 65504-66166

6шт.

15

6151-11-4410

HOSE

SN: 65504-66166

1шт.

16

07281-00909

CLAMP

SN: 65504-66166

2шт.

Выбрано товаров: 20