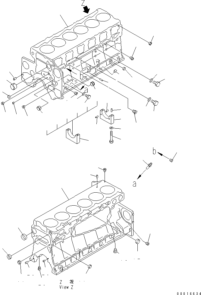
Запчасти Komatsu S6D140-1A-F БЛОК ЦИЛИНДРОВ (/)(№9-) ДВИГАТЕЛЬ

Схема запчастей Komatsu S6D140-1A-F - БЛОК ЦИЛИНДРОВ (/)(№9-) ДВИГАТЕЛЬ
1
1
2
3
4
5
6
7
8
9
10
11
11
12
12
13
14
15
15
15
15
16
17
18
19
20
21
22
23
23A
24
25
26
27
28
28
28
29
30
30
31
31
32
33
1
1
2
3
4
5
6
7
8
9
10
11
11
12
12
13
14
15
15
15
15
16
17
18
19
20
21
22
23
23A
24
25
26
27
28
28
28
29
30
30
31
31
32
33
FIT
1:1
100%

Артикул

Название

Примечание

Количество

|$3

6211-21-1104

CYLINDER BLOCK ASS'Y

SN: 29668-UP

1шт.

|$4

6211-21-1103

CYLINDER BLOCK ASS'Y

SN: 25900-29667

1шт.

1

0

BLOCK,CYLINDER

SN: 25900-UP

1шт.

2

6210-21-1491

BUSHING,CAMSHAFT

SN: 29297-UP

7шт.

2

0

BUSHING,CAMSHAFT

SN: 25900-29296

7шт.

3

0

CAP,MAIN METAL, NO.1,2,3,4,5,6

SN: 25900-UP

6шт.

4

0

CAP,MAIN METAL, NO.7

SN: 25900-UP

1шт.

5

6212-22-1110

PIN,DOWEL

SN: 29668-UP

2шт.

5

04020-00514

PIN,DOWEL

SN: 25900-29667

2шт.

6

6210-21-1710

BOLT

SN: 25900-UP

14шт.

7

01643-31845

WASHER

SN: 25900-UP

14шт.

8

6210-21-1790

BUSHING

SN: 25900-UP

1шт.

9

6210-21-1781

BUSHING

SN: 29965-UP

1шт.

9

0

BUSHING

SN: 25900-29964

1шт.

10

07043-01019

PLUG

SN: 29297-UP

1шт.

10

0

PLUG

SN: 25900-29296

1шт.

11

6210-81-9210

PLUG

SN: 25900-UP

2шт.

12

07046-43516

PLUG

SN: 25900-UP

7шт.

13

07046-42516

PLUG

SN: 25900-UP

2шт.

14

07046-42010

PLUG

SN: 25900-UP

1шт.

15

07043-70108

PLUG

SN: 25900-UP

11шт.

16

07042-70108

PLUG

SN: 25900-UP

2шт.

17

07046-11816

PLUG

SN: 25900-UP

2шт.

18

07046-41810

PLUG

SN: 25900-UP

2шт.

19

07046-47020

PLUG

SN: 25900-UP

1шт.

20

07043-00415

PLUG

SN: 25900-UP

1шт.

21

07043-70211

PLUG

SN: 35071-UP

1шт.

21

07043-00211

PLUG

SN: 25900-35070

1шт.

22

07046-41008

PLUG

SN: 25900-UP

1шт.

23

04020-00820

PIN,DOWEL

SN: 25900-UP

12шт.

23A

6150-41-2430

PIN

SN: 25900-UP

12шт.

24

6210-21-1910

PIN

SN: 25900-UP

3шт.

25

6150-21-4770

PIN

SN: 25900-UP

2шт.

26

04020-01024

PIN

SN: 25900-UP

2шт.

27

6150-21-5910

BUSHING

SN: 25900-UP

1шт.

28

6210-21-1390

PIN

SN: 25900-UP

6шт.

29

07046-42816

PLUG

SN: 25900-UP

2шт.

30

07040-11409

PLUG

SN: 25900-UP

4шт.

31

07005-01412

GASKET (K2)

SN: 25900-UP

4шт.

32

07040-11007

PLUG

SN: 25900-UP

1шт.

33

07005-01012

GASKET (K2)

SN: 25900-UP

1шт.

|$3

6211-21-1104

CYLINDER BLOCK ASS'Y

SN: 29668-UP

1шт.

|$4

6211-21-1103

CYLINDER BLOCK ASS'Y

SN: 25900-29667

1шт.

1

0

BLOCK,CYLINDER

SN: 25900-UP

1шт.

2

6210-21-1491

BUSHING,CAMSHAFT

SN: 29297-UP

7шт.

2

0

BUSHING,CAMSHAFT

SN: 25900-29296

7шт.

3

0

CAP,MAIN METAL, NO.1,2,3,4,5,6

SN: 25900-UP

6шт.

4

0

CAP,MAIN METAL, NO.7

SN: 25900-UP

1шт.

5

6212-22-1110

PIN,DOWEL

SN: 29668-UP

2шт.

5

04020-00514

PIN,DOWEL

SN: 25900-29667

2шт.

6

6210-21-1710

BOLT

SN: 25900-UP

14шт.

7

01643-31845

WASHER

SN: 25900-UP

14шт.

8

6210-21-1790

BUSHING

SN: 25900-UP

1шт.

9

6210-21-1781

BUSHING

SN: 29965-UP

1шт.

9

0

BUSHING

SN: 25900-29964

1шт.

10

07043-01019

PLUG

SN: 29297-UP

1шт.

10

0

PLUG

SN: 25900-29296

1шт.

11

6210-81-9210

PLUG

SN: 25900-UP

2шт.

12

07046-43516

PLUG

SN: 25900-UP

7шт.

13

07046-42516

PLUG

SN: 25900-UP

2шт.

14

07046-42010

PLUG

SN: 25900-UP

1шт.

15

07043-70108

PLUG

SN: 25900-UP

11шт.

16

07042-70108

PLUG

SN: 25900-UP

2шт.

17

07046-11816

PLUG

SN: 25900-UP

2шт.

18

07046-41810

PLUG

SN: 25900-UP

2шт.

19

07046-47020

PLUG

SN: 25900-UP

1шт.

20

07043-00415

PLUG

SN: 25900-UP

1шт.

21

07043-70211

PLUG

SN: 35071-UP

1шт.

21

07043-00211

PLUG

SN: 25900-35070

1шт.

22

07046-41008

PLUG

SN: 25900-UP

1шт.

23

04020-00820

PIN,DOWEL

SN: 25900-UP

12шт.

23A

6150-41-2430

PIN

SN: 25900-UP

12шт.

24

6210-21-1910

PIN

SN: 25900-UP

3шт.

25

6150-21-4770

PIN

SN: 25900-UP

2шт.

26

04020-01024

PIN

SN: 25900-UP

2шт.

27

6150-21-5910

BUSHING

SN: 25900-UP

1шт.

28

6210-21-1390

PIN

SN: 25900-UP

6шт.

29

07046-42816

PLUG

SN: 25900-UP

2шт.

30

07040-11409

PLUG

SN: 25900-UP

4шт.

31

07005-01412

GASKET (K2)

SN: 25900-UP

4шт.

32

07040-11007

PLUG

SN: 25900-UP

1шт.

33

07005-01012

GASKET (K2)

SN: 25900-UP

1шт.

Выбрано товаров: 0