Запчасти Komatsu S6D140-1A СОЛЕНОИД И КРЕПЛЕНИЕ(№-) ТОПЛИВН. СИСТЕМА

Схема запчастей Komatsu S6D140-1A - СОЛЕНОИД И КРЕПЛЕНИЕ(№-) ТОПЛИВН. СИСТЕМА
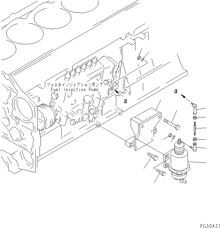
1
2
3
4
5
6
7
8
9
10
11
11
12
12
FIT
1:1
100%

Артикул

Название

Примечание

Количество

1

6211-71-8710

BRACKET

SN: 10001-11032

1шт.

2

01010-31075

BOLT

SN: 10001-11032

2шт.

3

01010-31045

BOLT

SN: 10001-11032

2шт.

4

600-815-6190

SOLENOID ASS'Y

SN: 10001-11032

1шт.

5

01010-30625

BOLT

SN: 10001-11032

4шт.

|6

6211-81-7110

ROD ASS'Y

SN: 10001-11032

1шт.

6

04248-50606

ROD

SN: 10001-11032

1шт.

7

6127-82-9230

END,ROD

SN: 10001-11032

1шт.

8

01580-10605

NUT

SN: 10001-11032

1шт.

9

6127-82-9240

END,ROD¤ L.H. THREAD

SN: 10001-11032

1шт.

10

01508-10603

NUT¤ L.H. THREAD,L.H. THREAD

SN: 10001-11032

1шт.

11

01580-10605

NUT

SN: 10001-11032

2шт.

12

01602-00619

WASHER,SPRING

SN: 10001-11032

2шт.

Выбрано товаров: 13