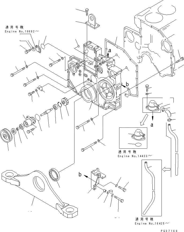
Запчасти Komatsu S6D140-1A ПЕРЕДН. КРЫШКАAND ПЕРЕДН. СУППОРТ (С МЕХ-М ОТБОРА МОЩН-ТИ)(№87-) БЛОК ЦИЛИНДРОВ

Схема запчастей Komatsu S6D140-1A - ПЕРЕДН. КРЫШКАAND ПЕРЕДН. СУППОРТ (С МЕХ-М ОТБОРА МОЩН-ТИ)(№87-) БЛОК ЦИЛИНДРОВ
1
2
3
3
4
5
6
7
8
9
9
9
9
10
11
12
13
14
15
15
16
17
18
19
20
20
21
21
22
23
24
25
26
27
27
28
29
30
30A
31
32
32
33
34
35
36
37
38
39
40
41
42
43
44
45
1
2
3
3
4
5
6
7
8
9
9
9
9
10
11
12
13
14
15
15
16
17
18
19
20
20
21
21
22
23
24
25
26
27
27
28
29
30
30A
31
32
32
33
34
35
36
37
38
39
40
41
42
43
44
45
FIT
1:1
100%

Артикул

Название

Примечание

Количество

|1

6210-21-3200

FRONT COVER ASS'Y

SN: 10001-UP

1шт.

1

0

COVER

SN: 10001-UP

1шт.

2

07046-11816

PLUG

SN: 10001-UP

3шт.

3

07046-11516

PLUG

SN: 10001-UP

2шт.

4

6210-21-3250

GASKET (K2)

SN: 12867-UP

1шт.

5

01010-51290

BOLT

SN: 10001-UP

5шт.

6

01011-51200

BOLT

SN: 10001-UP

2шт.

7

01010-51275

BOLT

SN: 10001-UP

1шт.

8

6210-21-3190

BOLT

SN: 10001-UP

3шт.

9

01640-21223

WASHER

SN: 10001-UP

11шт.

10

01011-51000

BOLT

SN: 10001-UP

3шт.

11

01640-21016

WASHER

SN: 10001-UP

3шт.

12

01010-51045

BOLT

SN: 10001-UP

2шт.

13

6210-21-3750

HANGER

SN: 10001-UP

1шт.

14

01010-31030

BOLT

SN: 10001-UP

4шт.

15

6210-21-8711

BREATHER

SN: 14433-UP

1шт.

|15

0

BREATHER

SN: 10001-14432

1шт.

|$$18

(6210-21-8711{07000-62060)}

-1шт.

16

07000-62060

O-RING (K2)

SN: 14433-UP

1шт.

17

01010-51020

BOLT

SN: 10001-UP

2шт.

18

01640-21016

WASHER

SN: 10001-UP

2шт.

19

6130-61-6611

HOSE

SN: 10001-UP

1шт.

20

07285-00260

CLIP

SN: 11310-UP

2шт.

21

6210-21-8730

TUBE

SN: 16425-UP

1шт.

|21

0

TUBE

SN: 10001-16424

1шт.

22

425-01-11180

BRACKET

SN: 10001-UP

1шт.

23

112-946-4170

CLIP

SN: 10001-UP

1шт.

24

144-874-7470

BOSS

SN: 10001-UP

1шт.

25

01010-51055

BOLT

SN: 10001-UP

1шт.

26

01010-51030

BOLT

SN: 10001-UP

3шт.

27

01643-31032

WASHER

SN: 10001-UP

4шт.

28

6144-81-5151

COVER

SN: 10001-UP

1шт.

29

07000-03050

O-RING (K2)

SN: 10001-UP

1шт.

30

01010-50616

BOLT

SN: 10001-UP

2шт.

30A

01640-20610

WASHER

SN: 18682-UP

2шт.

|31

6210-21-3403

POWER TAKE OFF ASS'Y,(WITH NON HARDENING PULLEY)

SN: 12303-UP

1шт.

|31

6211-21-3403

POWER TAKE OFF ASS'Y,(WITH HARDENING PULLEY)

SN: 12303-UP

1шт.

31

6210-21-3413

HOUSING

SN: 12303-UP

1шт.

32

06030-06204

BEARING,BALL

SN: 12303-UP

2шт.

33

04065-04718

RING,SNAP

SN: 12303-UP

1шт.

34

6210-21-3421

SHAFT

SN: 12303-UP

1шт.

35

6210-21-3440

GEAR

SN: 10001-UP

1шт.

36

6210-21-3451

SLEEVE

SN: 12303-UP

1шт.

37

07012-00028

SEAL,OIL (K2)

SN: 12303-UP

1шт.

38

6210-21-3460

PULLEY,NON HARDENING

SN: 10001-UP

1шт.

|38

6211-21-3430

PULLEY¤ HARDENING

SN: 10001-UP

1шт.

39

07000-02060

O-RING (K2)

SN: 10001-UP

1шт.

40

01010-51030

BOLT

SN: 10001-UP

3шт.

41

6210-21-3350

POINTER

SN: 10001-UP

1шт.

42

01010-50610

BOLT

SN: 10001-UP

2шт.

43

01640-20610

WASHER

SN: 10001-UP

2шт.

44

6150-21-3230

SEAL¤ FRONT (K2)

SN: 10001-UP

1шт.

45

6210-21-3730

SUPPORT,FRONT

SN: 10001-UP

1шт.

|1

6210-21-3200

FRONT COVER ASS'Y

SN: 10001-UP

1шт.

1

0

COVER

SN: 10001-UP

1шт.

2

07046-11816

PLUG

SN: 10001-UP

3шт.

3

07046-11516

PLUG

SN: 10001-UP

2шт.

4

6210-21-3250

GASKET (K2)

SN: 12867-UP

1шт.

5

01010-51290

BOLT

SN: 10001-UP

5шт.

6

01011-51200

BOLT

SN: 10001-UP

2шт.

7

01010-51275

BOLT

SN: 10001-UP

1шт.

8

6210-21-3190

BOLT

SN: 10001-UP

3шт.

9

01640-21223

WASHER

SN: 10001-UP

11шт.

10

01011-51000

BOLT

SN: 10001-UP

3шт.

11

01640-21016

WASHER

SN: 10001-UP

3шт.

12

01010-51045

BOLT

SN: 10001-UP

2шт.

13

6210-21-3750

HANGER

SN: 10001-UP

1шт.

14

01010-31030

BOLT

SN: 10001-UP

4шт.

15

6210-21-8711

BREATHER

SN: 14433-UP

1шт.

|15

0

BREATHER

SN: 10001-14432

1шт.

|$$18

(6210-21-8711{07000-62060)}

-1шт.

16

07000-62060

O-RING (K2)

SN: 14433-UP

1шт.

17

01010-51020

BOLT

SN: 10001-UP

2шт.

18

01640-21016

WASHER

SN: 10001-UP

2шт.

19

6130-61-6611

HOSE

SN: 10001-UP

1шт.

20

07285-00260

CLIP

SN: 11310-UP

2шт.

21

6210-21-8730

TUBE

SN: 16425-UP

1шт.

|21

0

TUBE

SN: 10001-16424

1шт.

22

425-01-11180

BRACKET

SN: 10001-UP

1шт.

23

112-946-4170

CLIP

SN: 10001-UP

1шт.

24

144-874-7470

BOSS

SN: 10001-UP

1шт.

25

01010-51055

BOLT

SN: 10001-UP

1шт.

26

01010-51030

BOLT

SN: 10001-UP

3шт.

27

01643-31032

WASHER

SN: 10001-UP

4шт.

28

6144-81-5151

COVER

SN: 10001-UP

1шт.

29

07000-03050

O-RING (K2)

SN: 10001-UP

1шт.

30

01010-50616

BOLT

SN: 10001-UP

2шт.

30A

01640-20610

WASHER

SN: 18682-UP

2шт.

|31

6210-21-3403

POWER TAKE OFF ASS'Y,(WITH NON HARDENING PULLEY)

SN: 12303-UP

1шт.

|31

6211-21-3403

POWER TAKE OFF ASS'Y,(WITH HARDENING PULLEY)

SN: 12303-UP

1шт.

31

6210-21-3413

HOUSING

SN: 12303-UP

1шт.

32

06030-06204

BEARING,BALL

SN: 12303-UP

2шт.

33

04065-04718

RING,SNAP

SN: 12303-UP

1шт.

34

6210-21-3421

SHAFT

SN: 12303-UP

1шт.

35

6210-21-3440

GEAR

SN: 10001-UP

1шт.

36

6210-21-3451

SLEEVE

SN: 12303-UP

1шт.

37

07012-00028

SEAL,OIL (K2)

SN: 12303-UP

1шт.

38

6210-21-3460

PULLEY,NON HARDENING

SN: 10001-UP

1шт.

|38

6211-21-3430

PULLEY¤ HARDENING

SN: 10001-UP

1шт.

39

07000-02060

O-RING (K2)

SN: 10001-UP

1шт.

40

01010-51030

BOLT

SN: 10001-UP

3шт.

41

6210-21-3350

POINTER

SN: 10001-UP

1шт.

42

01010-50610

BOLT

SN: 10001-UP

2шт.

43

01640-20610

WASHER

SN: 10001-UP

2шт.

44

6150-21-3230

SEAL¤ FRONT (K2)

SN: 10001-UP

1шт.

45

6210-21-3730

SUPPORT,FRONT

SN: 10001-UP

1шт.

Выбрано товаров: 106