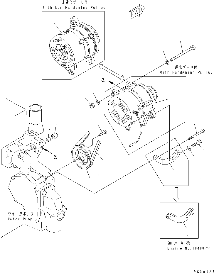
Запчасти Komatsu S6D140-1A ГЕНЕРАТОР И КРЕПЛЕНИЕ (A) ЭЛЕКТРИКА

Схема запчастей Komatsu S6D140-1A - ГЕНЕРАТОР И КРЕПЛЕНИЕ (A) ЭЛЕКТРИКА
1
1
2
2
3
4
5
6
7
7
8
8
9
10
11
12
13
14
1
1
2
2
3
4
5
6
7
7
8
8
9
10
11
12
13
14
FIT
1:1
100%

Артикул

Название

Примечание

Количество

1

600-821-9260

ALTERNATOR A. (50A),(WITH NON HARDENING PULLEY)

SN: 10001-UP

1шт.

|1

0

ALTERNATOR A. (50A),(WITH NON HARDENING PULLEY)

SN: (10001-11976)

1шт.

|1

600-821-9321

ALTERNATOR A. (50A),(WITH HARDENING PULLEY)

SN: 10001-UP

1шт.

|1

0

ALTERNATOR A. (50A),(WITH HARDENING PULLEY)

SN: (10001-11976)

1шт.

2

6210-61-6530

PIN

SN: 10001-UP

2шт.

3

6210-81-6750

SPACER

SN: 14183-UP

1шт.

|3

0

SPACER

SN: 11242-14182

1шт.

|3

0

SPACER

SN: 10001-11241

1шт.

4

6144-85-6550

SPACER

SN: 10001-UP

1шт.

5

6711-21-6390

BOLT

SN: 10001-UP

1шт.

6

02215-10811

NUT

SN: 10001-UP

1шт.

7

01640-21323

WASHER

SN: 10001-UP

2шт.

8

6210-81-6811

PLATE,ADJUST

SN: 10460-UP

1шт.

|8

0

PLATE,ADJUST

SN: 10001-10459

1шт.

|$$15

(6210-81-6811{01011-51000)}

-1шт.

9

01011-51000

BOLT

SN: 10460-UP

1шт.

|9

01010-51085

BOLT

SN: 10001-10459

1шт.

10

01050-51230

BOLT

SN: 10001-UP

1шт.

11

01643-31232

WASHER

SN: 10001-UP

1шт.

12

6210-81-6850

PULLEY¤NON HARDENING

SN: 10001-UP

1шт.

|12

6210-81-6840

PULLEY¤ HARDENING

SN: 10001-UP

1шт.

13

01010-50820

BOLT

SN: 10001-UP

3шт.

14

600-736-9580

V-BELT

SN: 16753-UP

1шт.

|14

0

V-BELT

SN: 10001-16752

1шт.

1

600-821-9260

ALTERNATOR A. (50A),(WITH NON HARDENING PULLEY)

SN: 10001-UP

1шт.

|1

0

ALTERNATOR A. (50A),(WITH NON HARDENING PULLEY)

SN: (10001-11976)

1шт.

|1

600-821-9321

ALTERNATOR A. (50A),(WITH HARDENING PULLEY)

SN: 10001-UP

1шт.

|1

0

ALTERNATOR A. (50A),(WITH HARDENING PULLEY)

SN: (10001-11976)

1шт.

2

6210-61-6530

PIN

SN: 10001-UP

2шт.

3

6210-81-6750

SPACER

SN: 14183-UP

1шт.

|3

0

SPACER

SN: 11242-14182

1шт.

|3

0

SPACER

SN: 10001-11241

1шт.

4

6144-85-6550

SPACER

SN: 10001-UP

1шт.

5

6711-21-6390

BOLT

SN: 10001-UP

1шт.

6

02215-10811

NUT

SN: 10001-UP

1шт.

7

01640-21323

WASHER

SN: 10001-UP

2шт.

8

6210-81-6811

PLATE,ADJUST

SN: 10460-UP

1шт.

|8

0

PLATE,ADJUST

SN: 10001-10459

1шт.

|$$15

(6210-81-6811{01011-51000)}

-1шт.

9

01011-51000

BOLT

SN: 10460-UP

1шт.

|9

01010-51085

BOLT

SN: 10001-10459

1шт.

10

01050-51230

BOLT

SN: 10001-UP

1шт.

11

01643-31232

WASHER

SN: 10001-UP

1шт.

12

6210-81-6850

PULLEY¤NON HARDENING

SN: 10001-UP

1шт.

|12

6210-81-6840

PULLEY¤ HARDENING

SN: 10001-UP

1шт.

13

01010-50820

BOLT

SN: 10001-UP

3шт.

14

600-736-9580

V-BELT

SN: 16753-UP

1шт.

|14

0

V-BELT

SN: 10001-16752

1шт.

Выбрано товаров: 48