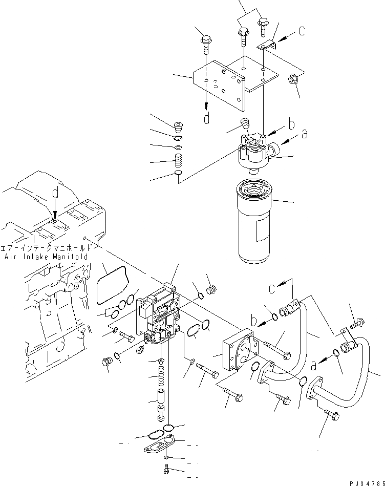
Запчасти Komatsu S6D140-1G МАСЛ. ФИЛЬТР И ТРУБЫ СИСТЕМА СМАЗКИ МАСЛ. СИСТЕМА

Схема запчастей Komatsu S6D140-1G - МАСЛ. ФИЛЬТР И ТРУБЫ СИСТЕМА СМАЗКИ МАСЛ. СИСТЕМА
1
2
3
4
5
6
7
8
9
10
11
12
13
14
15
15
16
16
17
18
19
20
21
22
23
24
25
26
27
28
29
30
30
31
32
33
34
35
36
37
38
38
39
39
40
40
41
42
FIT
1:1
100%

Артикул

Название

Примечание

Количество

|1

6212-51-5300

OIL FILTER ASS'Y

SN: 11455-UP

1шт.

1

6212-51-5310

HEAD

SN: 11455-UP

1шт.

2

6150-51-4920

DISC

SN: 11455-UP

1шт.

3

6151-51-5320

SPRING

SN: 11455-UP

1шт.

4

6150-51-4360

RETAINER

SN: 11455-UP

1шт.

5

04065-03012

RING,SNAP

SN: 11455-UP

1шт.

6

02720-21616

PLUG

SN: 11455-UP

1шт.

7

07043-50617

PLUG

SN: 11455-UP

1шт.

8

600-211-1230

CARTRIDGE

SN: 11455-UP

1шт.

9

6211-51-5630

BRACKET

SN: 11455-UP

1шт.

10

01435-01030

BOLT

SN: 11455-UP

4шт.

11

01435-01030

BOLT

SN: 11455-UP

4шт.

12

6136-71-5730

BRACKET

SN: 11455-UP

1шт.

|13

6211-51-5500

ADAPTER ASS'Y

SN: 11455-UP

1шт.

13

0

BODY

SN: 11455-UP

1шт.

14

07043-00211

PLUG

SN: 11455-UP

1шт.

15

6210-51-5570

PLUG

SN: 11455-UP

2шт.

16

07000-62018

O-RING

SN: 12685-UP

2шт.

|16

07000-62018

O-RING (K2)

SN: 11455-12684

2шт.

17

6210-51-5590

SEAT

SN: 11455-UP

1шт.

18

6210-51-5560

SPRING

SN: 11455-UP

1шт.

19

6210-51-5550

VALVE

SN: 11455-UP

1шт.

20

6211-51-5520

COVER

SN: 11455-UP

1шт.

21

6210-51-5580

O-RING

SN: 12685-UP

1шт.

|21

6210-51-5580

O-RING (K2)

SN: 11455-12684

1шт.

22

07000-63032

O-RING

SN: 12685-UP

1шт.

|22

07000-63032

O-RING (K2)

SN: 11455-12684

1шт.

23

01010-30816

BOLT

SN: 11455-UP

3шт.

24

01640-20816

WASHER

SN: 11455-UP

3шт.

25

6210-21-6462

O-RING (K2)

SN: 13846-UP

1шт.

|25

0

O-RING

SN: 13195-13845

1шт.

|25

0

O-RING (K2)

SN: 11455-13194

1шт.

|25

0

O-RING (K2)

SN: (11455-12684)

1шт.

26

07000-63028

O-RING (K2)

SN: 11455-UP

2шт.

27

07000-63032

O-RING (K2)

SN: 11455-UP

1шт.

28

01010-51030

BOLT

SN: 11455-UP

2шт.

29

01010-51060

BOLT

SN: 11455-UP

5шт.

30

01640-21016

WASHER

SN: 11455-UP

7шт.

31

6212-51-6110

ADAPTER

SN: 11455-UP

1шт.

32

07000-63048

O-RING (K2)

SN: 11455-UP

1шт.

33

07000-63032

O-RING (K2)

SN: 11455-UP

1шт.

34

01435-01095

BOLT

SN: 11455-UP

2шт.

35

01435-01050

BOLT

SN: 11455-UP

4шт.

36

6212-51-6160

TUBE,OIL

SN: 11455-UP

1шт.

37

6212-51-6150

TUBE,OIL

SN: 11455-UP

1шт.

38

07000-63025

O-RING (K2)

SN: 11455-UP

2шт.

39

07000-63032

O-RING (K2)

SN: 11455-UP

2шт.

40

01435-01030

BOLT

SN: 11455-UP

4шт.

41

01435-01020

BOLT

SN: 11455-UP

1шт.

42

01584-01008

NUT

SN: 11455-UP

1шт.

Выбрано товаров: 50