Запчасти Komatsu S6D140-1X-F ПЕРЕДН. КРЫШКА(С МЕХ-М ОТБОРА МОЩНОСТИ)(№99-899) ДВИГАТЕЛЬ

Схема запчастей Komatsu S6D140-1X-F - ПЕРЕДН. КРЫШКА(С МЕХ-М ОТБОРА МОЩНОСТИ)(№99-899) ДВИГАТЕЛЬ
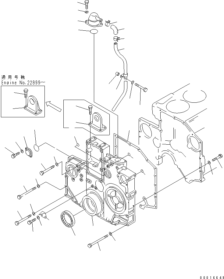
1
2
3
3
4
5
6
7
8
9
10
10
10
10
11
12
13
14
15
16
17
18
19
20
21
22
23
24
25
26
26
27
28
29
30
31
31
32
32
FIT
1:1
100%

Артикул

Название

Примечание

Количество

|$3

6210-21-3200

FRONT COVER ASS'Y

SN: 19029-25899

1шт.

1

0

COVER

SN: 19029-25899

1шт.

2

07046-11816

PLUG

SN: 19029-25899

3шт.

3

07046-11516

PLUG

SN: 19029-25899

2шт.

4

6150-21-3230

SEAL, FRONT (K2)

SN: 19029-25899

1шт.

5

01010-81290

BOLT

SN: 19029-25899

5шт.

6

01011-81200

BOLT

SN: 19029-25899

2шт.

7

6210-21-3190

BOLT

SN: 19029-25899

3шт.

8

01010-81275

BOLT

SN: 19029-25899

1шт.

9

01010-81045

BOLT

SN: 19029-25899

2шт.

10

01640-21223

WASHER

SN: 19029-25899

11шт.

11

01640-21016

WASHER

SN: 19029-25899

2шт.

12

6210-21-3251

GASKET (K2)

SN: 20898-25899

1шт.

12

0

GASKET (K2)

SN: 19029-20897

1шт.

13

6210-21-3350

POINTER

SN: 19029-25899

1шт.

14

01010-80610

BOLT

SN: 19029-25899

2шт.

15

01640-20610

WASHER

SN: 19029-25899

2шт.

16

6144-81-5151

COVER

SN: 19029-25899

1шт.

17

07000-03050

O-RING (K2)

SN: 19029-25899

1шт.

18

01010-80616

BOLT

SN: 19029-25899

2шт.

19

01640-20610

WASHER

SN: 19029-25899

2шт.

20

6210-21-8711

BREATHER

SN: 19029-25899

1шт.

21

01010-81020

BOLT

SN: 19029-25899

2шт.

22

01640-21016

WASHER

SN: 19029-25899

2шт.

23

07000-72060

O-RING (K2)

SN: 19029-25899

1шт.

24

6210-21-8730

TUBE

SN: 19029-25899

1шт.

25

6130-61-6611

HOSE

SN: 19029-25899

1шт.

26

07285-00260

CLIP

SN: 19029-25899

2шт.

27

112-946-4170

CLIP

SN: 19029-25899

1шт.

28

01010-81055

BOLT

SN: 19029-25899

1шт.

29

144-874-7470

BOSS

SN: 19029-25899

1шт.

30

01643-31032

WASHER

SN: 19029-25899

1шт.

31

6210-21-3751

BRACKET

SN: 22899-25899

1шт.

31

0

HANGER

SN: 19029-22898

1шт.

32

01010-81025

BOLT

SN: 22899-25899

4шт.

32

0

BOLT

SN: 19029-22898

4шт.

Выбрано товаров: 36