Запчасти Komatsu S6D140-1Z БЛОК ЦИЛИНДРОВ (/) ДВИГАТЕЛЬ

Схема запчастей Komatsu S6D140-1Z - БЛОК ЦИЛИНДРОВ (/) ДВИГАТЕЛЬ
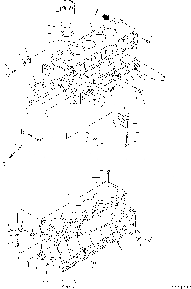
1
1
2
3
4
5
6
7
8
9
9
10
10
11
12
13
13
13
13
14
15
16
17
18
19
20
21
22
23
24
25
26
27
27
27
28
29
30
31
32
33
34
35
36
37
38
39
40
41
42
43
44
45
FIT
1:1
100%

Артикул

Название

Примечание

Количество

|1

6211-21-1103

CYLINDER BLOCK ASS'Y

SN: 20754-UP

1шт.

1

0

BLOCK,CYLINDER

SN: 20754-UP

1шт.

2

6210-21-1490

BUSHING,CAMSHAFT

SN: 20754-UP

7шт.

3

0

CAP,MAIN METAL¤ NO.1¤2¤3¤4¤5¤6

SN: 20754-UP

6шт.

4

0

CAP,MAIN METAL¤ NO.7

SN: 20754-UP

1шт.

5

04020-00514

PIN,DOWEL

SN: 20754-UP

2шт.

6

6210-21-1710

BOLT

SN: 20754-UP

14шт.

7

01643-31845

WASHER

SN: 20754-UP

14шт.

8

07043-71019

PLUG

SN: 20754-UP

1шт.

9

6210-81-9210

PLUG

SN: 20754-UP

2шт.

10

07046-43516

PLUG

SN: 20754-UP

7шт.

11

07046-42516

PLUG

SN: 20754-UP

2шт.

12

07046-42010

PLUG

SN: 20754-UP

1шт.

13

07043-70108

PLUG

SN: 20754-UP

11шт.

14

07042-70108

PLUG

SN: 20754-UP

2шт.

15

07046-11816

PLUG

SN: 20754-UP

2шт.

16

07046-41810

PLUG

SN: 20754-UP

2шт.

17

07046-47020

PLUG

SN: 20754-UP

1шт.

18

07043-00415

PLUG

SN: 20754-UP

1шт.

19

07043-00211

PLUG

SN: 20754-UP

1шт.

20

07046-41008

PLUG

SN: 20754-UP

1шт.

21

04020-00820

PIN,DOWEL

SN: 20754-UP

12шт.

22

6210-21-1910

PIN

SN: 20754-UP

3шт.

23

6150-21-4770

PIN,DOWEL

SN: 20754-UP

2шт.

24

04020-01024

PIN,DOWEL

SN: 20754-UP

2шт.

25

6150-21-5910

BUSHING

SN: 20754-UP

1шт.

26

6210-21-1790

BUSHING

SN: 20754-UP

2шт.

27

6210-21-1390

PIN

SN: 20754-UP

6шт.

28

07046-42816

PLUG

SN: 20754-UP

2шт.

29

07040-11409

PLUG

SN: 20754-UP

4шт.

30

07005-01412

GASKET (K2)

SN: 20754-UP

4шт.

31

07040-11007

PLUG

SN: 20754-UP

1шт.

32

07005-01012

GASKET (K2)

SN: 20754-UP

1шт.

33

6150-41-2430

PIN

SN: 20754-UP

12шт.

34

6210-71-3280

SEAL,OIL (K2)

SN: 21395-UP

1шт.

|34

0

SEAL,OIL (K2)

SN: 20754-21394

1шт.

35

6210-21-1950

FLANGE

SN: 20754-UP

1шт.

36

6696-61-9921

GASKET (K2)

SN: 20754-UP

1шт.

37

01010-51225

BOLT

SN: 20754-UP

2шт.

|38

6211-21-1800

NOZZLE ASS'Y,PISTON COOLING

SN: 20754-UP

6шт.

38

6211-21-1820

NOZZLE

SN: 20754-UP

1шт.

39

02720-40104

PLUG

SN: 20754-UP

1шт.

40

01437-01025

BOLT

SN: 20754-UP

6шт.

41

01641-21016

WASHER

SN: 20754-UP

6шт.

42

6211-21-2240

LINER,CYLINDER

SN: 22400-UP

6шт.

|42

0

LINER,CYLINDER

SN: 20754-22399

6шт.

43

6210-21-2270

SEAL,CREVICE

SN: 22400-UP

6шт.

|43

0

SEAL,CREVICE (K2)

SN: 20754-22399

6шт.

44

6210-21-2240

O-RING,CENTER (K2)

SN: 20754-UP

6шт.

45

6210-21-2230

O-RING,LOWER (K2)

SN: 20754-UP

6шт.

Выбрано товаров: 50