Запчасти Komatsu S6D140-1Z ТОПЛИВН. ФИЛЬТР. ДВИГАТЕЛЬ

Схема запчастей Komatsu S6D140-1Z - ТОПЛИВН. ФИЛЬТР. ДВИГАТЕЛЬ
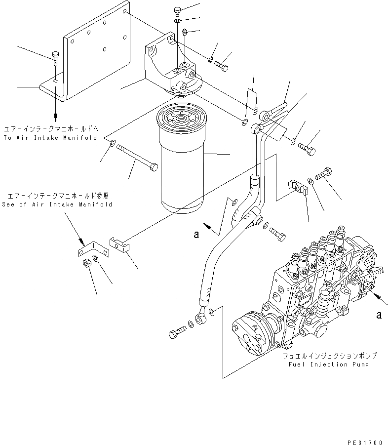
1
2
3
4
5
6
7
8
8
9
10
11
12
13
14
14
15
15
16
17
18
18
FIT
1:1
100%

Артикул

Название

Примечание

Количество

|1

6210-71-6202

FUEL FILTER ASS'Y

SN: 22200-UP

1шт.

|1

0

FUEL FILTER ASS'Y

SN: 20754-22199

1шт.

1

6210-71-6210

HEAD

SN: 20754-UP

1шт.

2

600-311-7132

CARTRIDGE

SN: 22200-UP

1шт.

|2

0

CARTRIDGE

SN: 20754-22199

1шт.

3

6110-73-6231

PLUG

SN: 20754-UP

1шт.

4

07005-00812

GASKET

SN: 20754-UP

1шт.

5

07043-70108

PLUG

SN: 20754-UP

1шт.

6

01010-51035

BOLT

SN: 20754-UP

2шт.

7

01011-51015

BOLT

SN: 20754-UP

2шт.

8

01643-31032

WASHER

SN: 20754-UP

4шт.

9

6211-71-5250

BRACKET

SN: 20754-UP

1шт.

10

01010-51030

BOLT

SN: 20754-UP

6шт.

11

6211-71-5210

TUBE

SN: 20754-UP

1шт.

12

6211-71-5220

TUBE

SN: 20754-UP

1шт.

13

07206-31014

BOLT,JOINT

SN: 20754-UP

2шт.

14

07005-01412

GASKET (K2)

SN: 20754-UP

4шт.

15

6166-71-7850

CLAMP

SN: 20754-UP

2шт.

16

01010-50840

BOLT

SN: 20754-UP

1шт.

17

01580-10806

NUT

SN: 20754-UP

1шт.

18

01643-30823

WASHER

SN: 20754-UP

2шт.

Выбрано товаров: 21