Запчасти Komatsu S6D140E-2A-6 ПЕРЕДН. COVER(№7-8) ДВИГАТЕЛЬ

Схема запчастей Komatsu S6D140E-2A-6 - ПЕРЕДН. COVER(№7-8) ДВИГАТЕЛЬ
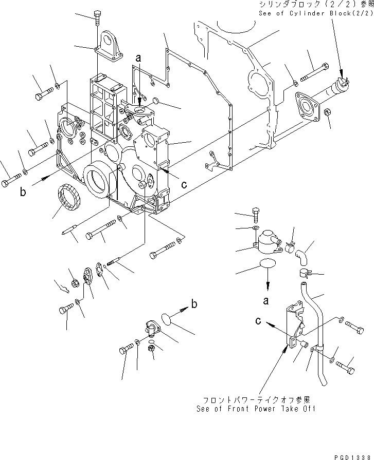
1
2
3
4
5
6
7
8
9
9
9
9
10
11
12
13
14
15
16
17
18
19
20
21
22
23
24
25
26
26
27
28
29
30
31
32
33
34
35
36
37
38
39
40
1
2
3
4
5
6
7
8
9
9
9
9
10
11
12
13
14
15
16
17
18
19
20
21
22
23
24
25
26
26
27
28
29
30
31
32
33
34
35
36
37
38
39
40
FIT
1:1
100%

Артикул

Название

Примечание

Количество

1

6210-22-3210

COVER

SN: 23227-26083

1шт.

2

07046-11816

PLUG

SN: 23227-26083

7шт.

3

6711-21-3521

SEAL¤ FRONT

SN: 23227-26083

1шт.

|3

6711-29-3521

SEAL¤ FRONT,WITH SLEEVE (REPAIR PART)

SN: 23227-26083

1шт.

4

01010-81290

BOLT

SN: 23227-26083

6шт.

5

01011-81200

BOLT

SN: 23227-26083

2шт.

6

6210-21-3190

BOLT

SN: 23227-26083

3шт.

7

01010-81275

BOLT

SN: 23227-26083

1шт.

8

01011-81045

BOLT

SN: 23227-26083

2шт.

9

01640-21223

WASHER

SN: 23227-26083

12шт.

10

01640-21016

WASHER

SN: 23227-26083

2шт.

11

01580-11210

NUT

SN: 23227-26083

3шт.

12

6210-21-3251

GASKET (K2)

SN: 23227-26083

1шт.

13

6210-22-3910

POINTER

SN: 23227-26083

1шт.

14

6210-81-4111

BOX ASS'Y

SN: 23227-26083

1шт.

15

07000-03050

O-RING (K2)

SN: 23227-26083

1шт.

16

6136-81-5291

CAP

SN: 23227-26083

1шт.

17

6130-82-5270

GASKET (K2)

SN: 23227-26083

1шт.

18

01010-80616

BOLT

SN: 23227-26083

2шт.

19

01640-20610

WASHER

SN: 23227-26083

2шт.

20

6210-21-8711

BREATHER

SN: 23227-26083

1шт.

21

01010-81020

BOLT

SN: 23227-26083

2шт.

22

01640-21016

WASHER

SN: 23227-26083

2шт.

23

07000-62060

O-RING (K2)

SN: 23227-26083

1шт.

24

6210-21-8720

TUBE

SN: 23227-26083

1шт.

25

6130-61-6611

HOSE

SN: 23227-26083

1шт.

26

07285-00260

CLIP

SN: 23227-26083

2шт.

27

112-946-4170

CLIP

SN: 23227-26083

1шт.

28

01010-81055

BOLT

SN: 23227-26083

1шт.

29

144-87-47470

SPACER

SN: 23227-26083

1шт.

30

01643-31032

WASHER

SN: 23227-26083

1шт.

31

6210-21-3751

BRACKET

SN: 23227-26083

1шт.

32

01010-81025

BOLT

SN: 23227-26083

4шт.

33

6210-72-3241

FLANGE

SN: 23227-26083

1шт.

34

6151-51-8721

GASKET

SN: 23227-26083

1шт.

35

01010-80830

BOLT

SN: 23227-26083

2шт.

36

01643-31032

WASHER

SN: 23227-26083

2шт.

37

6210-72-3231

PIN

SN: 23227-26083

1шт.

38

07000-E1007

O-RING

SN: 23227-26083

1шт.

39

01584-00806

NUT

SN: 23227-26083

1шт.

40

04052-11038

PIN

SN: 23227-26083

1шт.

1

6210-22-3210

COVER

SN: 23227-26083

1шт.

2

07046-11816

PLUG

SN: 23227-26083

7шт.

3

6711-21-3521

SEAL¤ FRONT

SN: 23227-26083

1шт.

|3

6711-29-3521

SEAL¤ FRONT,WITH SLEEVE (REPAIR PART)

SN: 23227-26083

1шт.

4

01010-81290

BOLT

SN: 23227-26083

6шт.

5

01011-81200

BOLT

SN: 23227-26083

2шт.

6

6210-21-3190

BOLT

SN: 23227-26083

3шт.

7

01010-81275

BOLT

SN: 23227-26083

1шт.

8

01011-81045

BOLT

SN: 23227-26083

2шт.

9

01640-21223

WASHER

SN: 23227-26083

12шт.

10

01640-21016

WASHER

SN: 23227-26083

2шт.

11

01580-11210

NUT

SN: 23227-26083

3шт.

12

6210-21-3251

GASKET (K2)

SN: 23227-26083

1шт.

13

6210-22-3910

POINTER

SN: 23227-26083

1шт.

14

6210-81-4111

BOX ASS'Y

SN: 23227-26083

1шт.

15

07000-03050

O-RING (K2)

SN: 23227-26083

1шт.

16

6136-81-5291

CAP

SN: 23227-26083

1шт.

17

6130-82-5270

GASKET (K2)

SN: 23227-26083

1шт.

18

01010-80616

BOLT

SN: 23227-26083

2шт.

19

01640-20610

WASHER

SN: 23227-26083

2шт.

20

6210-21-8711

BREATHER

SN: 23227-26083

1шт.

21

01010-81020

BOLT

SN: 23227-26083

2шт.

22

01640-21016

WASHER

SN: 23227-26083

2шт.

23

07000-62060

O-RING (K2)

SN: 23227-26083

1шт.

24

6210-21-8720

TUBE

SN: 23227-26083

1шт.

25

6130-61-6611

HOSE

SN: 23227-26083

1шт.

26

07285-00260

CLIP

SN: 23227-26083

2шт.

27

112-946-4170

CLIP

SN: 23227-26083

1шт.

28

01010-81055

BOLT

SN: 23227-26083

1шт.

29

144-87-47470

SPACER

SN: 23227-26083

1шт.

30

01643-31032

WASHER

SN: 23227-26083

1шт.

31

6210-21-3751

BRACKET

SN: 23227-26083

1шт.

32

01010-81025

BOLT

SN: 23227-26083

4шт.

33

6210-72-3241

FLANGE

SN: 23227-26083

1шт.

34

6151-51-8721

GASKET

SN: 23227-26083

1шт.

35

01010-80830

BOLT

SN: 23227-26083

2шт.

36

01643-31032

WASHER

SN: 23227-26083

2шт.

37

6210-72-3231

PIN

SN: 23227-26083

1шт.

38

07000-E1007

O-RING

SN: 23227-26083

1шт.

39

01584-00806

NUT

SN: 23227-26083

1шт.

40

04052-11038

PIN

SN: 23227-26083

1шт.

Выбрано товаров: 82