Запчасти Komatsu S6D140E-2A-6 БЛОК ЦИЛИНДРОВ (/) (С ОБОГРЕВАТЕЛЕМ БЛОКА)(№7-8) ДВИГАТЕЛЬ

Схема запчастей Komatsu S6D140E-2A-6 - БЛОК ЦИЛИНДРОВ (/) (С ОБОГРЕВАТЕЛЕМ БЛОКА)(№7-8) ДВИГАТЕЛЬ
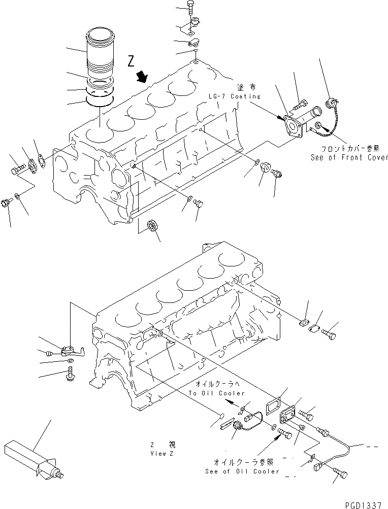
1
2
3
4
5
6
7
8
9
10
11
12
13
14
15
16
17
18
19
20
20
21
22
23
24
25
26
27
28
29
30
31
32
33
34
35
36
37
38
39
1
2
3
4
5
6
7
8
9
10
11
12
13
14
15
16
17
18
19
20
20
21
22
23
24
25
26
27
28
29
30
31
32
33
34
35
36
37
38
39
FIT
1:1
100%

Артикул

Название

Примечание

Количество

1

6210-71-3281

SEAL,OIL (K2)

SN: 24793-26118

1шт.

1

0

SEAL,OIL (K2)

SN: 23227-24792

1шт.

2

6210-22-1950

FLANGE

SN: 23227-26118

1шт.

3

6696-61-9921

GASKET (K2)

SN: 23227-26118

1шт.

4

01010-81225

BOLT

SN: 23227-26118

2шт.

5

600-815-7361

SENSOR

SN: 23227-26118

1шт.

6

07005-01612

SEAL, WASHER

SN: 23227-26118

1шт.

7

600-815-8750

HEATER

SN: 23227-26118

1шт.

8

6150-21-1190

O-RING (K2)

SN: 23227-26118

1шт.

9

08053-01510

CLIP

SN: 23227-26118

1шт.

|$11

6211-21-1800

NOZZLE ASS'Y,PISTON COOLING

SN: 23227-26118

6шт.

10

6211-21-1820

NOZZLE

SN: 23227-26118

1шт.

11

02720-40104

PLUG

SN: 23227-26118

1шт.

12

01437-01025

BOLT

SN: 23227-26118

6шт.

13

01641-21016

WASHER

SN: 23227-26118

6шт.

14

6211-22-2220

LINER,CYLINDER

SN: 23227-26118

6шт.

15

6210-21-2270

SEAL,CREVICE (K2)

SN: 23227-26118

6шт.

16

6210-21-2240

O-RING,CENTER (K2)

SN: 23227-26118

6шт.

17

6210-21-2230

O-RING,LOWER (K2)

SN: 23227-26118

6шт.

18

6210-21-1960

COVER

SN: 23227-26118

1шт.

19

6210-21-1971

GASKET (K2)

SN: 23227-26118

1шт.

20

01010-81025

BOLT

SN: 23227-26118

4шт.

21

07043-00415

PLUG

SN: 23227-26118

1шт.

22

7861-92-3320

SENSOR

SN: 23227-26118

1шт.

23

08053-01510

CLIP

SN: 23227-26118

1шт.

24

6210-21-1820

PLATE

SN: 23227-26118

1шт.

25

6210-61-6551

GASKET (K2)

SN: 23227-26118

1шт.

26

01010-81025

BOLT

SN: 23227-26118

2шт.

27

6210-21-1940

COVER

SN: 23227-26118

1шт.

28

07000-03025

O-RING (K2)

SN: 23227-26118

1шт.

29

01010-81025

BOLT

SN: 23227-26118

1шт.

30

425-06-12641

BRACKET

SN: 23227-26118

1шт.

31

08073-10505

SWITCH,OIL PRESSURE

SN: 23227-26118

1шт.

32

6210-22-5910

NIPPLE

SN: 23227-26118

1шт.

33

07005-01412

SEAL, WASHER (K2)

SN: 23227-26118

1шт.

34

07025-00100

CAP,FILLER

SN: 23227-26118

1шт.

35

6210-21-7130

FILLER

SN: 23227-26118

1шт.

36

01010-81225

BOLT

SN: 23227-26118

1шт.

37

07040-11007

PLUG

SN: 23227-26118

1шт.

38

07005-01012

SEAL, WASHER (K2)

SN: 23227-26118

1шт.

39

09920-00150

LIQUID GASKET,LG-7, 150G

SN: 23227-26118

-2шт.

1

6210-71-3281

SEAL,OIL (K2)

SN: 24793-26118

1шт.

1

0

SEAL,OIL (K2)

SN: 23227-24792

1шт.

2

6210-22-1950

FLANGE

SN: 23227-26118

1шт.

3

6696-61-9921

GASKET (K2)

SN: 23227-26118

1шт.

4

01010-81225

BOLT

SN: 23227-26118

2шт.

5

600-815-7361

SENSOR

SN: 23227-26118

1шт.

6

07005-01612

SEAL, WASHER

SN: 23227-26118

1шт.

7

600-815-8750

HEATER

SN: 23227-26118

1шт.

8

6150-21-1190

O-RING (K2)

SN: 23227-26118

1шт.

9

08053-01510

CLIP

SN: 23227-26118

1шт.

|$11

6211-21-1800

NOZZLE ASS'Y,PISTON COOLING

SN: 23227-26118

6шт.

10

6211-21-1820

NOZZLE

SN: 23227-26118

1шт.

11

02720-40104

PLUG

SN: 23227-26118

1шт.

12

01437-01025

BOLT

SN: 23227-26118

6шт.

13

01641-21016

WASHER

SN: 23227-26118

6шт.

14

6211-22-2220

LINER,CYLINDER

SN: 23227-26118

6шт.

15

6210-21-2270

SEAL,CREVICE (K2)

SN: 23227-26118

6шт.

16

6210-21-2240

O-RING,CENTER (K2)

SN: 23227-26118

6шт.

17

6210-21-2230

O-RING,LOWER (K2)

SN: 23227-26118

6шт.

18

6210-21-1960

COVER

SN: 23227-26118

1шт.

19

6210-21-1971

GASKET (K2)

SN: 23227-26118

1шт.

20

01010-81025

BOLT

SN: 23227-26118

4шт.

21

07043-00415

PLUG

SN: 23227-26118

1шт.

22

7861-92-3320

SENSOR

SN: 23227-26118

1шт.

23

08053-01510

CLIP

SN: 23227-26118

1шт.

24

6210-21-1820

PLATE

SN: 23227-26118

1шт.

25

6210-61-6551

GASKET (K2)

SN: 23227-26118

1шт.

26

01010-81025

BOLT

SN: 23227-26118

2шт.

27

6210-21-1940

COVER

SN: 23227-26118

1шт.

28

07000-03025

O-RING (K2)

SN: 23227-26118

1шт.

29

01010-81025

BOLT

SN: 23227-26118

1шт.

30

425-06-12641

BRACKET

SN: 23227-26118

1шт.

31

08073-10505

SWITCH,OIL PRESSURE

SN: 23227-26118

1шт.

32

6210-22-5910

NIPPLE

SN: 23227-26118

1шт.

33

07005-01412

SEAL, WASHER (K2)

SN: 23227-26118

1шт.

34

07025-00100

CAP,FILLER

SN: 23227-26118

1шт.

35

6210-21-7130

FILLER

SN: 23227-26118

1шт.

36

01010-81225

BOLT

SN: 23227-26118

1шт.

37

07040-11007

PLUG

SN: 23227-26118

1шт.

38

07005-01012

SEAL, WASHER (K2)

SN: 23227-26118

1шт.

39

09920-00150

LIQUID GASKET,LG-7, 150G

SN: 23227-26118

-2шт.

Выбрано товаров: 82