Запчасти Komatsu S6D140E-2C-6 СТОП МОТОР ДВИГАТЕЛЯ(№-) ДВИГАТЕЛЬ

Схема запчастей Komatsu S6D140E-2C-6 - СТОП МОТОР ДВИГАТЕЛЯ(№-) ДВИГАТЕЛЬ
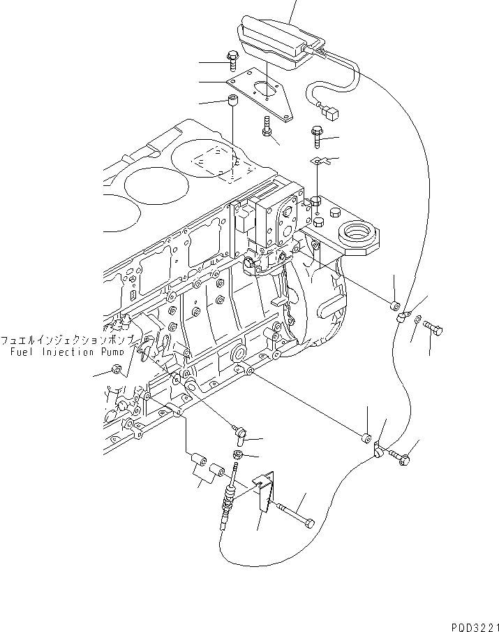
1
2
3
4
5
6
7
8
9
10
11
12
13
14
15
16
17
17
18
19
FIT
1:1
100%

Артикул

Название

Примечание

Количество

1

600-815-7650

MOTOR,ENGINE STOP

SN: 25136-UP

1шт.

2

6211-71-8550

BRACKET

SN: 25136-UP

1шт.

3

01435-01030

BOLT

SN: 25136-UP

3шт.

4

6131-12-5920

SPACER

SN: 25136-UP

3шт.

5

01010-80616

BOLT

SN: 25136-UP

3шт.

6

04434-50610

CLIP

SN: 25136-UP

1шт.

7

6131-12-5920

SPACER

SN: 25136-UP

1шт.

8

01010-81070

BOLT

SN: 25136-UP

1шт.

9

01640-21016

WASHER

SN: 25136-UP

1шт.

10

04434-50610

CLIP

SN: 25136-UP

1шт.

11

6131-12-5920

SPACER

SN: 25136-UP

1шт.

12

01435-01030

BOLT

SN: 25136-UP

1шт.

13

6211-71-8560

BRACKET

SN: 25136-UP

1шт.

14

6150-81-6920

SPACER

SN: 25136-UP

4шт.

15

01010-81090

BOLT

SN: 25136-UP

2шт.

16

6127-82-9230

END,ROD

SN: 25136-UP

1шт.

17

01580-10605

NUT

SN: 25136-UP

2шт.

18

08053-00910

CLIP

SN: 25136-UP

1шт.

19

01435-01020

BOLT

SN: 25136-UP

1шт.

Выбрано товаров: 19