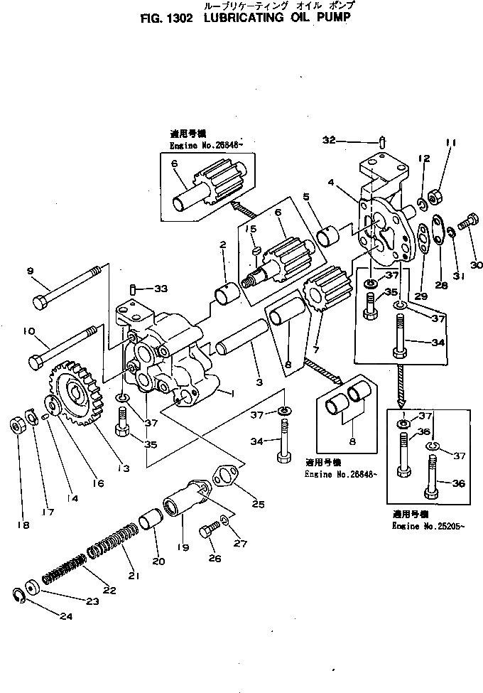
Запчасти Komatsu S6D155-4K СМАЗЫВ. НАСОС СИСТЕМА СМАЗКИ МАСЛ. СИСТЕМА

Схема запчастей Komatsu S6D155-4K - СМАЗЫВ. НАСОС СИСТЕМА СМАЗКИ МАСЛ. СИСТЕМА
FIT
1:1
100%

Артикул

Название

Примечание

Количество

|$0

69902-0-0204

OIL PUMP ASS'Y

SN: 29860-UP

1шт.

|$1

69902-0-0203

OIL PUMP ASS'Y

SN: 26848-29859

1шт.

|$2

69902-0-0202

OIL PUMP ASS'Y

SN: 22146-26847

1шт.

|$3

69902-0-0211

BODY ASS'Y

SN: 26848-UP

1шт.

|$4

69902-0-0210

BODY ASS'Y

SN: 22146-26847

1шт.

1

0

BODY

SN: 26848-UP

1шт.

1

0

BODY

SN: 22146-26847

1шт.

2

0

BUSHING

SN: 26848-UP

1шт.

2

0

BUSHING

SN: 22146-26847

1шт.

3

69902-0-0261

SHAFT

SN: 26848-UP

1шт.

3

69902-0-0260

SHAFT

SN: 22146-26847

1шт.

|$11

69902-0-0221

COVER ASS'Y

SN: 26848-UP

1шт.

|$12

69902-0-0220

COVER ASS'Y

SN: 22146-26847

1шт.

4

0

COVER

SN: 22146-UP

1шт.

5

0

BUSHING

SN: 26848-UP

1шт.

5

0

BUSHING

SN: 22146-26847

1шт.

6

69902-0-0252

SHAFT

SN: 26848-UP

1шт.

6

69902-0-0251

SHAFT

SN: 22146-26847

1шт.

|$18

6128-51-1501

GEAR ASS'Y

SN: 26848-UP

1шт.

|$19

6128-51-1500

GEAR ASS'Y

SN: 22146-26847

1шт.

7

0

GEAR

SN: 26848-UP

1шт.

7

0

GEAR

SN: 22146-26847

1шт.

8

0

BUSHING

SN: 26848-UP

2шт.

8

0

BUSHING

SN: 22146-26847

1шт.

9

69902-0-0270

BOLT

SN: 22146-UP

2шт.

10

01051-31220

BOLT

SN: 22146-UP

2шт.

11

01582-01210

NUT

SN: 22146-UP

4шт.

12

01602-01236

WASHER

SN: 22146-UP

4шт.

|$28

6127-51-2020

GEAR ASS'Y

SN: 22146-26847

1шт.

13

6127-51-2122

GEAR

SN: 26848-UP

1шт.

13

0

GEAR

SN: 25353-26847

1шт.

13

0

GEAR

SN: 22146-25352

1шт.

14

04020-00514

PIN

SN: 22146-26847

1шт.

15

04000-00718

KEY

SN: 22146-26847

1шт.

16

6127-51-2130

WASHER

SN: 22146-26847

1шт.

17

01653-21412

WASHER (K2)

SN: 22146-26847

1шт.

18

01582-01411

NUT

SN: 22146-26847

1шт.

19

6127-51-1613

CASE

SN: 29860-UP

1шт.

19

6127-51-1612

CASE

SN: 26848-29859

1шт.

19

6127-51-1611

CASE

SN: 22146-26847

1шт.

20

6127-51-1623

VALVE

SN: 22146-UP

1шт.

21

6127-51-1631

SPRING

SN: 22146-UP

1шт.

22

6127-51-1670

SPRING

SN: 22146-UP

1шт.

23

6127-51-1641

RETAINER

SN: 22146-UP

1шт.

24

6127-51-1650

RING

SN: 22146-UP

1шт.

25

6127-51-1660

GASKET

SN: 22146-UP

1шт.

26

01010-31025

BOLT

SN: 22146-UP

2шт.

27

01602-01030

WASHER

SN: 22146-UP

2шт.

28

6127-51-6950

COVER

SN: 22146-UP

1шт.

29

6127-51-6920

GASKET

SN: 22146-UP

1шт.

30

01010-31020

BOLT

SN: 22146-UP

2шт.

31

01602-01030

WASHER

SN: 22146-UP

2шт.

32

04020-00820

PIN

SN: 25205-UP

2шт.

32

04020-00820

PIN

SN: 22146-25204

1шт.

33

6127-51-1281

PIN

SN: 22146-25204

1шт.

34

6128-51-1240

BOLT

SN: 25205-UP

1шт.

34

6128-51-1240

BOLT

SN: 22146-25204

2шт.

35

01010-31250

BOLT

SN: 25205-UP

1шт.

35

01010-31250

BOLT

SN: 22146-25204

2шт.

36

01010-31235

BOLT

SN: 25205-UP

2шт.

37

01602-01236

WASHER

SN: 22146-UP

4шт.

Выбрано товаров: 61