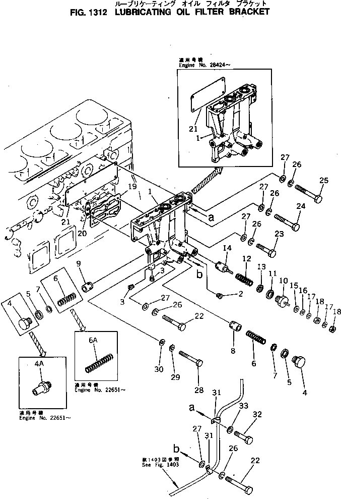
Запчасти Komatsu S6D155-4K МАСЛ. ФИЛЬТР КОРПУС СИСТЕМА СМАЗКИ МАСЛ. СИСТЕМА

Схема запчастей Komatsu S6D155-4K - МАСЛ. ФИЛЬТР КОРПУС СИСТЕМА СМАЗКИ МАСЛ. СИСТЕМА
FIT
1:1
100%

Артикул

Название

Примечание

Количество

|$0

6127-51-5504

BRACKET ASS'Y

SN: 28424-UP

1шт.

|$1

0

BRACKET ASS'Y

SN: 26858-28423

1шт.

|$2

0

BRACKET ASS'Y

SN: 26651-26857

1шт.

|$3

0

BRACKET ASS'Y

SN: 22146-22650

1шт.

1

6127-51-5512

BRACKET

SN: 28424-UP

1шт.

1

6127-51-5511

BRACKET

SN: 22146-28423

1шт.

2

07043-00211

PLUG

SN: 22146-UP

1шт.

3

07043-00108

PLUG

SN: 22146-UP

2шт.

4

6121-51-5230

PLUG

SN: 22651-UP

1шт.

4

6121-51-5230

PLUG

SN: 22146-22650

2шт.

4A

6128-51-5240

PLUG

SN: 22651-UP

1шт.

5

6127-51-5820

GASKET

SN: 22146-UP

2шт.

6

6127-51-5321

SPRING

SN: 22651-UP

1шт.

6

6127-51-5321

SPRING

SN: 22146-22650

2шт.

6A

6128-51-5251

SPRING

SN: 26858-UP

1шт.

6A

0

SPRING

SN: 22651-26857

1шт.

7

6121-51-5550

SPACER

SN: 22146-UP

-2шт.

8

6127-51-5330

VALVE

SN: 22146-UP

1шт.

9

6127-51-5520

VALVE

SN: 22146-UP

1шт.

10

600-211-1860

PLUG

SN: 22146-UP

1шт.

11

6127-51-5820

GASKET

SN: 22146-UP

1шт.

12

600-211-1870

SPRING

SN: 22146-UP

1шт.

13

6121-51-5550

SPACER

SN: 22146-UP

-2шт.

14

600-211-1880

VALVE

SN: 22146-UP

1шт.

15

6110-51-5580

GASKET

SN: 22146-UP

1шт.

16

01641-20508

WASHER

SN: 22146-UP

1шт.

17

01601-00513

WASHER

SN: 22146-UP

2шт.

18

01580-00504

NUT

SN: 22146-UP

2шт.

19

6127-51-5841

GASKET (K2)

SN: 26858-UP

1шт.

19

0

GASKET

SN: 22146-26857

1шт.

20

6127-51-5850

GASKET (K2)

SN: 22146-UP

1шт.

21

6127-51-5861

GASKET (K2)

SN: 28424-UP

1шт.

21

6127-51-5860

GASKET (K2)

SN: 22146-28423

1шт.

22

01010-31285

BOLT

SN: 22146-UP

5шт.

23

01010-31240

BOLT

SN: 22146-UP

1шт.

24

01010-31240

BOLT

SN: 28424-UP

2шт.

24

01010-31240

BOLT

SN: 22146-28423

3шт.

25

01010-31280

BOLT

SN: 28424-UP

2шт.

25

01010-31280

BOLT

SN: 22146-28423

3шт.

26

01602-01236

WASHER

SN: 28424-UP

10шт.

26

01602-01236

WASHER

SN: 22146-28423

12шт.

27

01640-21223

WASHER

SN: 28424-UP

10шт.

27

01640-21223

WASHER

SN: 22146-28423

12шт.

28

01010-31070

BOLT

SN: 22146-UP

2шт.

29

01602-01030

WASHER

SN: 22146-UP

2шт.

30

01640-21016

WASHER

SN: 22146-UP

2шт.

31

08036-10814

CLIP

SN: 22146-UP

2шт.

32

01010-31220

BOLT

SN: 22146-UP

1шт.

33

01640-01223

WASHER

SN: 22146-UP

1шт.

Выбрано товаров: 49