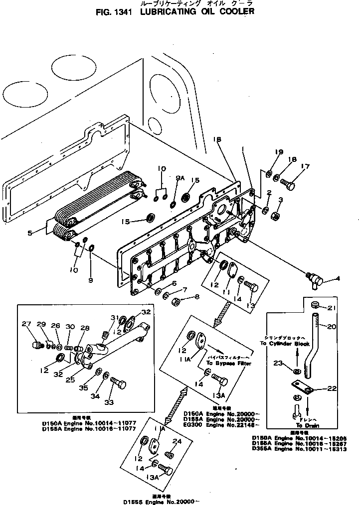
Запчасти Komatsu S6D155-4K СИСТЕМА СМАЗКИ МАСЛООХЛАДИТЕЛЬ СИСТЕМА СМАЗКИ МАСЛ. СИСТЕМА

Схема запчастей Komatsu S6D155-4K - СИСТЕМА СМАЗКИ МАСЛООХЛАДИТЕЛЬ СИСТЕМА СМАЗКИ МАСЛ. СИСТЕМА
FIT
1:1
100%

Артикул

Название

Примечание

Количество

|$0

6127-61-2104

OIL COOLER ASS'Y

SN: 22146-UP

1шт.

1

6127-61-2113

BRACKET ASS'Y

SN: 22146-UP

1шт.

2

01602-01030

WASHER

SN: 22146-UP

2шт.

3

01580-01008

NUT

SN: 22146-UP

2шт.

4

6127-61-8411

VALVE ASS'Y

SN: 22146-UP

1шт.

5

600-651-1161

ELEMENT ASS'Y

SN: 22146-UP

2шт.

6

01640-21016

WASHER

SN: 22146-UP

4шт.

7

01602-01030

WASHER

SN: 22146-UP

4шт.

8

01580-01008

NUT

SN: 22146-UP

4шт.

9

6127-61-2990

O-RING

SN: 22146-UP

2шт.

9A

6127-61-2871

O-RING

SN: 26101-UP

2шт.

9A

0

O-RING

SN: 22146-26100

4шт.

10

6127-61-2971

O-RING

SN: 26101-UP

8шт.

10

0

O-RING

SN: 22146-26100

8шт.

11

6127-61-2412

PLATE

SN: 22146-UP

1шт.

11A

6127-51-5920

PLATE

SN: 22146-UP

1шт.

12

6127-61-2420

GASKET

SN: 22146-UP

2шт.

13

01010-31020

BOLT

SN: 22146-UP

2шт.

13A

01010-31030

BOLT

SN: 22146-UP

2шт.

14

01602-01030

WASHER

SN: 22146-UP

4шт.

15

6124-61-2181

GROMMET (K2)

SN: 22146-UP

2шт.

16

6127-61-2131

GASKET (K2)

SN: 22146-UP

1шт.

17

01010-31035

BOLT

SN: 22146-UP

22шт.

18

01602-01030

WASHER

SN: 22146-UP

22шт.

19

01642-21016

WASHER

SN: 22146-UP

22шт.

Выбрано товаров: 25