Запчасти Komatsu S6D155-4K СТАРТЕР (KW) СИСТЕМА ОХЛАЖДЕНИЯ

Схема запчастей Komatsu S6D155-4K - СТАРТЕР (KW) СИСТЕМА ОХЛАЖДЕНИЯ
FIT
1:1
100%

Артикул

Название

Примечание

Количество

|$0

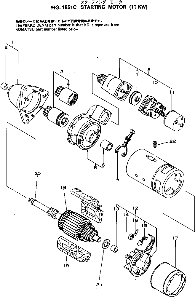
600-813-2753

STARTING MOTOR ASS'Y,(11KW)

SN: 22146-UP

1шт.

1

KD7-21300-0150

FRONT BRACKET ASS'Y

SN: 22146-UP

1шт.

2

KD1-21351-1000

METAL

SN: 22146-UP

1шт.

3

KD1-21500-1750

CLUTCH ASS'Y

SN: 22146-UP

1шт.

4

KD1-21510-1670

PINION

SN: 22146-UP

1шт.

5

KD7-21600-0080

CENTER BRACKET A.

SN: 22146-UP

1шт.

6

KD1-21351-0060

METAL

SN: 22146-UP

1шт.

7

KD7-21320-0070

SHIFT LEVER ASS'Y

SN: 22146-UP

1шт.

8

KD7-47100-0180

MAGNETIC SWITCH A.

SN: 22146-UP

1шт.

9

KD1-47150-0361

CONTACTOR

SN: 22146-UP

1шт.

10

KD0-47760-1331

COVER ASS'Y

SN: 22146-UP

1шт.

11

KD1-47761-0190

COVER

SN: 22146-UP

1шт.

12

KD7-21700-0100

REAR BRACKET ASS'Y

SN: 22146-UP

1шт.

13

KD1-21351-0140

METAL

SN: 22146-UP

1шт.

14

KD0-21750-1260

BRUSH HOLDER A.

SN: 22146-UP

1шт.

15

KD1-21740-0370

BRUSH

SN: 22146-UP

8шт.

16

KD1-21913-0120

SPRING

SN: 22146-UP

8шт.

17

KD1-21761-1180

COVER

SN: 22146-UP

1шт.

18

KD7-21100-0080

ARMATURE ASS'Y

SN: 22146-UP

1шт.

19

KD7-21230-0060

FIELD COIL ASS'Y

SN: 22146-UP

1шт.

20

KD1-21181-0122

STOPPER

SN: 22146-UP

1шт.

21

KD1-21921-0280

WASHER

SN: 22146-UP

2шт.

22

KD1-0060-10182

SCREW

SN: 22146-UP

8шт.

23

KD7-09210-0030

SEAL ASS'Y,(NOT SHOWN)

SN: 22146-UP

1шт.

Выбрано товаров: 24