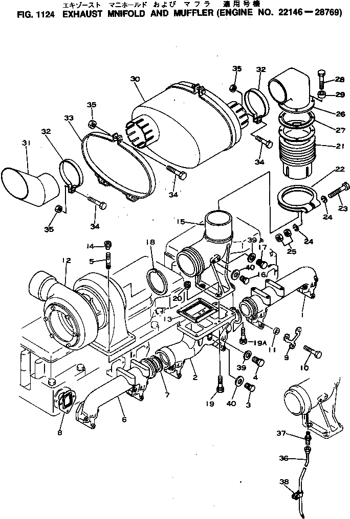
Запчасти Komatsu S6D155-4K ВЫПУСКНОЙ КОЛЛЕКТОР И ГЛУШИТЕЛЬ(№-879) ГОЛОВКА ЦИЛИНДРОВ

Схема запчастей Komatsu S6D155-4K - ВЫПУСКНОЙ КОЛЛЕКТОР И ГЛУШИТЕЛЬ(№-879) ГОЛОВКА ЦИЛИНДРОВ
FIT
1:1
100%

Артикул

Название

Примечание

Количество

1

6127-11-5113

MANIFOLD

SN: 22146-28769

1шт.

2

6127-11-5331

MANIFOLD

SN: 22146-28769

1шт.

3

6110-81-9150

PLUG

SN: 22146-28769

2шт.

4

6128-81-9160

PLUG

SN: 22146-28769

2шт.

5

6128-11-5240

STUD

SN: 22146-@

4шт.

6

6127-11-5132

MANIFOLD

SN: 22146-28769

1шт.

7

6127-11-5150

RING

SN: 22146-@

2шт.

8

6127-11-5810

GASKET (K1)

SN: 22146-@

6шт.

9

6127-11-5190

LOCK (K1)

SN: 22146-@

6шт.

10

01011-61210

BOLT

SN: 22146-@

18шт.

11

6127-11-5180

SPACER,(SEE FIG.1141B)

SN: 22146-@

18шт.

12

6502-13-2003

TURBOCHARGER ASS'Y,(KTR130-11F) (SEE FIG.1141B)

SN: .-28769

1шт.

12

6502-13-2002

TURBOCHARGER ASS'Y,(KTR130-11E) (SEE FIG.1141B)

SN: 22146-.

1шт.

13

6127-81-2810

GASKET (K1)

SN: 22146-@

1шт.

14

6710-81-2920

NUT

SN: 22146-@

4шт.

15

69902-0-0590

CONNECTOR

SN: 22146-28769

1шт.

16

6110-81-9150

PLUG

SN: 22146-@

1шт.

17

6128-81-9160

PLUG

SN: 22146-@

1шт.

18

6128-81-2830

RING

SN: 22146-@

1шт.

19

6128-81-2910

BOLT

SN: 22146-@

2шт.

19A

6127-81-2960

BOLT

SN: 22146-@

2шт.

20

6710-81-2920

NUT

SN: 22146-28769

4шт.

21

69902-0-3250

BELLOWS

SN: 22146-28769

1шт.

22

6127-11-5640

CLAMP

SN: 22146-28769

1шт.

23

01051-31420

BOLT

SN: 22146-28769

1шт.

24

01641-21423

WASHER

SN: 22146-28769

2шт.

25

01582-01411

NUT

SN: 22146-28769

2шт.

26

69902-0-3290

CONNECTOR

SN: 22146-28769

1шт.

27

69902-0-3270

GASKET (K1)

SN: 22146-28769

1шт.

28

01010-61235

BOLT

SN: 22146-28769

4шт.

29

6127-11-5180

SPACER

SN: 22146-28769

4шт.

30

69902-0-3210

MUFFLER

SN: 22146-28769

1шт.

31

69902-0-3220

PIPE

SN: 22146-28769

1шт.

32

69902-0-3230

CLAMP

SN: 22146-28769

2шт.

33

69902-0-3240

BAND

SN: 22146-28769

2шт.

34

01010-31040

BOLT

SN: 22146-28769

4шт.

35

01580-01108

NUT

SN: 22146-28769

4шт.

36

6127-81-2830

PIPE

SN: 22146-28769

1шт.

37

07214-50610

CONNECTOR

SN: 22146-28769

1шт.

38

6127-81-2840

CLIP

SN: 22146-28769

1шт.

39

07003-01824

GASKET (K1)

SN: 22146-28769

2шт.

40

07003-01015

GASKET (K1)

SN: 22146-28769

2шт.

Выбрано товаров: 42