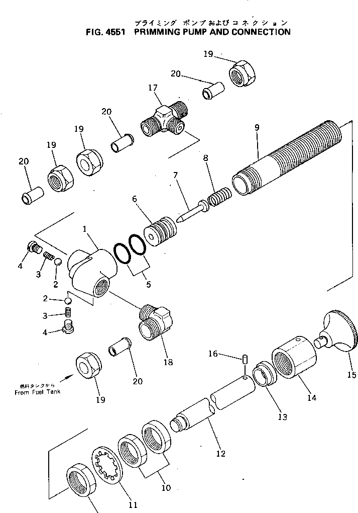
Запчасти Komatsu S6D155-4R ПРОКАЧИВ. НАСОС И СОЕДИН-Е(№89-) ТОПЛИВН. СИСТЕМА

Схема запчастей Komatsu S6D155-4R - ПРОКАЧИВ. НАСОС И СОЕДИН-Е(№89-) ТОПЛИВН. СИСТЕМА
FIT
1:1
100%

Артикул

Название

Примечание

Количество

|$0

6656-81-3501

PRIMING PUMP ASS'Y

SN: 48953-UP

1шт.

1

0

BODY

SN: 48953-UP

1шт.

2

0

BALL

SN: 48953-UP

2шт.

3

0

SPRING

SN: 48953-UP

2шт.

4

0

RETAINER

SN: 48953-UP

2шт.

5

0

O-RING

SN: 48953-UP

2шт.

6

0

NUT

SN: 48953-UP

1шт.

7

0

PIN

SN: 48953-UP

1шт.

8

0

SPRING

SN: 48953-UP

1шт.

9

0

BARREL

SN: 48953-UP

1шт.

10

0

NUT

SN: 48953-UP

3шт.

11

0

WASHER

SN: 48953-UP

1шт.

12

0

ROD

SN: 48953-UP

1шт.

13

0

GUIDE

SN: 48953-UP

1шт.

14

0

NUT

SN: 48953-UP

1шт.

15

0

KNOB

SN: 48953-UP

1шт.

16

0

PIN

SN: 48953-UP

1шт.

17

6610-81-3711

TEE

SN: 48953-UP

1шт.

18

6610-81-8820

ELBOW

SN: 48953-UP

2шт.

19

07201-50512

NUT

SN: 48953-UP

5шт.

20

07200-00515

SLEEVE

SN: 48953-UP

5шт.

Выбрано товаров: 21