Запчасти Komatsu S6D155-4R ВПУСК ВОЗДУХА СОЕДИН-Е(№89-) ГОЛОВКА ЦИЛИНДРОВ

Схема запчастей Komatsu S6D155-4R - ВПУСК ВОЗДУХА СОЕДИН-Е(№89-) ГОЛОВКА ЦИЛИНДРОВ
FIT
1:1
100%

Артикул

Название

Примечание

Количество

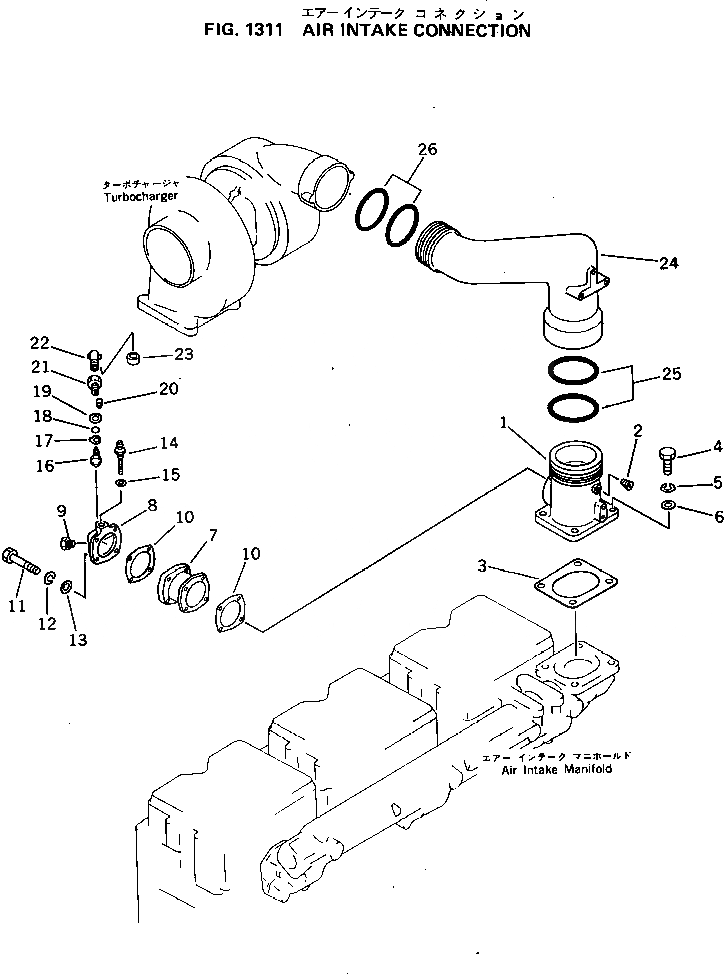
1

6127-11-4391

PIPE

SN: 48953-UP

1шт.

2

02720-20204

PLUG

SN: 48953-UP

1шт.

3

6127-11-4620

GASKET (K1)

SN: 48953-UP

1шт.

4

01010-31445

BOLT

SN: 48953-UP

4шт.

5

01602-01442

WASHER

SN: 48953-UP

4шт.

6

01641-21423

WASHER

SN: 48953-UP

4шт.

7

6128-11-4810

SPACER

SN: 48953-UP

1шт.

8

6675-11-4950

COVER

SN: 48953-UP

1шт.

9

6162-83-4810

PLUG

SN: 48953-UP

1шт.

10

6675-11-4960

GASKET (K1)

SN: 48953-UP

2шт.

11

6128-11-4820

BOLT

SN: 48953-UP

4шт.

12

01602-00825

WASHER

SN: 48953-UP

4шт.

13

01640-00816

WASHER

SN: 48953-UP

4шт.

14

600-815-2110

GLOW PLUG

SN: 48953-UP

1шт.

15

600-815-2190

GASKET (K1)

SN: 48953-UP

1шт.

|$15

6610-81-4103

NOZZLE ASS'Y

SN: 48953-UP

1шт.

16

6610-81-4112

NOZZLE ASS'Y

SN: 48953-UP

1шт.

17

6610-81-4120

PLATE

SN: 48953-UP

1шт.

18

6610-81-4240

O-RING (K1)

SN: 48953-UP

1шт.

19

6610-81-4150

GASKET (K1)

SN: 48953-UP

1шт.

20

6610-81-4140

PIN

SN: 48953-UP

1шт.

21

6610-81-4132

ADAPTER

SN: 48953-UP

1шт.

22

6610-81-8820

ELBOW

SN: 48953-UP

1шт.

23

6610-81-8950

CAP

SN: 48953-UP

1шт.

24

6127-11-4380

PIPE

SN: 48953-UP

1шт.

25

02895-67116

O-RING (K1)

SN: 48953-UP

2шт.

26

02895-67091

O-RING (K1)

SN: 48953-UP

2шт.

Выбрано товаров: 27