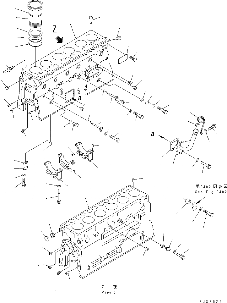
Запчасти Komatsu S6D155-4S-DR БЛОК ЦИЛИНДРОВ БЛОК ЦИЛИНДРОВ

Схема запчастей Komatsu S6D155-4S-DR - БЛОК ЦИЛИНДРОВ БЛОК ЦИЛИНДРОВ
1
1
2
3
3
4
4
5
6
6
7
7
8
8
9
10
11
12
13
14
15
16
17
18
19
20
21
22
23
24
25
26
27
28
29
30
30
31
31
32
33
34
35
36
37
38
39
40
41
42
42
43
43
44
45
46
47
48
49
50
51
52
53
54
55
56
57
58
59
60
FIT
1:1
100%

Артикул

Название

Примечание

Количество

|1

6127-21-1108

CYLINDER BLOCK ASS'Y

SN: 52707-UP

1шт.

1

0

BLOCK,CYLINDER

SN: 52707-UP

1шт.

2

07046-15020

PLUG

SN: 52707-UP

1шт.

3

07043-50415

PLUG

SN: 52707-UP

2шт.

4

04020-01842

PIN,DOWEL

SN: 52707-UP

2шт.

5

04020-00820

PIN,DOWEL

SN: 52707-UP

2шт.

6

6100-21-1130

PLUG

SN: 52707-UP

8шт.

7

07043-51222

PLUG

SN: 52707-UP

9шт.

8

07043-51019

PLUG

SN: 52707-UP

2шт.

9

6110-23-1170

PLUG

SN: 52707-UP

5шт.

10

07040-11409

PLUG

SN: 52707-UP

1шт.

11

07005-01412

GASKET (K2)

SN: 52707-UP

1шт.

12

04020-01024

PIN,DOWEL

SN: 52707-UP

6шт.

13

6127-21-1130

ORIFICE

SN: 52707-UP

3шт.

14

07043-51422

PLUG

SN: 52707-UP

1шт.

15

6127-21-1490

BUSHING,CAMSHAFT

SN: 52707-UP

7шт.

16

6127-21-1150

PLUG

SN: 52707-UP

1шт.

17

6127-21-1160

PIN,DOWEL

SN: 52707-UP

2шт.

18

0

CAP,MAIN METAL¤ NO.1¤2¤4¤6¤7

SN: 52707-UP

5шт.

19

0

CAP,MAIN METAL¤ NO.3

SN: 52707-UP

1шт.

20

0

CAP,MAIN METAL¤ NO.5

SN: 52707-UP

1шт.

21

6127-21-1260

PIN,DOWEL

SN: 52707-UP

2шт.

22

04020-00616

PIN,DOWEL

SN: 52707-UP

2шт.

23

6127-21-1710

BOLT

SN: 52707-UP

14шт.

24

6127-21-1741

WASHER

SN: 52707-UP

14шт.

|25

6128-21-1070

NOZZLE ASS'Y,NO.1¤2¤4¤5¤6

SN: 52707-UP

5шт.

25

0

NOZZLE

SN: 52707-UP

1шт.

26

07000-62016

O-RING (K2)

SN: 52707-UP

1шт.

|27

6127-21-1071

NOZZLE ASS'Y,NO.3

SN: 52707-UP

1шт.

27

0

NOZZLE

SN: 52707-UP

1шт.

28

6100-21-1130

PLUG

SN: 52707-UP

1шт.

29

07000-62016

O-RING (K2)

SN: 52707-UP

1шт.

30

01010-30818

BOLT

SN: 52707-UP

6шт.

31

01602-00825

WASHER,SPRING

SN: 52707-UP

6шт.

32

6127-21-1170

SPRAY,OIL

SN: 52707-UP

1шт.

33

6128-21-2216

LINER,CYLINDER

SN: 52707-UP

6шт.

34

6127-21-2252

SEAL,CREVICE (K2)

SN: 52707-UP

6шт.

35

6127-21-2221

O-RING,CENTER (K2)

SN: 52707-UP

6шт.

36

6127-21-2241

O-RING,LOWER (K2)

SN: 52707-UP

6шт.

37

6127-29-2230

SHIM¤ 0.18MM

SN: 52707-UP

-2шт.

|37

6127-28-2230

SHIM¤ 0.20MM

SN: 52707-UP

-2шт.

|37

6127-27-2230

SHIM¤ 0.23MM

SN: 52707-UP

-2шт.

|37

6127-26-2230

SHIM¤ 0.51MM

SN: 52707-UP

-2шт.

|37

6127-25-2230

SHIM¤ 0.79MM

SN: 52707-UP

-2шт.

|37

6127-24-2230

SHIM¤ 1.57MM

SN: 52707-UP

-2шт.

38

6127-21-6710

COVER

SN: 52707-UP

1шт.

39

6127-21-6720

GASKET (K2)

SN: 52707-UP

1шт.

40

6127-21-6810

FLANGE

SN: 52707-UP

1шт.

41

6127-21-6820

GASKET (K2)

SN: 52707-UP

1шт.

42

01010-31025

BOLT

SN: 52707-UP

4шт.

43

01602-01030

WASHER,SPRING

SN: 52707-UP

4шт.

44

6127-51-6950

COVER

SN: 52707-UP

1шт.

45

6127-51-6920

GASKET (K2)

SN: 52707-UP

1шт.

46

01010-31020

BOLT

SN: 52707-UP

2шт.

47

01602-01030

WASHER,SPRING

SN: 52707-UP

2шт.

48

6127-21-7114

FILLER,OIL

SN: 52707-UP

1шт.

49

6127-21-7401

CAP

SN: 52707-UP

1шт.

50

6128-21-7450

RING,SEAL

SN: 52707-UP

1шт.

51

6127-21-6521

GASKET (K2)

SN: 52707-UP

1шт.

52

01010-30825

BOLT

SN: 52707-UP

7шт.

53

01602-00825

WASHER,SPRING

SN: 52707-UP

7шт.

54

01010-30845

BOLT

SN: 52707-UP

1шт.

55

01640-00816

WASHER

SN: 52707-UP

1шт.

56

6142-82-6550

SPACER

SN: 52707-UP

1шт.

57

01010-31016

BOLT

SN: 52707-UP

1шт.

58

01602-01030

WASHER,SPRING

SN: 52707-UP

1шт.

59

09605-00041

PLATE¤ NAME,(ENGLISH) (LIMITED SUPPLY)

SN: 52707-UP

1шт.

60

04418-03060

SCREW

SN: 52707-UP

4шт.

Выбрано товаров: 68