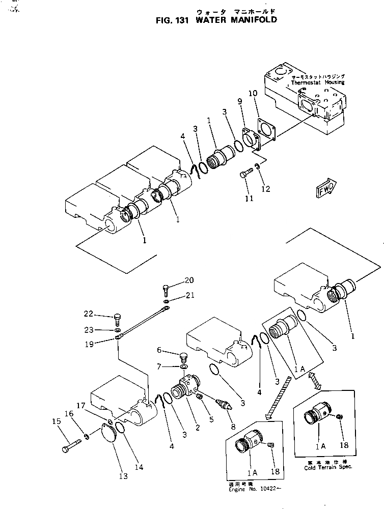
Запчасти Komatsu S6D170-1C ВОДЯНОЙ КОЛЛЕКТОР ГОЛОВКА ЦИЛИНДРОВ

Схема запчастей Komatsu S6D170-1C - ВОДЯНОЙ КОЛЛЕКТОР ГОЛОВКА ЦИЛИНДРОВ
FIT
1:1
100%

Артикул

Название

Примечание

Количество

1

6162-13-6270

PIPE

SN: 10125-UP

5шт.

1A

6162-13-6370

PIPE

SN: 10422-UP

4шт.

|1A

6162-13-6270

PIPE

SN: 10125-10421

1шт.

|1A

6162-13-6370

PIPE,(A)

SN: 10125-UP

1шт.

2

6162-13-6291

PIPE

SN: 10125-UP

1шт.

3

07000-05065

O-RING (K1)

SN: 10125-UP

12шт.

4

6162-13-6280

RING

SN: 10125-UP

6шт.

5

07043-00415

PLUG

SN: 10125-UP

2шт.

6

07040-01612

PLUG

SN: 10125-UP

2шт.

7

07005-01612

GASKET (K1)

SN: 10125-UP

2шт.

9

6162-13-6560

CONNECTOR

SN: 10125-UP

1шт.

10

6162-13-6570

GASKET (K1)

SN: 10125-UP

1шт.

11

01010-31025

BOLT

SN: 10125-UP

4шт.

12

01602-01030

WASHER

SN: 10125-UP

4шт.

13

6162-13-7120

COVER

SN: 10125-UP

1шт.

14

07000-02070

O-RING (K1)

SN: 10125-UP

1шт.

15

01010-31025

BOLT

SN: 10125-UP

1шт.

16

01602-01030

WASHER

SN: 10125-UP

1шт.

17

01641-21016

WASHER

SN: 10125-UP

1шт.

18

07043-01019

PLUG,(A)

SN: 10125-UP

1шт.

19

6162-83-4550

HARNESS

SN: 10125-UP

1шт.

20

01010-30612

BOLT

SN: 10125-UP

1шт.

21

01641-20608

WASHER

SN: 10125-UP

1шт.

22

01010-31220

BOLT

SN: 10125-UP

1шт.

23

01641-21223

WASHER

SN: 10125-UP

1шт.

Выбрано товаров: 25