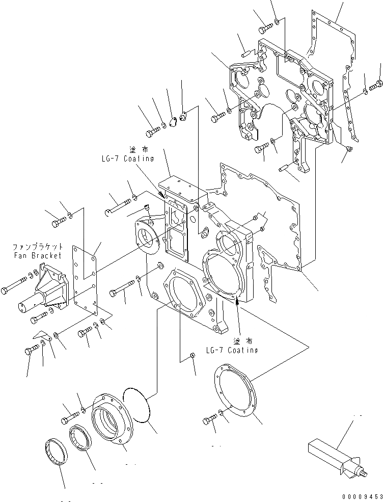
Запчасти Komatsu S6D170-1D-6B КОРПУС ШЕСТЕРЕНН. ПЕРЕДАЧИ И ПЕРЕДН. COVER(№78-9) ДВИГАТЕЛЬ

Схема запчастей Komatsu S6D170-1D-6B - КОРПУС ШЕСТЕРЕНН. ПЕРЕДАЧИ И ПЕРЕДН. COVER(№78-9) ДВИГАТЕЛЬ
1
2
3
3
4
5
6
7
8
8
8
9
10
11
12
13
14
15
16
17
18
18
19
20
21
22
23
24
25
26
27
28
28
29
29
30
31
32
33
34
35
36
37
38
39
40
1
2
3
3
4
5
6
7
8
8
8
9
10
11
12
13
14
15
16
17
18
18
19
20
21
22
23
24
25
26
27
28
28
29
29
30
31
32
33
34
35
36
37
38
39
40
FIT
1:1
100%

Артикул

Название

Примечание

Количество

|$1

6162-23-3012

GEAR CASE ASS'Y

SN: 15667-19436

1шт.

1

0

CASE,GEAR

SN: 15667-19436

1шт.

2

07043-50108

PLUG

SN: 15667-19436

2шт.

3

04020-01434

PIN,DOWEL

SN: 15667-19436

2шт.

4

6162-23-3811

GASKET (K2)

SN: 16087-19436

1шт.

5

01010-61450

BOLT

SN: 15667-19436

3шт.

6

01010-61440

BOLT

SN: 15667-19436

2шт.

7

01010-61435

BOLT

SN: 15667-19436

4шт.

8

01643-31445

WASHER

SN: 15667-19436

9шт.

|$10

6162-23-3020

COVER ASS'Y

SN: 15667-19436

1шт.

9

0

COVER,GEAR CASE

SN: 15667-19436

1шт.

10

07043-50108

PLUG

SN: 15667-19436

1шт.

11

07046-11216

PLUG

SN: 15667-19436

4шт.

12

07046-11816

PLUG

SN: 15667-19436

3шт.

13

6162-23-3251

GASKET (K2)

SN: 16087-19436

1шт.

14

01011-61410

BOLT

SN: 15667-19436

6шт.

15

01602-01442

WASHER,SPRING

SN: 15667-19436

6шт.

16

01010-81260

BOLT

SN: 17971-19436

10шт.

16

0

BOLT

SN: 15667-17970

10шт.

17

01010-81285

BOLT

SN: 17971-19436

2шт.

17

0

BOLT

SN: 15667-17970

2шт.

18

01602-01236

WASHER,SPRING

SN: 15667-19436

12шт.

19

6162-23-3960

PLATE

SN: 17481-19436

1шт.

20

01010-80616

BOLT

SN: 17971-19436

2шт.

20

0

BOLT

SN: 17481-17970

2шт.

21

01602-00619

WASHER

SN: 17481-19436

2шт.

22

6162-23-3970

GASKET (K2)

SN: 17481-19436

1шт.

23

6162-23-3370

PLATE

SN: 15667-19436

1шт.

24

01010-61430

BOLT

SN: 15667-19436

1шт.

25

01010-80825

BOLT

SN: 17971-19436

2шт.

25

0

BOLT

SN: 15667-17970

2шт.

26

01010-80820

BOLT

SN: 17971-19436

3шт.

26

0

BOLT

SN: 15667-17970

3шт.

27

01602-01442

WASHER,SPRING

SN: 15667-19436

1шт.

28

01602-00825

WASHER,SPRING

SN: 15667-19436

5шт.

29

01640-20816

WASHER

SN: 15667-19436

5шт.

30

6162-23-3230

COVER

SN: 15667-19436

1шт.

31

01010-80816

BOLT

SN: 17971-19436

9шт.

31

0

BOLT

SN: 15667-17970

9шт.

32

01602-00825

WASHER,SPRING

SN: 15667-19436

9шт.

33

6162-23-3350

POINTER

SN: 15667-19436

1шт.

34

6162-23-9911

TRUNNION

SN: 19001-19436

1шт.

34

0

TRUNNION

SN: 15667-19000

1шт.

|$$44

(6162-23-9911,6162-23-3520)

-1шт.

35

07000-65175

O-RING (K2)

SN: 15667-19436

1шт.

36

01010-61440

BOLT

SN: 15667-19436

6шт.

37

01602-01442

WASHER,SPRING

SN: 15667-19436

6шт.

38

6162-23-3510

SEAL, FRONT (K2)

SN: 15667-19436

1шт.

38

6215-29-4320

FRONT SEAL ASS'Y,REPAIR KIT

SN: 15667-19436

1шт.

38

0

SEAL, FRONT,(NOT SHOWN)

SN: 15667-19436

1шт.

38

0

SLEEVE,(NOT SHOWN)

SN: 15667-19436

1шт.

39

6162-23-3520

SEAL,DUST (K2)

SN: 19001-19436

1шт.

40

09920-00150

LIQUID GASKET,LG-7, 150G

SN: 15667-19436

-2шт.

|$1

6162-23-3012

GEAR CASE ASS'Y

SN: 15667-19436

1шт.

1

0

CASE,GEAR

SN: 15667-19436

1шт.

2

07043-50108

PLUG

SN: 15667-19436

2шт.

3

04020-01434

PIN,DOWEL

SN: 15667-19436

2шт.

4

6162-23-3811

GASKET (K2)

SN: 16087-19436

1шт.

5

01010-61450

BOLT

SN: 15667-19436

3шт.

6

01010-61440

BOLT

SN: 15667-19436

2шт.

7

01010-61435

BOLT

SN: 15667-19436

4шт.

8

01643-31445

WASHER

SN: 15667-19436

9шт.

|$10

6162-23-3020

COVER ASS'Y

SN: 15667-19436

1шт.

9

0

COVER,GEAR CASE

SN: 15667-19436

1шт.

10

07043-50108

PLUG

SN: 15667-19436

1шт.

11

07046-11216

PLUG

SN: 15667-19436

4шт.

12

07046-11816

PLUG

SN: 15667-19436

3шт.

13

6162-23-3251

GASKET (K2)

SN: 16087-19436

1шт.

14

01011-61410

BOLT

SN: 15667-19436

6шт.

15

01602-01442

WASHER,SPRING

SN: 15667-19436

6шт.

16

01010-81260

BOLT

SN: 17971-19436

10шт.

16

0

BOLT

SN: 15667-17970

10шт.

17

01010-81285

BOLT

SN: 17971-19436

2шт.

17

0

BOLT

SN: 15667-17970

2шт.

18

01602-01236

WASHER,SPRING

SN: 15667-19436

12шт.

19

6162-23-3960

PLATE

SN: 17481-19436

1шт.

20

01010-80616

BOLT

SN: 17971-19436

2шт.

20

0

BOLT

SN: 17481-17970

2шт.

21

01602-00619

WASHER

SN: 17481-19436

2шт.

22

6162-23-3970

GASKET (K2)

SN: 17481-19436

1шт.

23

6162-23-3370

PLATE

SN: 15667-19436

1шт.

24

01010-61430

BOLT

SN: 15667-19436

1шт.

25

01010-80825

BOLT

SN: 17971-19436

2шт.

25

0

BOLT

SN: 15667-17970

2шт.

26

01010-80820

BOLT

SN: 17971-19436

3шт.

26

0

BOLT

SN: 15667-17970

3шт.

27

01602-01442

WASHER,SPRING

SN: 15667-19436

1шт.

28

01602-00825

WASHER,SPRING

SN: 15667-19436

5шт.

29

01640-20816

WASHER

SN: 15667-19436

5шт.

30

6162-23-3230

COVER

SN: 15667-19436

1шт.

31

01010-80816

BOLT

SN: 17971-19436

9шт.

31

0

BOLT

SN: 15667-17970

9шт.

32

01602-00825

WASHER,SPRING

SN: 15667-19436

9шт.

33

6162-23-3350

POINTER

SN: 15667-19436

1шт.

34

6162-23-9911

TRUNNION

SN: 19001-19436

1шт.

34

0

TRUNNION

SN: 15667-19000

1шт.

|$$44

(6162-23-9911,6162-23-3520)

-1шт.

35

07000-65175

O-RING (K2)

SN: 15667-19436

1шт.

36

01010-61440

BOLT

SN: 15667-19436

6шт.

37

01602-01442

WASHER,SPRING

SN: 15667-19436

6шт.

38

6162-23-3510

SEAL, FRONT (K2)

SN: 15667-19436

1шт.

38

6215-29-4320

FRONT SEAL ASS'Y,REPAIR KIT

SN: 15667-19436

1шт.

38

0

SEAL, FRONT,(NOT SHOWN)

SN: 15667-19436

1шт.

38

0

SLEEVE,(NOT SHOWN)

SN: 15667-19436

1шт.

39

6162-23-3520

SEAL,DUST (K2)

SN: 19001-19436

1шт.

40

09920-00150

LIQUID GASKET,LG-7, 150G

SN: 15667-19436

-2шт.

Выбрано товаров: 0