Запчасти Komatsu S6D170-1D-R СМАЗЫВ. НАСОС И ВСАСЫВ. PIPE СИСТЕМА СМАЗКИ МАСЛ. СИСТЕМА

Схема запчастей Komatsu S6D170-1D-R - СМАЗЫВ. НАСОС И ВСАСЫВ. PIPE СИСТЕМА СМАЗКИ МАСЛ. СИСТЕМА
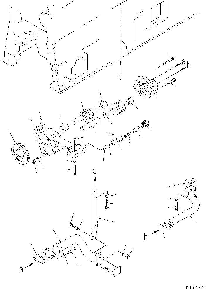
1
2
3
4
5
6
7
8
9
9
10
11
12
13
14
15
16
17
18
19
20
21
22
23
24
25
26
27
28
29
30
31
32
33
34
34
35
36
37
38
39
FIT
1:1
100%

Артикул

Название

Примечание

Количество

|$0

6162-53-1012

OIL PUMP ASS'Y

SN: 12952-UP

1шт.

|$1

6162-53-1210

BODY ASS'Y

SN: 12952-UP

1шт.

1

0

BODY

SN: 12952-UP

1шт.

2

6162-53-1180

BUSHING

SN: 12952-UP

1шт.

3

6162-53-1270

SHAFT,DRIVEN

SN: 12952-UP

1шт.

|$5

6162-53-1100

COVER ASS'Y

SN: 12952-UP

1шт.

4

0

COVER

SN: 12952-UP

1шт.

5

6162-53-1180

BUSHING

SN: 12952-UP

1шт.

6

6162-53-1240

SHAFT

SN: 12952-UP

1шт.

7

6162-53-1510

GEAR,DRIVE

SN: 12952-UP

1шт.

|$10

6162-53-1250

GEAR ASS'Y

SN: 12952-UP

1шт.

8

0

GEAR,DRIVEN

SN: 12952-UP

1шт.

9

6162-53-1280

BUSHING

SN: 12952-UP

2шт.

10

6162-53-1290

BOLT

SN: 12952-UP

2шт.

11

01051-31250

BOLT

SN: 12952-UP

2шт.

12

01602-01236

WASHER,SPRING

SN: 12952-UP

4шт.

13

01582-01210

NUT

SN: 12952-UP

4шт.

14

6162-53-1651

PLUG

SN: 12952-UP

1шт.

|$18

6162-53-6852

PLUNGER ASS'Y

SN: 12952-UP

1шт.

15

6162-53-6862

PLUNGER

SN: 12952-UP

1шт.

16

6162-53-6870

BALL

SN: 12952-UP

1шт.

17

6162-53-6880

SPRING

SN: 12952-UP

1шт.

18

6162-53-1190

PIN

SN: 12952-UP

1шт.

19

6162-53-6890

SPRING

SN: 12952-UP

1шт.

20

6110-25-6340

SHIM ASS'Y

SN: 12952-UP

3шт.

21

04020-00820

PIN,DOWEL

SN: 12952-UP

2шт.

22

01010-31240

BOLT

SN: 12952-UP

4шт.

23

01602-01236

WASHER,SPRING

SN: 12952-UP

4шт.

24

07000-62015

O-RING (K2)

SN: 12952-UP

1шт.

25

6162-53-6314

PIPE,SUCTION

SN: 12952-UP

1шт.

26

6111-61-6810

GASKET (K2)

SN: 12952-UP

1шт.

27

01010-31035

BOLT

SN: 12952-UP

2шт.

28

01602-01030

WASHER,SPRING

SN: 12952-UP

2шт.

29

6162-53-6344

BRACKET

SN: 12952-UP

1шт.

30

01010-31025

BOLT

SN: 12952-UP

1шт.

31

6110-23-6490

SPACER

SN: 12952-UP

1шт.

32

01010-31025

BOLT

SN: 12952-UP

1шт.

33

01580-01008

NUT

SN: 12952-UP

1шт.

34

01643-31032

WASHER

SN: 12952-UP

2шт.

35

6162-53-6410

PIPE

SN: 12952-UP

1шт.

36

6162-53-6370

O-RING (K2)

SN: 12952-UP

1шт.

37

6127-51-6822

GASKET (K2)

SN: 14059-UP

1шт.

|$42

0

GASKET

SN: 12952-14058

1шт.

38

01010-31070

BOLT

SN: 12952-UP

2шт.

39

01602-01030

WASHER,SPRING

SN: 12952-UP

2шт.

Выбрано товаров: 45