Запчасти Komatsu S6D170-1G-6A ВОДЯНАЯ ПОМПА(№8-) ДВИГАТЕЛЬ

Схема запчастей Komatsu S6D170-1G-6A - ВОДЯНАЯ ПОМПА(№8-) ДВИГАТЕЛЬ
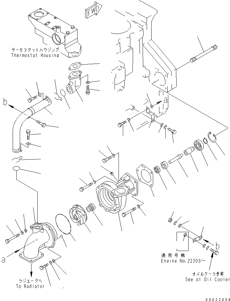
1
2
3
4
5
6
7
8
9
10
11
12
13
14
15
15
16
16
17
18
19
20
21
22
22
23
24
25
26
27
28
28
29
29
30
31
32
33
33
34
35
36
37
37
38
38
39
39
40
41
42
43
44
45
FIT
1:1
100%

Артикул

Название

Примечание

Количество

|$1

6162-63-1016

WATER PUMP ASS'Y

SN: 22594-UP

1шт.

|$2

6162-63-1015

WATER PUMP ASS'Y

SN: 18265-22593

1шт.

1

0

BODY

SN: 15667-UP

1шт.

2

6162-63-1570

SEAL,OIL (K6)

SN: 15667-UP

1шт.

3

06000-06205

BEARING,BALL

SN: 15667-UP

1шт.

4

06000-06306

BEARING,BALL

SN: 15667-UP

1шт.

5

6162-63-1340

RING,RETAINER

SN: 15667-UP

1шт.

6

6162-63-1515

SEAL, WATER

SN: 22594-UP

1шт.

6

0

SEAL, WATER (K6)

SN: 17225-22593

1шт.

|$10

6162-63-1301

SHAFT ASS'Y

SN: 15667-UP

1шт.

7

0

SHAFT,REAR

SN: 15667-UP

1шт.

8

0

SHAFT,FRONT

SN: 15667-UP

1шт.

9

6162-63-1353

IMPELLER

SN: 15667-UP

1шт.

10

6162-63-1180

HOUSING

SN: 15667-UP

1шт.

11

07000-72012

O-RING (K6)

SN: 20316-UP

1шт.

11

0

O-RING (K6)

SN: 15667-20315

1шт.

12

07000-05145

O-RING (K6)

SN: 15667-UP

1шт.

13

01010-81030

BOLT

SN: 17971-UP

3шт.

14

01010-81080

BOLT

SN: 17971-UP

1шт.

15

01602-01030

WASHER,SPRING

SN: 15667-UP

4шт.

16

01640-01016

WASHER

SN: 15667-UP

4шт.

17

6162-63-1440

RING,SNAP

SN: 15667-UP

1шт.

18

07043-70108

PLUG

SN: 17648-UP

1шт.

19

01010-81030

BOLT

SN: 17971-UP

2шт.

20

01010-81270

BOLT

SN: 17971-UP

2шт.

21

01010-81075

BOLT

SN: 17971-UP

1шт.

22

01602-01030

WASHER,SPRING

SN: 15667-UP

3шт.

23

01602-01236

WASHER,SPRING

SN: 15667-UP

2шт.

24

6162-63-1531

BRACKET

SN: 15667-UP

1шт.

25

6162-63-1811

GASKET (K6)

SN: 16041-UP

1шт.

26

01010-81035

BOLT

SN: 17971-UP

1шт.

27

01010-81025

BOLT

SN: 17971-UP

1шт.

28

01602-01030

WASHER,SPRING

SN: 15667-UP

1шт.

29

01640-01016

WASHER

SN: 15667-UP

1шт.

30

6162-63-1630

SHAFT,SPLINE

SN: 15667-UP

1шт.

31

6162-63-6510

ELBOW

SN: 15667-UP

1шт.

32

195-03-14381

GASKET (K1)

SN: 16041-UP

1шт.

33

6162-63-6880

O-RING (K6)

SN: 15667-UP

2шт.

34

01010-81030

BOLT

SN: 17971-UP

2шт.

35

01643-31032

WASHER

SN: 15667-UP

2шт.

36

6162-63-6681

TUBE

SN: 15667-UP

1шт.

37

6162-63-6850

SPRING

SN: 15667-UP

2шт.

38

01010-80820

BOLT

SN: 17971-UP

2шт.

39

01678-00826

WASHER

SN: 15667-UP

2шт.

40

6162-83-6270

STAY

SN: 15667-UP

1шт.

41

209-62-11810

SPACER

SN: 22203-UP

1шт.

42

01010-81025

BOLT

SN: 15667-UP

1шт.

43

01602-01030

WASHER,SPRING

SN: 15667-UP

1шт.

44

01643-31032

WASHER

SN: 15667-UP

1шт.

45

01580-01008

NUT

SN: 15667-UP

1шт.

Выбрано товаров: 50