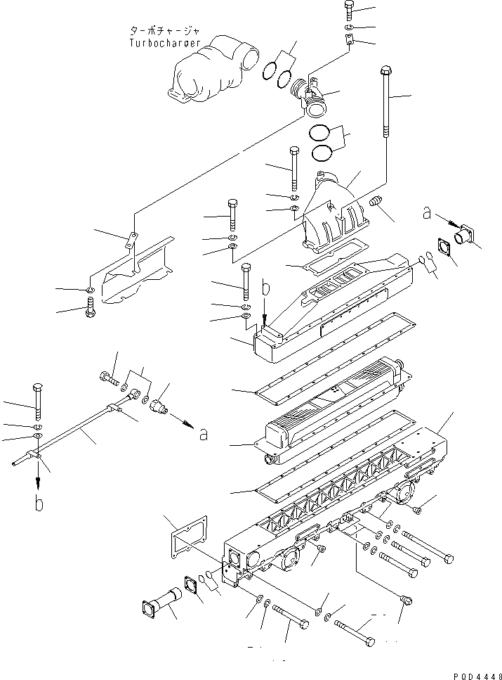
Запчасти Komatsu S6D170-1G-6C ТРУБОПРОВОД ВПУСКА ВОЗДУХА И ПОСЛЕОХЛАДИТЕЛЬ (СПЕЦ-Я ДЛЯ БОЛЬШИХ ВЫСОТ.)(№779-) ДВИГАТЕЛЬ

Схема запчастей Komatsu S6D170-1G-6C - ТРУБОПРОВОД ВПУСКА ВОЗДУХА И ПОСЛЕОХЛАДИТЕЛЬ (СПЕЦ-Я ДЛЯ БОЛЬШИХ ВЫСОТ.)(№779-) ДВИГАТЕЛЬ
1
2
3
4
4
5
5
6
6
7
7
8
9
9
10
10
11
12
13
14
14
15
16
17
18
19
20
21
21
22
22
23
23
24
25
26
26
27
28
29
29
30
30
31
31
32
33
34
35
35
36
36
FIT
1:1
100%

Артикул

Название

Примечание

Количество

1

6162-13-4150

MANIFOLD,INTAKE

SN: 17793-UP

1шт.

2

6162-63-6112

CORE ASS'Y

SN: 17793-UP

1шт.

3

6162-13-4651

COVER

SN: 17793-UP

1шт.

4

6162-13-4721

GASKET (K1)

SN: 17793-UP

2шт.

5

6132-11-6460

BOLT

SN: 17793-UP

24шт.

6

01602-00825

WASHER,SPRING

SN: 17793-UP

24шт.

7

01640-20816

WASHER

SN: 17793-UP

24шт.

8

6162-63-6310

CONNECTOR

SN: 17793-UP

1шт.

9

6162-63-6270

O-RING (K1)

SN: 17793-UP

4шт.

10

6138-61-6570

GASKET (K1)

SN: 17793-UP

2шт.

11

6162-63-6340

JOINT

SN: 17793-UP

1шт.

12

6162-63-6740

TUBE

SN: 17793-UP

1шт.

13

6162-63-6820

CONNECTOR

SN: 17793-UP

1шт.

14

6162-63-6750

CLAMP

SN: 17793-UP

2шт.

15

07005-01412

GASKET (K1)

SN: 17793-UP

2шт.

16

07206-31014

BOLT,JOINT

SN: 17793-UP

1шт.

17

07042-00108

PLUG

SN: 17793-UP

1шт.

18

6162-13-4812

GASKET (K1)

SN: 17793-UP

6шт.

19

01010-81095

BOLT

SN: 17793-UP

15шт.

20

01011-81055

BOLT

SN: 17793-UP

15шт.

21

01602-01030

WASHER,SPRING

SN: 17793-UP

30шт.

22

01640-21016

WASHER

SN: 17793-UP

30шт.

23

07043-70108

PLUG

SN: 17793-UP

2шт.

24

6162-13-4361

CONNECTOR

SN: 17793-UP

1шт.

25

6162-13-4310

CONNECTOR,AIR

SN: 17793-UP

1шт.

26

02895-67075

O-RING (K1)

SN: 17793-UP

4шт.

27

07042-00108

PLUG

SN: 17793-UP

2шт.

28

6162-13-4741

GASKET (K1)

SN: 17793-UP

1шт.

29

362-846-1170

PLATE

SN: 17793-UP

2шт.

30

01010-81020

BOLT

SN: 17793-UP

4шт.

31

01602-01030

WASHER,SPRING

SN: 17793-UP

4шт.

32

01010-80840

BOLT

SN: 17793-UP

4шт.

33

6222-11-4910

BOLT

SN: 17793-UP

1шт.

34

6140-14-5460

BOLT

SN: 17793-UP

1шт.

35

01602-00825

WASHER,SPRING

SN: 17793-UP

5шт.

36

01641-20812

WASHER

SN: 17793-UP

5шт.

Выбрано товаров: 36