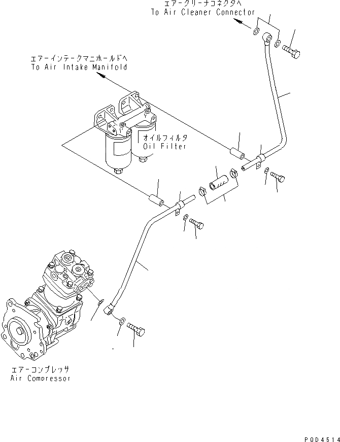
Запчасти Komatsu S6D170-1G-B ЛИНИЯ КОМПРЕССОРА (/) (-CЯ)(№77-) ДВИГАТЕЛЬ

Схема запчастей Komatsu S6D170-1G-B - ЛИНИЯ КОМПРЕССОРА (/) (-CЯ)(№77-) ДВИГАТЕЛЬ
1
2
2
3
3
3
4
5
6
7
7
8
8
9
9
10
10
FIT
1:1
100%

Артикул

Название

Примечание

Количество

1

6162-83-6510

TUBE

SN: 15707-UP

1шт.

2

6137-81-3140

BOLT,JOINT

SN: 15707-UP

2шт.

3

6164-91-6220

GASKET (K8)

SN: 15707-UP

4шт.

4

6164-91-6122

HOSE

SN: 15707-UP

1шт.

5

07281-00289

CLAMP

SN: 15707-UP

2шт.

6

6162-83-6520

TUBE

SN: 15707-UP

1шт.

7

04434-51810

CLIP

SN: 15707-UP

2шт.

8

6631-11-5630

SPACER

SN: 15707-UP

2шт.

9

01010-81050

BOLT

SN: 15707-UP

2шт.

10

01643-01032

WASHER

SN: 15707-UP

2шт.

Выбрано товаров: 10