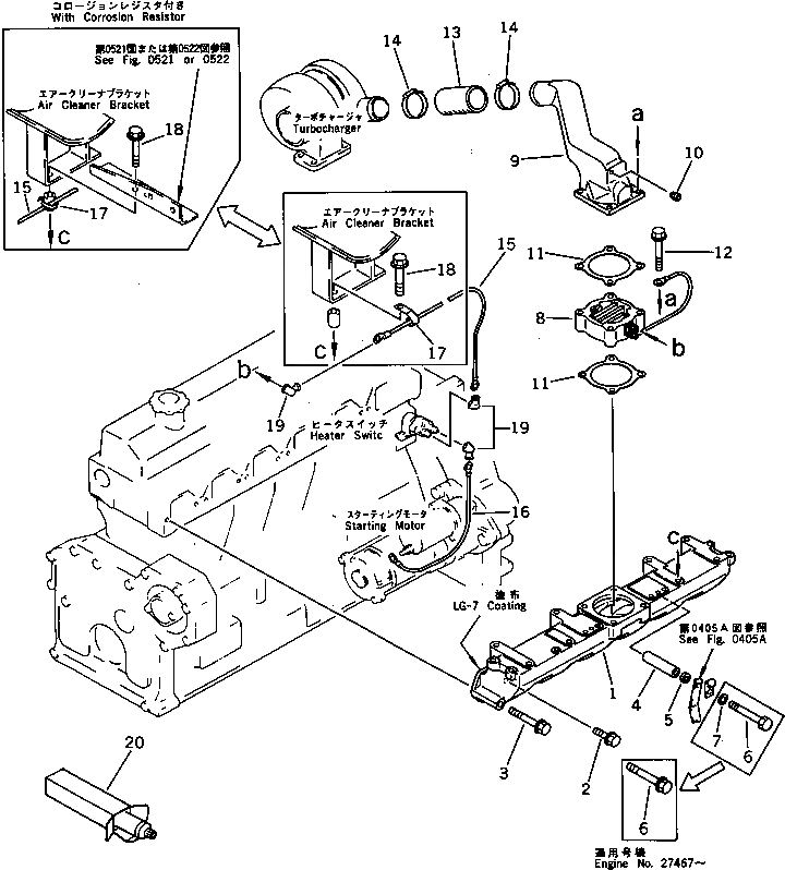
Запчасти Komatsu S6D95L-1B ТРУБОПРОВОД ВПУСКА ВОЗДУХА И СОЕДИН-Е(№-87) ГОЛОВКА ЦИЛИНДРОВ

Схема запчастей Komatsu S6D95L-1B - ТРУБОПРОВОД ВПУСКА ВОЗДУХА И СОЕДИН-Е(№-87) ГОЛОВКА ЦИЛИНДРОВ
FIT
1:1
100%

Артикул

Название

Примечание

Количество

1

6206-11-4110

MANIFOLD,INTAKE

SN: 10001-42187

1шт.

2

01435-21030

BOLT

SN: 23243-42187

10шт.

3

01435-21085

BOLT

SN: 10001-42187

1шт.

4

6206-81-9870

SPACER

SN: 23243-@

1шт.

5

6110-23-6490

SPACER

SN: 23243-27466

1шт.

6

01436-01040

BOLT

SN: 27467-@

1шт.

|6

0

BOLT

SN: 23243-27466

1шт.

7

01643-31032

WASHER

SN: 23243-27466

1шт.

8

600-815-2341

HEATER,RIBBON

SN: 10001-@

1шт.

9

6207-11-4320

CONNECTOR,AIR

SN: 10001-@

1шт.

10

07043-50108

PLUG

SN: 10001-@

1шт.

11

6136-11-4820

GASKET (K1)

SN: 10001-@

2шт.

12

01435-21070

BOLT

SN: 10001-@

4шт.

13

6207-11-4370

HOSE

SN: 10001-@

1шт.

14

07281-00709

CLAMP

SN: 10001-@

2шт.

15

6206-81-4720

WIRE¤ 480MM

SN: 10001-@

1шт.

16

6206-81-4730

WIRE¤ 380MM

SN: 10001-@

1шт.

17

08036-10814

CLIP

SN: 10001-@

1шт.

|17

08034-00519

BAND,(WITH CORROSION RESISTOR)

SN: 10001-@

1шт.

18

01435-21060

BOLT

SN: 26082-@

1шт.

|18

01435-21065

BOLT

SN: 10001-26081

1шт.

19

08038-00519

CAP

SN: 14329-@

3шт.

20

09920-00150

LIQUID GASKET,LG-7¤ 150G

SN: 10001-@

-2шт.

1

6206-11-4110

MANIFOLD,INTAKE

SN: 10001-42187

1шт.

2

01435-21030

BOLT

SN: 23243-42187

10шт.

3

01435-21085

BOLT

SN: 10001-42187

1шт.

4

6206-81-9870

SPACER

SN: 23243-@

1шт.

5

6110-23-6490

SPACER

SN: 23243-27466

1шт.

6

01436-01040

BOLT

SN: 27467-@

1шт.

|6

0

BOLT

SN: 23243-27466

1шт.

7

01643-31032

WASHER

SN: 23243-27466

1шт.

8

600-815-2341

HEATER,RIBBON

SN: 10001-@

1шт.

9

6207-11-4320

CONNECTOR,AIR

SN: 10001-@

1шт.

10

07043-50108

PLUG

SN: 10001-@

1шт.

11

6136-11-4820

GASKET (K1)

SN: 10001-@

2шт.

12

01435-21070

BOLT

SN: 10001-@

4шт.

13

6207-11-4370

HOSE

SN: 10001-@

1шт.

14

07281-00709

CLAMP

SN: 10001-@

2шт.

15

6206-81-4720

WIRE¤ 480MM

SN: 10001-@

1шт.

16

6206-81-4730

WIRE¤ 380MM

SN: 10001-@

1шт.

17

08036-10814

CLIP

SN: 10001-@

1шт.

|17

08034-00519

BAND,(WITH CORROSION RESISTOR)

SN: 10001-@

1шт.

18

01435-21060

BOLT

SN: 26082-@

1шт.

|18

01435-21065

BOLT

SN: 10001-26081

1шт.

19

08038-00519

CAP

SN: 14329-@

3шт.

20

09920-00150

LIQUID GASKET,LG-7¤ 150G

SN: 10001-@

-2шт.

Выбрано товаров: 46