Запчасти Komatsu S6D95L-1B ТРУБОПРОВОД ВПУСКА ВОЗДУХА И СОЕДИН-Е(№8-) ГОЛОВКА ЦИЛИНДРОВ

Схема запчастей Komatsu S6D95L-1B - ТРУБОПРОВОД ВПУСКА ВОЗДУХА И СОЕДИН-Е(№8-) ГОЛОВКА ЦИЛИНДРОВ
FIT
1:1
100%

Артикул

Название

Примечание

Количество

|1

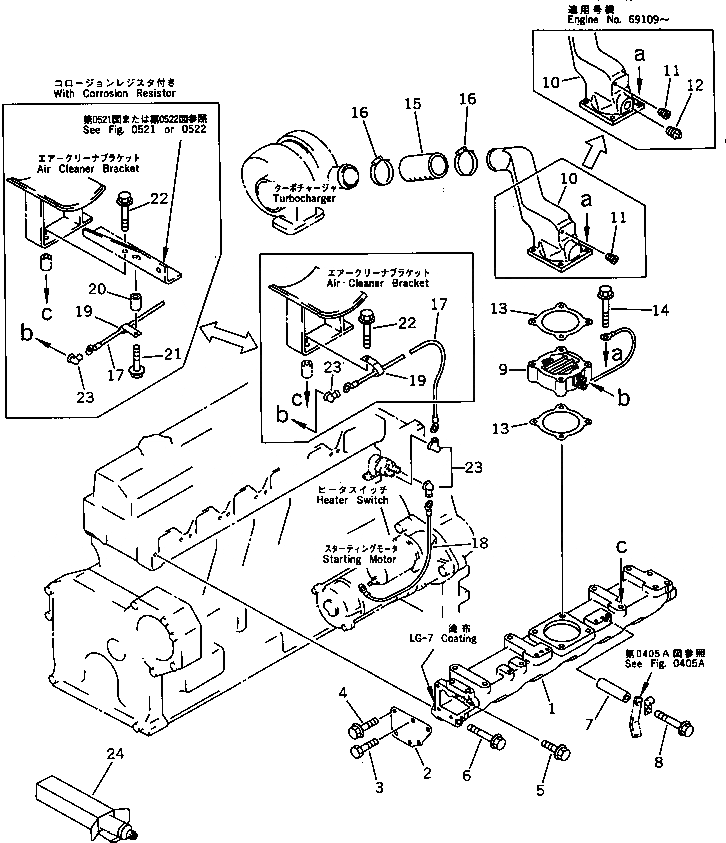
6206-11-4170

INTAKE MANIFOLD A.

SN: 42188-UP

1шт.

1

6206-11-4140

MANIFOLD,INTAKE

SN: 42188-UP

1шт.

2

6206-11-4150

PLATE

SN: 42188-UP

2шт.

3

6206-11-4160

BOLT

SN: 42188-UP

2шт.

4

6206-11-4160

BOLT

SN: 46178-UP

10шт.

|4

01435-00814

BOLT

SN: 42188-46177

10шт.

5

01435-21030

BOLT

SN: 42188-UP

9шт.

6

01435-21085

BOLT

SN: 42188-UP

2шт.

7

6206-81-9870

SPACER

SN: 23243-UP

1шт.

8

01436-01040

BOLT

SN: 27467-UP

1шт.

9

600-815-2341

HEATER,RIBBON

SN: 10001-UP

1шт.

10

6207-11-4380

CONNECTOR,AIR

SN: 69109-UP

1шт.

|10

0

CONNECTOR,AIR

SN: 10001-69108

1шт.

|$$14

(6207-11-4380{07042-70415)}

-1шт.

11

07043-50108

PLUG

SN: 10001-UP

1шт.

12

07042-70415

PLUG

SN: 69109-UP

1шт.

13

6136-11-4820

GASKET (K1)

SN: 10001-UP

2шт.

14

01435-21070

BOLT

SN: 10001-UP

4шт.

15

6207-11-4370

HOSE

SN: 10001-UP

1шт.

16

07281-00709

CLAMP

SN: 10001-UP

2шт.

17

6206-81-4720

WIRE¤ 480MM

SN: 10001-UP

1шт.

18

6206-81-4730

WIRE¤ 380MM

SN: 10001-UP

1шт.

19

6202-72-5520

CLIP

SN: 44268-UP

1шт.

|19

08036-10814

CLIP,(WITH CORROSION RESISTOR)

SN: 45238-UP

1шт.

20

6142-82-6550

SPACER,(WITH CORROSION RESISTOR)

SN: 45238-UP

1шт.

21

01435-20825

BOLT,(WITH CORROSION RESISTOR)

SN: 45238-UP

1шт.

22

01435-21060

BOLT

SN: 26082-UP

1шт.

23

08038-00519

CAP

SN: 14329-UP

3шт.

24

09920-00150

LIQUID GASKET,LG-7¤ 150G

SN: 10001-UP

-2шт.

|1

6206-11-4170

INTAKE MANIFOLD A.

SN: 42188-UP

1шт.

1

6206-11-4140

MANIFOLD,INTAKE

SN: 42188-UP

1шт.

2

6206-11-4150

PLATE

SN: 42188-UP

2шт.

3

6206-11-4160

BOLT

SN: 42188-UP

2шт.

4

6206-11-4160

BOLT

SN: 46178-UP

10шт.

|4

01435-00814

BOLT

SN: 42188-46177

10шт.

5

01435-21030

BOLT

SN: 42188-UP

9шт.

6

01435-21085

BOLT

SN: 42188-UP

2шт.

7

6206-81-9870

SPACER

SN: 23243-UP

1шт.

8

01436-01040

BOLT

SN: 27467-UP

1шт.

9

600-815-2341

HEATER,RIBBON

SN: 10001-UP

1шт.

10

6207-11-4380

CONNECTOR,AIR

SN: 69109-UP

1шт.

|10

0

CONNECTOR,AIR

SN: 10001-69108

1шт.

|$$14

(6207-11-4380{07042-70415)}

-1шт.

11

07043-50108

PLUG

SN: 10001-UP

1шт.

12

07042-70415

PLUG

SN: 69109-UP

1шт.

13

6136-11-4820

GASKET (K1)

SN: 10001-UP

2шт.

14

01435-21070

BOLT

SN: 10001-UP

4шт.

15

6207-11-4370

HOSE

SN: 10001-UP

1шт.

16

07281-00709

CLAMP

SN: 10001-UP

2шт.

17

6206-81-4720

WIRE¤ 480MM

SN: 10001-UP

1шт.

18

6206-81-4730

WIRE¤ 380MM

SN: 10001-UP

1шт.

19

6202-72-5520

CLIP

SN: 44268-UP

1шт.

|19

08036-10814

CLIP,(WITH CORROSION RESISTOR)

SN: 45238-UP

1шт.

20

6142-82-6550

SPACER,(WITH CORROSION RESISTOR)

SN: 45238-UP

1шт.

21

01435-20825

BOLT,(WITH CORROSION RESISTOR)

SN: 45238-UP

1шт.

22

01435-21060

BOLT

SN: 26082-UP

1шт.

23

08038-00519

CAP

SN: 14329-UP

3шт.

24

09920-00150

LIQUID GASKET,LG-7¤ 150G

SN: 10001-UP

-2шт.

Выбрано товаров: 58