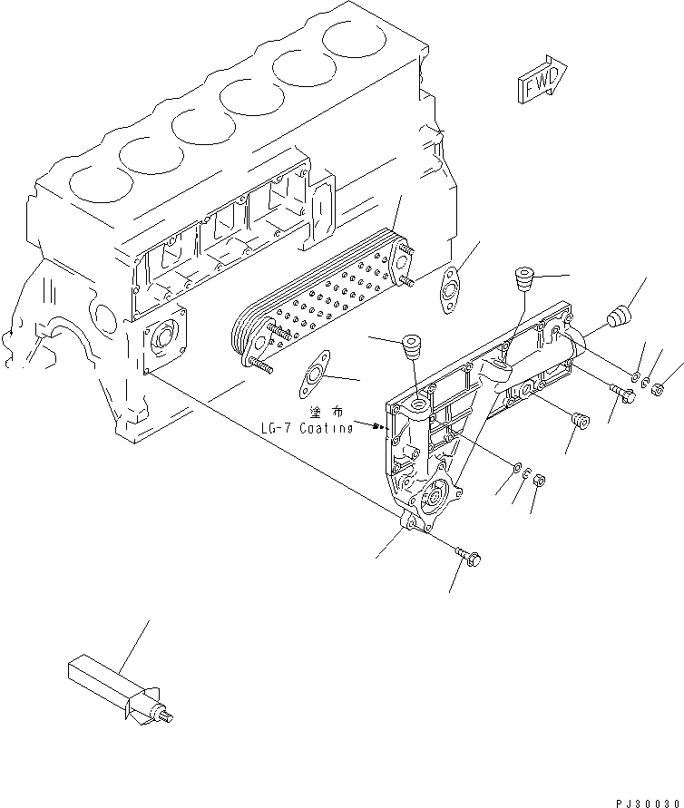
Запчасти Komatsu S6D95L-1C СИСТЕМА СМАЗКИ МАСЛООХЛАДИТЕЛЬ(№-8) СИСТЕМА СМАЗКИ МАСЛ. СИСТЕМА

Схема запчастей Komatsu S6D95L-1C - СИСТЕМА СМАЗКИ МАСЛООХЛАДИТЕЛЬ(№-8) СИСТЕМА СМАЗКИ МАСЛ. СИСТЕМА
1
2
2
2
3
4
4
5
5
6
6
7
7
8
9
9
10
FIT
1:1
100%

Артикул

Название

Примечание

Количество

|$0

6207-61-5100

OIL COOLER ASS'Y

SN: 10001-@

1шт.

1

6207-61-5110

COVER ASS'Y

SN: 10001-@

1шт.

2

0

PLUG

SN: 10001-24581

3шт.

|$$4

(6204-61-5170(2),6206-61-5170)

-1шт.

3

600-651-1520

ELEMENT

SN: 10001-@

1шт.

4

6204-61-5190

GASKET (K2)

SN: 10001-@

2шт.

5

01584-10806

NUT

SN: 10001-24581

4шт.

6

01602-20825

WASHER,SPRING

SN: 10001-24581

4шт.

7

01641-20812

WASHER

SN: 10001-24581

4шт.

8

07043-50312

PLUG

SN: 10001-24581

1шт.

9

01435-20825

BOLT

SN: 10001-@

18шт.

10

09920-00150

LIQUID GASKET,LG-7, 150G

SN: 10001-@

-2шт.

Выбрано товаров: 12