Запчасти Komatsu S6D95L-1D ГЛУШИТЕЛЬ(№-8) ГОЛОВКА ЦИЛИНДРОВ

Схема запчастей Komatsu S6D95L-1D - ГЛУШИТЕЛЬ(№-8) ГОЛОВКА ЦИЛИНДРОВ
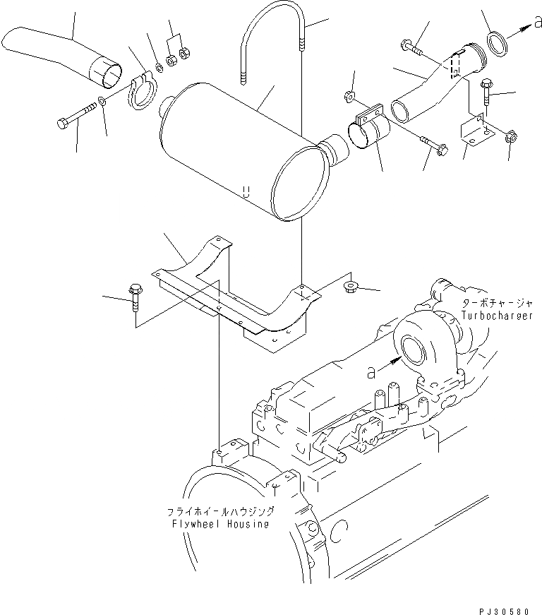
1
2
3
4
4
5
6
7
8
9
10
11
12
13
14
15
16
17
18
18
FIT
1:1
100%

Артикул

Название

Примечание

Количество

1

6207-11-5623

PIPE

SN: 19056-42686

1шт.

1

0

PIPE

SN: 15060-19055

1шт.

2

6207-11-5380

RING,SEAL

SN: 15060-@

1шт.

3

6207-11-5990

BRACKET

SN: 15060-@

1шт.

4

01435-01020

BOLT

SN: 15060-@

3шт.

5

01584-01008

NUT

SN: 15060-@

1шт.

6

6207-11-5522

BRACKET

SN: 28326-42686

1шт.

6

0

BRACKET

SN: 15060-28325

1шт.

|$$9

(6207-11-5522,01435-01025(4))

-1шт.

7

01435-01025

BOLT

SN: 28326-@

4шт.

7

01435-01020

BOLT

SN: 15060-28325

4шт.

8

0

MUFFLER

SN: 28326-42686

1шт.

|$$13

(6207-11-5222,6207-11-5542,

-1шт.

|$$14

6207-11-5550,6205-11-5930)

-1шт.

8

0

MUFFLER

SN: 15060-28325

1шт.

9

6206-11-5980

U-BOLT

SN: 15060-@

2шт.

10

01584-00806

NUT

SN: 15060-@

4шт.

11

6206-11-5910

CLAMP

SN: 15060-@

1шт.

12

01435-01235

BOLT

SN: 15060-@

2шт.

13

01584-01210

NUT

SN: 15060-42686

2шт.

14

6207-11-5720

PIPE,EXHAUST

SN: 15060-@

1шт.

15

6206-11-5920

CLAMP

SN: 15060-@

1шт.

16

01010-31080

BOLT

SN: 15060-@

1шт.

17

01580-21008

NUT

SN: 15060-@

2шт.

18

01640-21016

WASHER

SN: 15060-@

2шт.

Выбрано товаров: 25