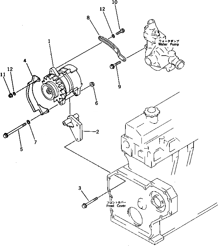
Запчасти Komatsu S6D95L-1F ГЕНЕРАТОР И КРЕПЛЕНИЕ ЭЛЕКТРИКА

Схема запчастей Komatsu S6D95L-1F - ГЕНЕРАТОР И КРЕПЛЕНИЕ ЭЛЕКТРИКА
FIT
1:1
100%

Артикул

Название

Примечание

Количество

1

600-821-3850

ALTERNATOR A. (15A),(SEE FIG.0642)

SN: 23413-UP

1шт.

2

6206-81-6540

BRACKET

SN: 23413-UP

1шт.

3

01435-20860

BOLT

SN: 23413-UP

2шт.

4

6204-81-6920

COVER

SN: 23413-UP

1шт.

5

6204-81-6810

BOLT

SN: 23413-UP

1шт.

6

01584-00806

NUT

SN: 23413-UP

1шт.

7

01643-30823

WASHER

SN: 23413-UP

1шт.

8

6206-81-6610

PLATE,ADJUST

SN: 23413-UP

1шт.

9

01435-20855

BOLT

SN: 23413-UP

1шт.

10

01435-20835

BOLT

SN: 23413-UP

1шт.

11

01584-00806

NUT

SN: 23413-UP

1шт.

12

01643-30823

WASHER

SN: 23413-UP

2шт.

Выбрано товаров: 12