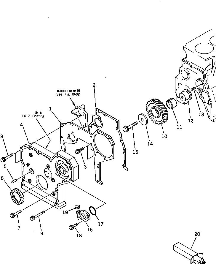
Запчасти Komatsu S6D95L-1G-B ПЕРЕДН. КРЫШКАAND ПРИВОД БЛОК ЦИЛИНДРОВ

Схема запчастей Komatsu S6D95L-1G-B - ПЕРЕДН. КРЫШКАAND ПРИВОД БЛОК ЦИЛИНДРОВ
FIT
1:1
100%

Артикул

Название

Примечание

Количество

1

6206-21-3210

PLATE,FRONT

SN: 22842-UP

1шт.

2

6204-21-3811

GASKET (K2)

SN: 22842-UP

1шт.

3

01435-20816

BOLT

SN: 22842-UP

2шт.

4

6204-21-3111

COVER,FRONT

SN: 22842-UP

1шт.

5

6204-21-3850

POINTER

SN: 22842-UP

1шт.

6

6204-21-3510

SEAL¤ FRONT (K2)

SN: 22842-UP

1шт.

7

01435-20855

BOLT

SN: 22842-UP

11шт.

8

01435-20860

BOLT

SN: 22842-UP

2шт.

9

01435-20870

BOLT

SN: 22842-UP

2шт.

|10

6206-31-6300

IDLER GEAR ASS'Y

SN: 22842-UP

1шт.

10

0

GEAR,IDLER

SN: 22842-UP

1шт.

11

6204-31-6340

BUSHING

SN: 22842-UP

1шт.

12

6204-31-6330

SHAFT

SN: 22842-UP

1шт.

13

04025-00512

PIN,SPRING

SN: 22842-UP

1шт.

14

6204-31-6350

WASHER

SN: 22842-UP

1шт.

15

01435-01270

BOLT

SN: 22842-UP

1шт.

16

6142-82-5111

BOX,GEAR

SN: 22842-UP

1шт.

17

07000-03050

O-RING (K2)

SN: 22842-UP

1шт.

18

01435-20620

BOLT

SN: 22842-UP

2шт.

19

6130-82-5260

CAP

SN: 22842-UP

1шт.

20

09920-00150

LIQUID GASKET,LG-7¤ 150G

SN: 22842-UP

-2шт.

Выбрано товаров: 21