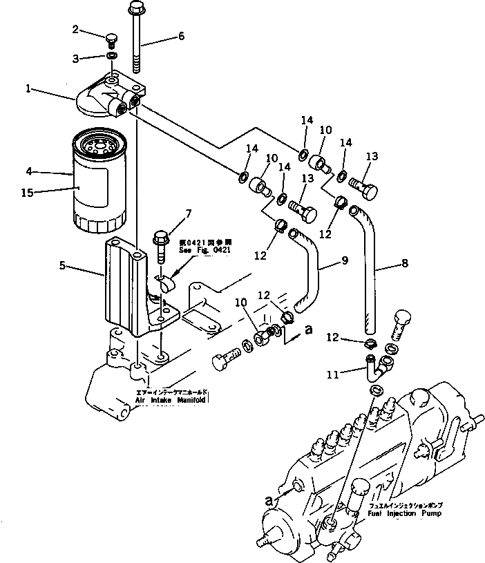
Запчасти Komatsu S6D95L-1GG ТОПЛИВН. ФИЛЬТР. И ТРУБЫ ТОПЛИВН. СИСТЕМА

Схема запчастей Komatsu S6D95L-1GG - ТОПЛИВН. ФИЛЬТР. И ТРУБЫ ТОПЛИВН. СИСТЕМА
FIT
1:1
100%

Артикул

Название

Примечание

Количество

|1

6204-71-6101

FUEL FILTER ASS'Y

SN: 58644-UP

1шт.

1

600-311-9640

HEAD

SN: 58644-UP

1шт.

2

600-311-6720

PLUG

SN: 58644-UP

1шт.

3

07005-00812

GASKET

SN: 58644-UP

1шт.

4

600-311-8221

CARTRIDGE

SN: 58644-UP

1шт.

5

6207-71-6720

BRACKET

SN: 58644-UP

1шт.

6

01436-01060

BOLT

SN: 58644-UP

2шт.

7

01435-21025

BOLT

SN: 58644-UP

2шт.

8

07260-20936

HOSE

SN: 58644-UP

1шт.

9

07260-20928

HOSE

SN: 58644-UP

1шт.

10

6144-71-5750

JOINT

SN: 58644-UP

3шт.

11

6206-71-5850

JOINT

SN: 58644-UP

1шт.

12

07281-00197

CLAMP

SN: 58644-UP

4шт.

13

07206-11014

BOLT,JOINT

SN: 58644-UP

2шт.

14

07005-01412

GASKET (K2)

SN: 58644-UP

4шт.

15

600-311-1120

PLATE¤ CAUTION,(ENGLISH)

SN: 58644-UP

1шт.

Выбрано товаров: 16