Запчасти Komatsu S6D95L-1KK-1 ТРУБОПРОВОД ВПУСКА ВОЗДУХА И СОЕДИН-Е ГОЛОВКА ЦИЛИНДРОВ

Схема запчастей Komatsu S6D95L-1KK-1 - ТРУБОПРОВОД ВПУСКА ВОЗДУХА И СОЕДИН-Е ГОЛОВКА ЦИЛИНДРОВ
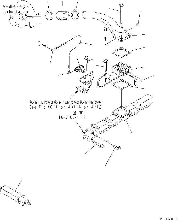
1
2
3
4
5
6
7
7
8
9
10
11
11
12
13
13
13
14
15
16
FIT
1:1
100%

Артикул

Название

Примечание

Количество

1

6206-11-4120

MANIFOLD,AIR INTAKE

SN: 35360-UP

1шт.

2

01435-21025

BOLT

SN: 35360-UP

11шт.

3

01435-21075

BOLT

SN: 35360-UP

1шт.

4

600-815-2341

HEATER,RIBBON

SN: 35360-UP

1шт.

5

6207-11-4340

CONNECTOR,AIR

SN: 35360-UP

1шт.

6

07043-50108

PLUG

SN: 35360-UP

1шт.

7

6136-11-4820

GASKET (K1)

SN: 35360-UP

2шт.

8

01435-21070

BOLT

SN: 35360-UP

2шт.

9

01436-01005

BOLT

SN: 48356-UP

2шт.

9

0

BOLT

SN: 35360-48355

2шт.

10

6207-11-4390

HOSE

SN: 35360-UP

1шт.

11

07281-00709

CLAMP

SN: 35360-UP

2шт.

12

6151-81-4520

WIRE, 265MM

SN: 35360-UP

1шт.

13

08038-00519

CAP

SN: 35360-UP

3шт.

14

600-815-2170

SWITCH

SN: 35360-UP

1шт.

15

01435-20612

BOLT

SN: 35360-UP

2шт.

16

09920-00150

LIQUID GASKET,LG-7, 150G

SN: 35360-UP

-2шт.

Выбрано товаров: 17