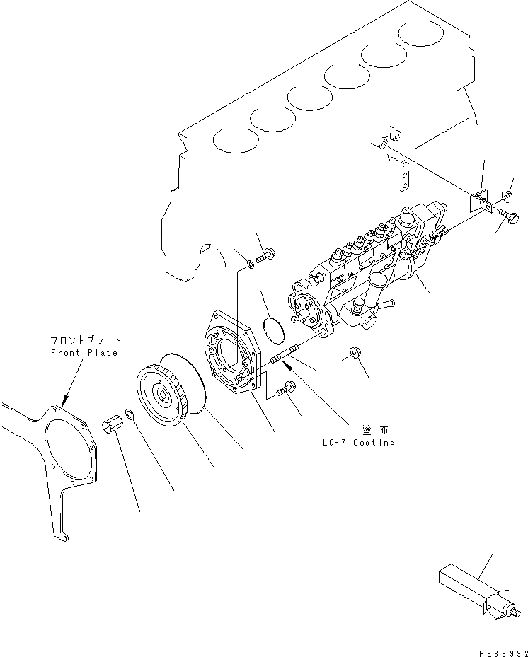
Запчасти Komatsu S6D95L-1MM-C КРЕПЛЕНИЕ ТОПЛ. НАСОСА ДВИГАТЕЛЬ

Схема запчастей Komatsu S6D95L-1MM-C - КРЕПЛЕНИЕ ТОПЛ. НАСОСА ДВИГАТЕЛЬ
1
2
3
4
5
6
7
8
9
10
11
12
13
14
15
16
FIT
1:1
100%

Артикул

Название

Примечание

Количество

1

6207-72-1310

INJECTION PUMP ASS'Y,(SEE FIG.A4010-B0N9)

SN: 111868-UP

1шт.

2

6206-71-1852

BRACKET

SN: 111868-UP

1шт.

3

01435-21016

BOLT

SN: 111868-UP

1шт.

4

01584-00806

NUT

SN: 111868-UP

1шт.

5

6206-71-3230

GEAR

SN: 111868-UP

1шт.

6

6206-71-3630

NUT

SN: 111868-UP

1шт.

7

6130-32-1361

WASHER

SN: 111868-UP

1шт.

8

6206-71-3110

HOLDER

SN: 111868-UP

1шт.

9

01144-51035

STUD

SN: 111868-UP

4шт.

10

01584-01008

NUT

SN: 111868-UP

4шт.

11

07000-62135

O-RING

SN: 117265-UP

1шт.

11

07000-62135

O-RING (K2)

SN: 111868-117264

1шт.

12

6204-71-3190

BOLT

SN: 111868-UP

1шт.

13

01435-20812

BOLT

SN: 111868-UP

1шт.

14

07005-00812

GASKET (K2)

SN: 111868-UP

1шт.

15

287-01-12231

O-RING (K2)

SN: 111868-UP

1шт.

16

09920-00150

LIQUID GASKET,LG-7, 150G

SN: 111868-UP

-2шт.

Выбрано товаров: 17