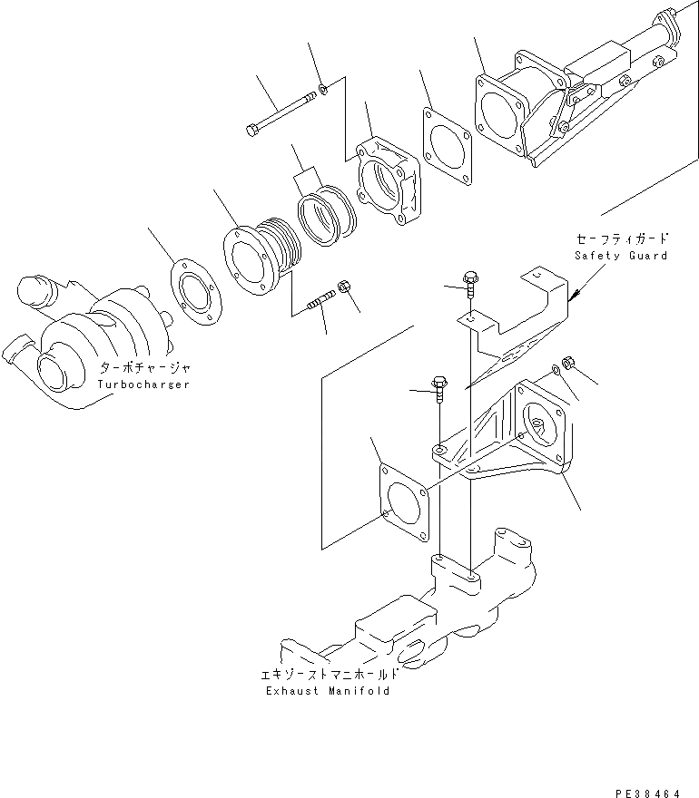
Запчасти Komatsu S6D95L-1TT ГОРНЫЙ ТОРМОЗ ДВИГАТЕЛЬ

Схема запчастей Komatsu S6D95L-1TT - ГОРНЫЙ ТОРМОЗ ДВИГАТЕЛЬ
1
2
3
4
5
6
7
8
9
10
11
12
13
14
15
16
17
18
18
19
20
21
22
23
24
1
2
3
4
5
6
7
8
9
9
10
11
12
12
13
14
FIT
1:1
100%

Артикул

Название

Примечание

Количество

1

6207-11-5820

CONNECTOR

SN: 154351-UP

1шт.

2

6207-11-5890

CONNECTOR

SN: 154351-UP

1шт.

3

6207-11-5830

GASKET

SN: 154351-UP

1шт.

4

01124-60825

STUD

SN: 154351-UP

4шт.

5

01580-00806

NUT

SN: 154351-UP

4шт.

6

6165-11-5290

RING,SEAL

SN: 154351-UP

2шт.

7

6137-11-5950

EXHAUST BRAKE ASS'Y

SN: 154351-UP

1шт.

8

6207-11-5840

BRACKET

SN: 154351-UP

1шт.

9

6207-11-5390

GASKET

SN: 154351-UP

2шт.

10

01011-E1270

BOLT

SN: 154351-UP

4шт.

11

01580-11210

NUT

SN: 154351-UP

4шт.

12

01643-51232

WASHER

SN: 154351-UP

8шт.

13

01435-01030

BOLT

SN: 154351-UP

1шт.

14

01435-01025

BOLT

SN: 154351-UP

3шт.

Выбрано товаров: 0